TMC5241

推荐用于新设计

65V 2ARMS 智能集成步进驱动器和控制器

产品技术资料帮助

ADI公司所提供的资料均视为准确、可靠。但本公司不为用户在应用过程中侵犯任何专利权或第三方权利承担任何责任。技术指标的修改不再另行通知。本公司既没有含蓄的允许,也不允许借用ADI公司的专利或专利权的名义。本文出现的商标和注册商标所有权分别属于相应的公司。

Viewing:

概述

  • 电压范围:4.5V 至 65V 直流
  • 低 RON (HS + LS):0.31Ω 典型值(TA = 25°C)
  • 每个 H 桥的额定电流(25°C 时的典型值):
    • 当 VS = 24V,IRMS = 2ARMS (2.8A 正弦峰值)
    • 当 VS = 48V,IRMS = 1.7ARMS (2.4A 正弦峰值)
  • 完全集成的无损电流感应
  • 八点运动控制器,实现最小抖动
  • SPI 和单线 UART
  • 编码器接口和 2 个参考开关输入
  • 每整步最高分辨率为 256 微步
  • 灵活的波表和相移以匹配电机
  • StealthChop2 静音电机运行
  • SpreadCycle 高动态电机控制斩波器
  • StealthChop2 和 SpreadCycle 的无抖动组合
  • StallGuard2 和 StallGuard4 无传感器电机负载检测
  • CoolStep 电流控制可节能高达 75%
  • 被动制动和自由滑行模式
  • 电机相温度估算
  • 芯片温度测量
  • 通用模拟输入
  • 全面保护和诊断
  • 过压保护输出
  • 紧凑型 5mm x 7mm TQFN38 封装

TMC5241 是一款智能、高性能步进电机控制器和驱动器 IC,具有串行通信接口(SPI、UART)和广泛的诊断功能。它结合了用于自动目标定位的灵活的、经过加加速度优化的斜坡发生器,并具有基于 256 个微步、内置索引器和完全集成的 65V、3.0AMAX H 桥以及非损耗式集成电流感应 (ICS) 的业界最先进的步进电机驱动器。

请参阅数据表了解完整说明。

应用

  • 纺织、缝纫机、针织机
  • 实验室和工厂自动化
  • ID 打印机/证卡打印机
  • 液体处理、医疗应用
  • 办公自动化和纸张处理
  • 销售点、按摩椅
  • ATM、现金循环机、纸币识别器、现金机
  • 闭路电视、安保
  • 泵和阀门控制
  • 定日镜和天线定位
  • 舞台灯光

TMC5241
65V 2ARMS 智能集成步进驱动器和控制器
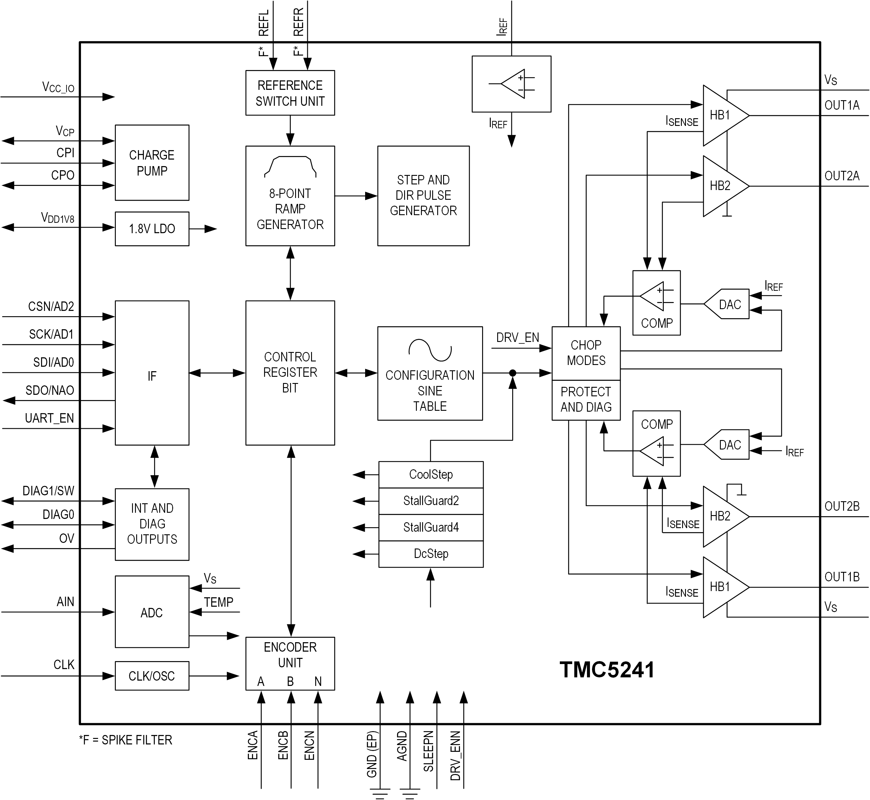
TMC5241 Functional Diagram TMC5241 Pin Configuration TMC5241 Chip Illustration
添加至 myAnalog

将产品添加到myAnalog 的现有项目或新项目中(接收通知)。

创建新项目
提问

参考资料

了解更多
添加至 myAnalog

Add media to the Resources section of myAnalog, to an existing project or to a new project.

创建新项目

软件资源

找不到您所需的软件或驱动?

申请驱动/软件

硬件生态系统

部分模型 产品周期 描述
TMC5130 推荐用于新设计 Silent stepper motor cDriver 4.75 to 46V, up to 1.4ARMS with SPI Interface, 256 µSteps, SixPoint ramp controller, SpreadCycle and Stealthchop
TMC5160 推荐用于新设计 Stepper motor cDriver 8 to 60V, for external N-Fets with S/D and SPI Interface, 256 µSteps, SixPoint ramp controller, CoolStep, StallGuard2, SpreadCycle and StealthChop2
Modal heading
添加至 myAnalog

将产品添加到myAnalog 的现有项目或新项目中(接收通知)。

创建新项目

评估套件

eval board
TMC5241-EVKIT

TMC5241 智能高性能步进电机控制器和驱动器 IC

特性和优点

  • 4.5V 至 65V 直流单电源电压范围
  • 每个 H 桥的额定电流(25°C,典型值):
    • VS = 24V 时,IRMS = 2ARMS (2.8A 正弦峰值)
    • VS = 48V 时,IRMS = 1.7ARMS (2.4A 正弦峰值)
  • SPI 和单线 UART
  • 编码器接口和 2 个参考开关输入
  • 刹车输出

产品详情

TMC5241-EVKIT 是 ADI-Trinamic 评估板系统的一部分。该套件中包含的电路板与 TMCL-IDE 相结合,可以对 TMC5241 进行简单的首次评估,同时还可以完全控制其所有功能。

TMC5241 是一款智能、高性能步进电机控制器和驱动器 IC,具有串行通信接口(SPI、UART)和广泛的诊断功能。它结合了灵活的、优化的加加速度斜坡发生器,用于自动目标定位。它还具有业界最先进的步进电机驱动器,该驱动器基于 256 微步、内置索引器和完全集成的 65V、3.0AMAX H 桥以及非损耗式集成电流感应 (ICS)。

TMC5241-EVKIT
TMC5241 智能高性能步进电机控制器和驱动器 IC
TMC5241-EVKIT Board Photo Angle View TMC5241-EVKIT Board Photo TOP view TMC5241-EVKIT Board Photo Bottom View

最新评论

需要发起讨论吗? 没有关于 TMC5241的相关讨论?是否需要发起讨论?

在EngineerZone®上发起讨论

近期浏览