概要
設計リソース
設計/統合ファイル
- Schematic
- Bill of Materials
- Gerber Files
- PADS Files
- Assembly Drawing
評価用ボード
型番に"Z"が付いているものは、RoHS対応製品です。 本回路の評価には以下の評価用ボードが必要です。
- EVAL-CFTL-6V-PWRZ ($23.01) Wall Power Supply for Eval Board
- EVAL-CN0194-SDPZ ($86.14) Galvanically Isolated, 2-Channel, 16-Bit, Simultaneous Sampling, Daisy-Chained Data Acquisition System
- EVAL-SDP-CB1Z ($134.00) Eval Control Board SDP
デバイス・ドライバ
コンポーネントのデジタル・インターフェースとを介して通信するために使用されるCコードやFPGAコードなどのソフトウェアです。
機能と利点
- 同期サンプリング
- 絶縁高速AD変換
- レベル・シフト、減衰、±10 Vの工業用信号
参考資料
-
CN0194 Software User Guide2018/10/18WIKI
-
MT-101: Decoupling Techniques2015/02/14PDF954 kB
-
MT-073: High Speed Variable Gain Amplifiers2015/02/14PDF177 kB
-
MT-031: データ・コンバータのグラウンディングと、「AGND」および「DGND」に関する疑問の解消2009/03/20PDF144 kB
-
CN-0194: 電流絶縁型、2チャンネル、16ビット、動機サンプリング、デイジーチェーン接続のデータ・アクイジション・システム2012/01/26PDF717 kB
回路機能とその特長
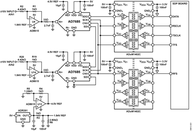
図1に示す回路により高速、高精度、同時サンプリングA/Dコンバータ・アプリケーションの直流絶縁が可能になります。16ビットPulSAR ADCのAD7685は汎用で、デイジーチェーンを通して多チャンネルのモニタリングが可能です。 AD8615オペアンプを使用した入力回路では±10 Vの工業用信号をADCの入力範囲に一致させるためにレベルシフトし、減衰し、バッファします。高精度リファレンスADR391 と2個の4チャンネル・デジタル・アイソレータADuM1402を含むこの柔軟性ある回路は、良く使われる工業用データ・アクイジション・アプリケーションに対して小型でコストパフォーマンスの良いソリューションを提供します。

回路説明
AD7685は2.3~5.5Vの単一VDD電源で動作する16ビット、電荷再分配式の逐次比較型A/Dコンバータ(SAR ADC)です。ノー・ミスコード、パイプライン遅延なしの低消費電力、高速16ビット・サンプリングADCと内部変換クロック、汎用シリアル・インターフェース・ポートを内蔵しています。ADCは低ノイズ、広帯域幅でアパーチャ遅延の少ないトラック&ホールド回路も内蔵しています。ADCはCNV信号の立ち上がりエッジで、グラウンド・センス(IN–)を基準とする0V~VREFのアナログ入力(IN+)をサンプリングします。リファレンス電圧(VREF)は外部から供給し、0.5 V ~ VDDに設定します。図1に示す回路は、 リファレンス電圧4.5 Vを使用しています。
AD7685の消費電力は、サンプリング・レートに直線的に比例して変化します。消費電力はVDD = 5 Vで、サンプリング・レート250 kSPSの場合、最大15 mWです。AD7685は10ピンMSOPまたは10ピンQFN(LFCSP)のパッケージに収納されており、温度範囲-40~+85℃で動作が規定されています。SPI互換のシリアル・インターフェースは、SDI入力を使用して1つの3線バス上に複数のADCをデイジーチェーン接続したり、オプションでビジー・インジケータを出力したりする事ができます。AD7685は分離した電源ピンVIOを使って、1.8 V、2.5 V、3 V、又は5 Vのロジックとインターフェースが可能です。
アナログ信号チェーン全体は単電源5 Vで動作します。低ドロップアウト2.5VリファレンスADR391とレールtoレールCMOSオペアンプAD8615(U13)はADC用4.5 Vリファレンス電圧を発生します。5 V電源でオペアンプがリニアな領域内で規定の変化をするように、リファレンスを4.5 Vにして、U13出力で0.5 Vのヘッドルームをもたせます。ADR391の2.5 V出力はU13のノイズゲイン(1 + R4/R5)で増幅されます。R4 と R5の値を選んで、ノイズゲインは1.8とすれば、リファレンス電圧は1.8 × 2.5 V = 4.5 Vにできます。
U4 と U14のオペアンプAD8615の信号ゲインは0.225(R1 対 R2 と、R19 対 R20の比で設定されます)となり、20 V p-pの入力信号振幅がADCの入力では4.5 V p-pに減衰します。0 V入力に対しては、U4 と U14の出力でオフセット2.25 Vが必要となります。これにはU4 と U14の非反転入力で1.84 Vの同相電圧が必要となります。この電圧は抵抗分割R3-R6で生成します。
U4 と U14の出力のR-C回路 (33 Ω, 2.7 nF)で帯域幅1.8 MHzのシングル・ポールのノイズフィルタを形成します。
AD8615はCMOSレールtoレール入力/出力の単電源オペアンプで、超低オフセット電圧、広い信号帯域幅および低い電圧性、電流性入力ノイズを特長としています。このデバイスはレーザ・トリミングを使わずに超高精度を実現できる特許収得済みのトリミング技術を採用しております。 AD8615は2.7 V~5 Vの単電源での動作が完全に規定されています。
このオペアンプは、20 MHz以上の帯域幅、低オフセット、低ノイズ、低入力バイアス電流が組み合わせられていることにより、各種のアプリケーションで使用可能です。これらの性能/特長の組み合わせはフィルタ、積分器、フォトダイオード用アンプ、高インピーダンス・センサーの用途全てに有効です。
ACアプリケーションには、広帯域幅と低歪みな特長が有効です。AD8615は、DigiTrimファミリーで最高の出力駆動能力があるので、オーディオのライン・ドライバや、その他の低インピーダンス・アプリケーションに最適です。
このデバイスのアプリケーションには低消費電力な携帯用計測機器、携帯機器用オーディオアンプ、携帯電話ヘッドセット、バーコード・スキャナ、多極フィルタなどがあります。入力と出力の両方がレールtoレールに振れるので、単電源システムでCMOSのADC、DAC、ASIC、またその他の広出力振幅なデバイスのバッファとして使う事ができます。
マイクロパワー、低ドロップアウト電圧リファレンスのADR391は最小出力から 300 mV 高い電源で、安定した出力電圧を出力できます。この最新デザインにより、外付けコンデンサが不要になるため、さらに基板面積とコストが削減されます。高精度電圧リファレンスADR391は、低消費電力動作、小型サイズ、使い易さの組み合わせにより、バッテリ駆動のアプリケーションに最適です。リファレンスADR391はアナログ・デバイセズの特許取得済み、温度ドリフト曲線補正技術を用いているため、TSOTパッケージで、9ppm/℃の低温度ドリフトを達成しています。
ADuM1402は、アナログ・デバイセズのiCoupler®技術に基づく、4チャンネルのデジタル・アイソレータです。このアイソレーション・デバイスは高速CMOS技術とモノリシック空芯トランス技術の組み合わせにより、フォトカプラ・デバイスなどの代替品として優れた性能特性を提供します。
iCouplerデバイスはLEDとフォトダイオードを使用しないので、一般にフォトカプラに起因する設計上の困難さが回避できます。不確かな電流伝達比、非直線な伝達関数、温度や寿命の影響などの一般的なフォトカプラの問題は、シンプルなiCouplerのデジタル・インターフェースや安定した性能特性によって解消できます。
これらのiCoupler製品は外付けのドライバやその他のディスクリート部品は不要です。さらにiCouplerデバイスは、フォトカプラの消費電力の1/10~1/6で動作します(信号データ・レートが同程度の場合)。
アイソレータADuM1402には2/2の方向性をもつ4つの独立したアイソレーション・チャンネルがあり、Cグレードで90 Mbpsまで複数のデータ・レートの製品が用意されています(データシートのオ―ダー・ガイドを参照してください)。全てのモデルは、両側とも電源電圧は2.7 V~5.5 Vの範囲で動作するため、低電圧システムと互換性があると共に絶縁バリアをまたぐ電圧変換機能(レベル・ダウン/レベル・アップ)も可能です。さらにADuM1402はパルス幅歪みが小さく(<2ns)、かつチャンネル間マッチングが優れています(<2ns)。ADuM1402は、他のフォトカプラとは異なり、入力ロジックに遷移がない場合およびいずれか1つの電源に電源が供給されていない場合にDCレベルを正確に維持する特許取得済みのリフレッシュ機能を持っています。
図1はアイソレーションを必要とする信号の数を削減するためにAD7685をデイジーチェーンに接続する方法を示しています。RSCLK と RFSはそれぞれAD7685のシリアル・クロック(SCK)とシリアル・フレーム同期(CNV)の読み出し信号である事に注目してください。これらの読み出し信号のスキューはDATA信号に対して非常に短くなければいけません。このスキューはデジタル・アイソレータのチャンネル間でのマッチング伝搬遅延(tPSKCD)で、ADuM1402Cは2 ns以下です。これによりデジタル・アイソレータの最大速度(ADuM1402Cは90 Mbps)でシリアル・インターフェースの動作(最大シリアル・クロック周波数90 MHzに相当)が可能になります。これらは遅延があまり長いデジタル・アイソレータでの伝搬遅延の累積によって制限できたことです。この回路のTSCLK周波数はサンプリング・レート250 kSPSで30 MHzになります。
位相が90°違う2つの±10 V信号を基板(EVAL-CN0194-SDPZ)の2チャンネル(AIN1 と AIN2)に供給しています。(供給される評価ソフトを使用して得られた)これらの変換結果を図2に示します。供給される評価用ソフトウェアはFFTデータ(図3)としてや固定DCレベルに対するコード・ヒストグラムも表示する事ができます。
この回路あるいは任意の高速回路の性能は、適正なPCBレイアウトに大きく依存します。PCBレイアウトには電源バイパス、(必要に応じて)特性インピーダンス・ライン、部品配置、信号配線、電源とグラウンド・プレーンが含まれます(しかし限定はされません)。(PCBレイアウトに関する詳細は「MT-031 Tutorial」、「MT-101 Tutorial」とAnalog Dialogue vol.39 「 高速プリント回路 基板レイアウトの実務ガイド」を参照してください。)
この回路ノートの完全な設計支援パッケージは www.analog.com/CN0194-DesignSupportに載っております。



バリエーション回路
PulSARファミリーには、さらにサンプリング・レートの高いピンコンパチな16ビットADCが他にもあります:AD7686 (500 kSPS)、AD7980 (1 MSPS)、AD7983 (1.33 MSPS)。 18ビット分解能が必要な場合は、次のデバイスもPulSARファミリーのピンコンパチブルな製品です。 AD7691 (250 kSPS)、 AD7690 (500 kSPS)、 AD7982 (1 MSPS)、AD7984 (1.33 MSPS)。 オペアンプAD8615もデュアル(AD8616)とクワッド(AD8618)パッケージのバージョンがあります。他の使用可能な駆動用オペアンプとして ADA4841-1 (シングル)、 ADA4841-2 (デュアル)、 ADA4941-1 (デュアル差動) があります。
回路の評価とテスト
この回路は回路基板(EVAL-CN0194-SDPZ)とシステム・デ モ用プラットホーム(SDP) 評価基板(EVAL-SDP-CB1Z)を使用 します。2 つの基板には、迅速な回路性能の設定と評価を可 能とする 120 ピン接続用コネクタがあります。EVAL-CN0194-SDPZ 基板は(この回路ノートに記述されているよう に)評価対象の回路を含んでいます。そして SDP 評価基板は 回路基板(EVAL-CN0194-SDPZ)からのデータを取り込む CN0194 評価ソフトウェアと共に使用します。
必要な装置
- USB ポートがあり Windows® XP 又は Windows Vista®(32-bit)又は Windows 7 (32-bit)対応の PC
- 回路評価基板(EVAL-CN0194-SDPZ)
- 評価基板(EVAL-SDP-CB1Z SDP)
- CN0194 評価ソフトウェア
- 電源電圧:+6 V 又は+6 V ”AC アダプタ”
- Audio Precision の system two 2322 のような低歪み信号源
初めてみよう
CN0194 評価ソフトウエア・ディスクを PC の CD ドライブに 挿入して評価ソフトウェアをロードしてください。”マイ コ ンピュタ”を使用して、評価ソフトウエア・ディスクのドライ ブを見つけ、Readme ファイルを開いてください。Readme フ ァイルに含まれているインストラクションに従って、評価ソ フトウェアをインストールし、使用してください。
機能ブロック図
回路ブロック図についてはこの回路ノートの図 1 を、そして 回路図については PDF ファイル“EVAL-CN0194-SDPZ-SCH” を参照してください。このファイルは、CN0194 Design Support Package に含まれています。
セットアップ
回路基板(EVAL-CN0194-SDPZ)の 120 ピン・コネクタを、評 価(SDP)基板(EVAL-SDP-CB1Z)の“CON A” と表示されたコ ネクタに接続してください。120 ピン・コネクタの末端にあ る穴を利用して 2 つの基板をしっかり固定するためにナイロ ン製ハードウエアを使用する必要があります。電源をオフに して、+6 V 電源を基板の“+6V CFTL” と “+6V SDP”と表示さ れているピンに接続してください。もし+6 V"AC アダプタ"が あれば、基板上のジャック・コネクタに接続して+6 V 電源電 圧の代わりに使用する事ができます。SDP 基板と共に供給す る USB ケーブルを、PC の USB ポートに接続してください。 注:この時にはまだ USB ケーブルを SDP 基板上のミニ USB コ ネクタには接続しないでください。
テスト
回路基板(EVAL-CN0194-SDPZ)に接続した+6 V 電源(又は AC アダプタ)に電源を供給してください。評価ソフトウェア を立ち上げ、PC からの USB ケーブルを SDP 基板上の USB ミ ニ・コネクタに接続してください。アナログ・デバイセズの システム開発プラットフォーム・ドライバがデバイス・マネ ージャに表示されていれば、ソフトウェアは SDP 基板と通信 する事ができるようになります。
1 度 USB 通信が確立されれば、回路基板(EVAL-CN0194-SDPZ)からのシリアル・データの送信、受信、取り込みを行 うために SDP 基板を使用する事ができます。
この回路ノートのデータは Audio Precision の System Two 2322 信号源と GlobTek の電源を使用して計測しました。信号源は グラフに示した周波数に設定しています。
SDP 基板に関する情報は www.analog.com/jp/SDP に記載され ています。

