MAX31911

製造中

インダストリアル、オクタル(8回路)、デジタル入力トランスレータ/シリアライザ

業界最堅牢、低電力インダストリアルデジタル入力シリアライザ

利用上の注意

本データシートの英語以外の言語への翻訳はユーザの便宜のために提供されるものであり、リビジョンが古い場合があります。最新の内容については、必ず最新の英語版をご参照ください。

なお、日本語版のデータシートは基本的に「Rev.0」(リビジョン0)で作成されています。そのため、英語版が後に改訂され、複数製品のデータシートがひとつに統一された場合、同じ「Rev.0」の日本語版のデータシートが異なる製品のデータシートとして表示されることがあります。たとえば、「ADM3307E」の場合、日本語データシートをクリックすると「ADM3311E」が表示されます。これは、英語版のデータシートが複数の製品で共有できるように1本化され、「ADM3307E/ADM3310E/ADM3311E/ADM3312E/ADM3315E」(Rev.J)と改訂されたからで、決して誤ってリンクが張られているわけではありません。和文化されたデータシートを少しでも有効に活用していただくためにこのような方法をとっておりますので、ご了解ください。

アナログ・デバイセズ社は、提供する情報が正確で信頼できるものであることを期していますが、その情報の利用に関して、あるいはその利用によって生じる第三者の特許やその他の権利の侵害に関して一切の責任を負いません。また、アナログ・デバイセズ社の特許または特許の権利の使用を明示的または暗示的に許諾するものでもありません。仕様は予告なしに変更する場合があります。本紙記載の商標および登録商標は、各社の所有に属します。

Viewing:

製品情報

  • 超低電力および超低発熱
    • 低自己消費電流:1.4mA (typ)
    • 高精度で安定した調整可能な入力電流リミッタ:0.5mA~6mA
  • 高集積によってBOM数、基板サイズ、およびシステムコストを削減
    • 8つの高電圧入力チャネル:36V (max)
    • SPIインタフェースによる8対1シリアライズ機能内蔵
    • 5Vレギュレータ内蔵
    • 過熱インジケータ内蔵
    • フィールド電源電圧モニタ内蔵
    • 選択可能なデバウンスフィルタ内蔵:0~3ms
  • 産業環境用の堅牢な機能および性能
    • マルチビットCRCコードの生成と送信によってエラー検出とデータ送信の信頼性向上
    • すべてのフィールド入力端子で高いESD耐性
  • 業界標準の入力タイプに対応
    • IEC 61131-2入力タイプ1、2、および3に設定可能
  • 柔軟な電源性能によって5V、12V、24Vおよびそれ以上の電圧システムに使用可能
    • 広い動作フィールド電源範囲:7V~36V
    • 5V電源を使用してロジック側から給電可能

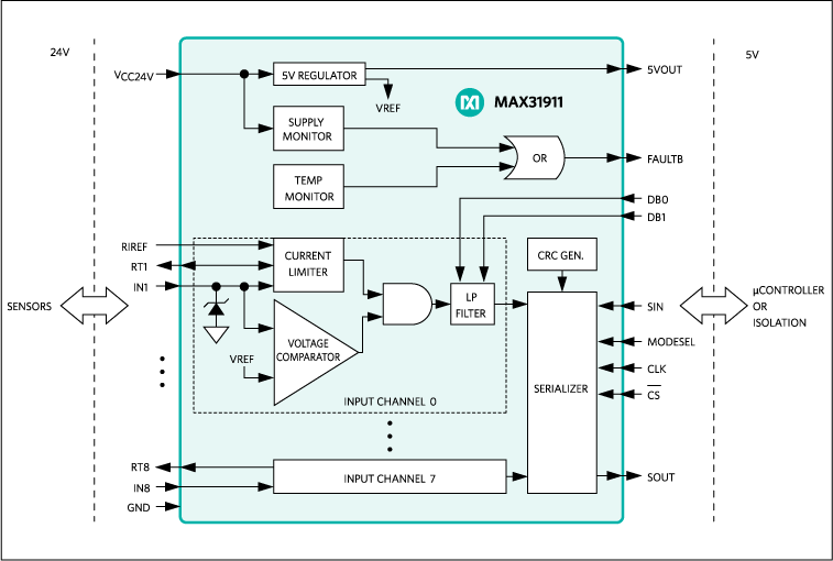
産業用インタフェースシリアライザのMAX31911は、産業、プロセス、およびビルオートメーションで使用されるセンサーおよびスイッチの24Vデジタル出力から、マイクロコントローラが必要とする5V CMOS互換信号への変換、調整、およびシリアライズを行います。このデバイスは、プログラマブルロジックコントローラ(PLC)デジタル入力モジュールのフロントエンドインタフェース回路を提供します。

このデバイスは、電流制限、ローパスフィルタ、およびチャネルシリアライズ機能を内蔵しています。入力電流制限によって、従来のディスクリート部品による抵抗分圧器の実装と比較して、フィールド電圧源から消費される電力の大幅な低減が可能になります。選択可能な内蔵ローパスフィルタによって、アプリケーションに基づく柔軟なセンサー出力のデバウンスおよびフィルタ処理が可能です。

内蔵のシリアライズ機能によって、絶縁に使用するフォトカプラの数を大幅に削減することができます。このデバイスシリアライザはスタック可能のため、任意の数の入力チャネルをシリアライズして単一のSPI対応ポートを介して出力することができます。これによって、入力チャネルの数に関係なく、必要なフォトカプラの数がわずか3つに減少します。

高周波ノイズおよび高速電気的過渡に関する堅牢性を高めるために、マルチビットCRCコードが生成され8ビットのデータごとにSPIポートを介して送信されます。内蔵の5V電圧レギュレータを使用して、外付けフォトカプラ、デジタルアイソレータ、またはその他の外部5V回路に給電することができます。

超低電力アプリケーション向けに、マキシム・インテグレーテッドはこのデバイスのピンコンパチブルバージョンであるMAX31910を提供しています。MAX31910は特許出願中の回路技術を使用して、入力電流制限のみでは不可能な、さらなる省電力化を実現します。

MAX31912およびMAX31913バージョンには、ピンの互換性を維持したまま、エネルギーレスLEDドライバが内蔵されます。

アプリケーション

  • PLC用デジタル入力モジュール
  • 産業用、ビルディング、およびプロセスオートメーション
  • モータ制御

MAX31911
インダストリアル、オクタル(8回路)、デジタル入力トランスレータ/シリアライザ
MAX31911:ブロックダイアグラム
myAnalogに追加

myAnalogの製品セクション(通知受け取り)、既存/新規プロジェクトに製品を追加する。

新規プロジェクトを作成
質問する
サポート

アナログ・デバイセズのサポート・ページはアナログ・デバイセズへのあらゆるご質問にお答えするワンストップ・ポータルです。


ドキュメント

さらに詳しく
myAnalogに追加

myAnalogのリソース・セクション、既存/新規プロジェクトにメディアを追加する。

新規プロジェクトを作成

ソフトウェア・リソース

デバイス・ドライバ 1


ハードウェア・エコシステム

製品モデル 製品ライフサイクル 詳細
デジタル & アナログI/O 2
MAX31910 製造中 超低電力産業用、オクタル(8回路)、デジタル入力トランスレータ/シリアライザ
MAX31913 製造中 産業用、オクタル(8回路)、デジタル入力トランスレータ/シリアライザ
Modal heading
myAnalogに追加

myAnalogの製品セクション(通知受け取り)、既存/新規プロジェクトに製品を追加する。

新規プロジェクトを作成

ツールおよびシミュレーション

ソフトウェア開発 1


評価用キット

MAX31910EVKIT

MAX31910およびMAX31911の評価キット

機能と利点

  • MAX31910とMAX31911の評価が容易
  • 完全実装および試験済み
  • USB HIDインタフェース
  • デジタルアイソレータ
  • Windows XP® OSとWindows® 7 OSに対応したソフトウェア
  • RoHS準拠

製品詳細

MAX31910/MAX31911の評価キット(EVキット)は、インダストリアル、オクタルデジタル入力トランスレータ/シリアライザのMAX31910とMAX31911を評価する際に必要なハードウェアとソフトウェア(グラフィカルユーザーインタフェース)を提供します。このEVキットには、MAX31910AUI+またはMAX31911AUI+が実装され、デジタルアイソレータとUSB-SPIインタフェースも含まれています。
USB-SPIドングルは、EVキットソフトウェアとのやり取りに使用可能な単独のPCBです。このドングルはオプションであり、ユーザーがSPIインタフェースを用意している場合は、使用しなくてもMAX31910/MAX31911を正しく動作させることができます。
このEVキットは、対象ICの機能とパラメータの評価のみを目的としており、EMCテストに使用することはできません。

アプリケーション

  • ビルオートメーション
  • PLC用デジタル入力モジュール
  • 産業用オートメーション
  • モータ制御
  • プロセスオートメーション

MAX31911EVKIT

MAX31910およびMAX31911の評価キット

機能と利点

  • MAX31910とMAX31911の評価が容易
  • 完全実装および試験済み
  • USB HIDインタフェース
  • デジタルアイソレータ
  • Windows XP® OSとWindows® 7 OSに対応したソフトウェア
  • RoHS準拠

製品詳細

MAX31910/MAX31911の評価キット(EVキット)は、インダストリアル、オクタルデジタル入力トランスレータ/シリアライザのMAX31910とMAX31911を評価する際に必要なハードウェアとソフトウェア(グラフィカルユーザーインタフェース)を提供します。このEVキットには、MAX31910AUI+またはMAX31911AUI+が実装され、デジタルアイソレータとUSB-SPIインタフェースも含まれています。
USB-SPIドングルは、EVキットソフトウェアとのやり取りに使用可能な単独のPCBです。このドングルはオプションであり、ユーザーがSPIインタフェースを用意している場合は、使用しなくてもMAX31910/MAX31911を正しく動作させることができます。
このEVキットは、対象ICの機能とパラメータの評価のみを目的としており、EMCテストに使用することはできません。

アプリケーション

  • ビルオートメーション
  • PLC用デジタル入力モジュール
  • 産業用オートメーション
  • モータ制御
  • プロセスオートメーション

MAX31910EVKIT
MAX31910およびMAX31911の評価キット
MAX31911EVKIT
MAX31910およびMAX31911の評価キット

リファレンス・デザイン

maxrefdes12fig01
MAXREFDES12 Circuits from the Lab®

絶縁型産業用オクタル(8回路)デジタル入力変換器/シリアライザ

機能と利点

特長

  • 8つの高電圧入力チャンネル(最大36V)
  • SPI インターフェースによるオン・チップ8対1シリアライゼーション
  • 5V内蔵レギュレータ
  • 絶縁型の電源とデータ
  • 小面積のプリント回路基板(PCB
  • デバイス・ドライバ
  • C言語のサンプル・ソース ・コード
  • Pmod™互換のフォーム・ファクタ

アプリケーション

  • ビルディング・オートメーション
  • PLC用デジタル入力モジュール
  • 産業用オートメーション
  • モータ制御
  • プロセス・オートメーション

MAXREFDES12
絶縁型産業用オクタル(8回路)デジタル入力変換器/シリアライザ
maxrefdes12fig01
maxrefdes12fig00
maxrefdes12fig04

最新のディスカッション

最近表示した製品