LTM4739

新規設計に推奨

15VIN、シングル10AのPMBus対応降圧μModuleレギュレータ

利用上の注意

本データシートの英語以外の言語への翻訳はユーザの便宜のために提供されるものであり、リビジョンが古い場合があります。最新の内容については、必ず最新の英語版をご参照ください。

なお、日本語版のデータシートは基本的に「Rev.0」(リビジョン0)で作成されています。そのため、英語版が後に改訂され、複数製品のデータシートがひとつに統一された場合、同じ「Rev.0」の日本語版のデータシートが異なる製品のデータシートとして表示されることがあります。たとえば、「ADM3307E」の場合、日本語データシートをクリックすると「ADM3311E」が表示されます。これは、英語版のデータシートが複数の製品で共有できるように1本化され、「ADM3307E/ADM3310E/ADM3311E/ADM3312E/ADM3315E」(Rev.J)と改訂されたからで、決して誤ってリンクが張られているわけではありません。和文化されたデータシートを少しでも有効に活用していただくためにこのような方法をとっておりますので、ご了解ください。

アナログ・デバイセズ社は、提供する情報が正確で信頼できるものであることを期していますが、その情報の利用に関して、あるいはその利用によって生じる第三者の特許やその他の権利の侵害に関して一切の責任を負いません。また、アナログ・デバイセズ社の特許または特許の権利の使用を明示的または暗示的に許諾するものでもありません。仕様は予告なしに変更する場合があります。本紙記載の商標および登録商標は、各社の所有に属します。

Viewing:

製品情報

  • 1cm2(片面PCB)未満または0.5cm2(両面PCB)未満のフル機能ソリューション
  • 出力電流、出力電圧、入力電圧、ジャンクション温度のPMBusテレメトリ
  • 入力電圧範囲:3V~15V
  • 出力電圧範囲:0.4V~5.5V
  • 調整可能なリファレンス電圧:0.4V~0.8V(デフォルトは0.5V)
  • 12VIN、1.8VOUTでの連続出力電流:10A(TA = 90°C)
  • 12VIN、1VOUT、10A時の全負荷効率:90%
  • 温度変化に対する最大DC出力誤差:±1%
  • 広い周波数範囲:500kHz~2MHz
  • 内部補償
  • パワー・グッド・インジケータ
  • 定周波数ピーク電流モード制御
  • 差動リモート検出
  • シングルフェーズ・ポイントオブロード(POL)動作
  • 49ピン、6.25mm × 6.25mm × 5.07mm BGAパッケージ

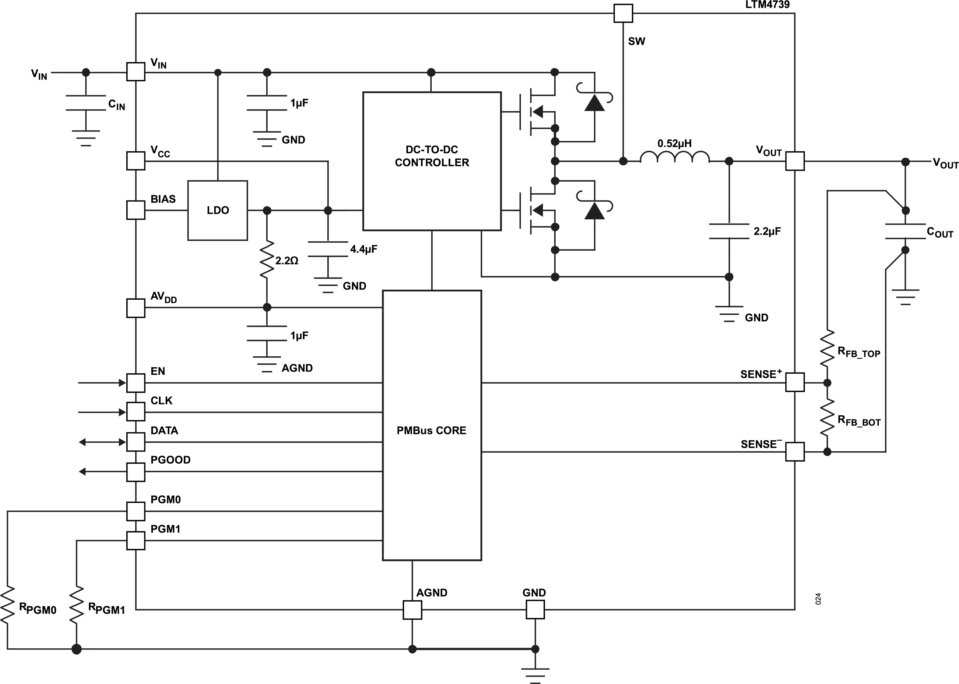
LTM4739は、6.25mm × 6.25mm × 5.07mmの小型ボール・グリッド・アレイ(BGA)パッケージに収容された、PMBusインターフェース対応のフル機能10A降圧スイッチング・モード・パワーμModule®(マイクロモジュール)レギュレータです。このパッケージには、スイッチング・コントローラ、パワーMOSFET、インダクタ、および補助部品が内蔵されています。LTM4739は3V~15Vの入力電圧範囲で動作し、出力電圧範囲0.4V~5.5Vをサポートしています。高効率設計により、最大10Aの連続出力電流を供給します。必要なのは、バルク入力コンデンサとバルク出力コンデンサだけです。スイッチング周波数は500kHz~2MHzの範囲で設定できるため、サイズおよび性能に関して設計を最適化できます。

また、オプションのBIAS入力ピンを備えているため、2.8V~5.5Vのバイアス入力電源を接続することで、効率を最適化できます。動作設定の選択および設定可能機能の選択は、2つのピンストラップ抵抗をPGMnピンとグラウンドの間に接続することで実行でき、後からPMBusコマンドを使用して調整することも可能です。LTM4739は、堅牢な設計を確保するために、正側および負側の過電流(POC/NOC)、出力過電圧(OV)、過熱(OT)など、複数の保護機能を備えています。LTM4739は、RoHS準拠の端子仕上げで提供されます。

アプリケーション

  • データ・センターの電源、サーバー、ストレージ
  • テレコム、ネットワーク、産業用機器
  • ポイントオブロード電圧レギュレータ

LTM4739
15VIN、シングル10AのPMBus対応降圧μModuleレギュレータ
LTM4739 Simplified Block Diagram LTM4739 Efficiency LTM4739 Typical Application LTM4739 Pin Configuration LTM4739 Chip Illustration
myAnalogに追加

myAnalogの製品セクション(通知受け取り)、既存/新規プロジェクトに製品を追加する。

新規プロジェクトを作成
質問する
サポート

アナログ・デバイセズのサポート・ページはアナログ・デバイセズへのあらゆるご質問にお答えするワンストップ・ポータルです。


ドキュメント

さらに詳しく
myAnalogに追加

myAnalogのリソース・セクション、既存/新規プロジェクトにメディアを追加する。

新規プロジェクトを作成

ソフトウェア・リソース

必要なソフトウェア/ドライバが見つかりませんか?

ドライバ/ソフトウェアをリクエスト

ツールおよびシミュレーション

LTspice 1


下記製品はLTspiceで使用することが出来ます。:

  • LTM4739
LTspice

LTspice®は、無料で提供される強力で高速な回路シミュレータと回路図入力、波形ビューワに改善を加え、アナログ回路のシミュレーションを容易にするためのモデルを搭載しています。

 


評価用キット

eval board
EVAL-LTM4739-AZ

LTM4739:15VIN、PMBus対応シングル10A降圧μModuleレギュレータ

機能と利点

  • フル機能シングルフェーズ・ポイントオブロード(POL)ソリューション
  • 12VIN、1VOUT、10A時の全負荷効率:90%
  • 出力電流、リファレンス電圧、入力電圧、ジャンクション温度のPMBusテレメトリ

製品詳細

EVAL-LTM4739-AZ評価用ボードには、LTM®4739(高効率、高電力密度、PMBusインターフェース搭載のフル機能シングル10A DC/DC降圧パワーμModule®(マイクロモジュール)レギュレータ)が搭載されています。LTM4739は、6.25mm × 6.25mm × 5.07mmの49ピン・ボール・グリッド・アレイ(BGA)パッケージで提供されます。EVAL-LTM4739-AZ評価用ボードを使用する際、またはハードウェアの変更を行う際は、事前にLTM4739 のデータシートを参照してください。

EVAL-LTM4739-AZの入力電圧範囲は3V~15V、出力電圧範囲は0.4V~5.5Vで、最大負荷電流は10Aです。出力電圧は、フィードバック信号抵抗分圧器またはPMBusのVOUT_COMMANDを介して調整されます(工場出荷時のデフォルト出力電圧は1Vです)。スイッチング周波数範囲は500kHz~2MHz(工場出荷時のデフォルト周波数は500kHz)で、PGM1のピンストラップ抵抗またはPMBusコマンドを使用して設定できます。PGM1ピンの抵抗値は、制御ループ補償パラメータの調整にも使用されます。PGM0ピンの抵抗値は、正の過電流(POC)保護のトリガ・レベルと、工場出荷時のデフォルトPMBusアドレス(0x39h)の設定に使用されます。工場出荷時のデフォルトのPOC保護では、ピーク・インダクタ電流制限が15Aに設定されます。周囲環境温度が高い場合、電流出力を下げなければならない場合があります(詳細についてはLTM4739のデータシートを参照してください)。

EVAL-LTM4739-AZ
LTM4739:15VIN、PMBus対応シングル10A降圧μModuleレギュレータ
EVAL-LTM4739-AZ Board Photo Angle View EVAL-LTM4739-AZ Board Photo Top View EVAL-LTM4739-AZ Board Photo Bottom View

最新のディスカッション

LTM4739に関するディスカッションはまだありません。意見を投稿しますか?

EngineerZone®でディスカッションを始める

最近表示した製品