LTC4009

製造中

高効率、マルチケミストリ・バッテリ・チャージャ

利用上の注意

本データシートの英語以外の言語への翻訳はユーザの便宜のために提供されるものであり、リビジョンが古い場合があります。最新の内容については、必ず最新の英語版をご参照ください。

なお、日本語版のデータシートは基本的に「Rev.0」(リビジョン0)で作成されています。そのため、英語版が後に改訂され、複数製品のデータシートがひとつに統一された場合、同じ「Rev.0」の日本語版のデータシートが異なる製品のデータシートとして表示されることがあります。たとえば、「ADM3307E」の場合、日本語データシートをクリックすると「ADM3311E」が表示されます。これは、英語版のデータシートが複数の製品で共有できるように1本化され、「ADM3307E/ADM3310E/ADM3311E/ADM3312E/ADM3315E」(Rev.J)と改訂されたからで、決して誤ってリンクが張られているわけではありません。和文化されたデータシートを少しでも有効に活用していただくためにこのような方法をとっておりますので、ご了解ください。

アナログ・デバイセズ社は、提供する情報が正確で信頼できるものであることを期していますが、その情報の利用に関して、あるいはその利用によって生じる第三者の特許やその他の権利の侵害に関して一切の責任を負いません。また、アナログ・デバイセズ社の特許または特許の権利の使用を明示的または暗示的に許諾するものでもありません。仕様は予告なしに変更する場合があります。本紙記載の商標および登録商標は、各社の所有に属します。

Viewing:

製品情報

  • 汎用バッテリ・チャージャ・コントローラ
  • 効率的な550kHz同期整流式降圧PWMトポロジー
  • ±0.5%の出力フロート電圧精度
  • プログラム可能な充電電流:精度4%
  • プログラム可能なACアダプタ電流制限:精度3%
  • セラミック・コンデンサで可聴ノイズなし
  • 広い入力電圧範囲:6V~28V
  • 広い出力電圧範囲:2V~28V
  • ACアダプタ接続、充電、C/10電流検出、入力電流制限を知らせるインジケータ出力
  • アナログ充電電流モニタ
  • マイクロパワー・シャットダウン
  • 熱特性が改善された20ピン4mm×4mm×0.75mm QFNパッケージ

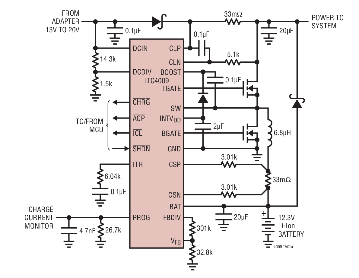
LTC4009は定電流/定電圧バッテリ・チャージャ・コントローラです。同期整流式、準固定周波数PWM制御アーキテクチャを採用しており、セラミックのバルク・コンデンサを使用した場合でも可聴ノイズを生成しません。充電電流は外付けのセンス抵抗、入力抵抗、プログラミング抵抗を組み合わせて設定されます。LTC4009ファミリは終端を内蔵していないので、外部制御の下に様々なバッテリを充電します。

LTC4009は完全に調整可能な出力電圧を特長とします。LTC4009-1とLTC4009-2は、直列1、2、3、4セルのリチウムイオン/ポリマー・バッテリ・パックのフロート電圧にピンで設定可能です。LTC4009-1は4.1V/セルの出力電圧を供給します。LTC4009-2は4.2V/セル・バージョンです。

このデバイスはACアダプタ入力電流制限機能を搭載し、固定された入力電力レベルまで充電レートを最大限に向上させます。外付けセンス抵抗で入力電流制限を設定し、ICLステータス・ピンがACアダプタ電流制限の結果、バッテリ充電電流が減少中であることを知らせます。

CHRGステータス・ピンはあらゆる充電モードでアクティブで、充電電流が少ないことを通知します。


アプリケーション

  • ノートブック・コンピュータ
  • 携帯機器
  • バッテリ・バックアップ・システム

LTC4009
高効率、マルチケミストリ・バッテリ・チャージャ
Efficiency at DCIN = 20V Product Package 1 Product Package 2
myAnalogに追加

myAnalogの製品セクション(通知受け取り)、既存/新規プロジェクトに製品を追加する。

新規プロジェクトを作成
質問する
サポート

アナログ・デバイセズのサポート・ページはアナログ・デバイセズへのあらゆるご質問にお答えするワンストップ・ポータルです。


ドキュメント

データシート

これは最新改訂バージョンのデータシートです。

さらに詳しく
myAnalogに追加

myAnalogのリソース・セクション、既存/新規プロジェクトにメディアを追加する。

新規プロジェクトを作成

ソフトウェア・リソース

必要なソフトウェア/ドライバが見つかりませんか?

ドライバ/ソフトウェアをリクエスト

ハードウェア・エコシステム

製品モデル 製品ライフサイクル 詳細
バッテリ・チャージャIC 1
LTM8061 新規設計に推奨 32V、2A µModule(パワー・モジュール)リチウムイオン/ポリマー・バッテリ・チャージャ
バッテリ・モニタ & 残量ゲージ 1
LTC2943 新規設計には非推奨 温度、電圧、電流を測定するマルチセル・バッテリ・ガスゲージ
保護スイッチ & コントローラ 3
LTC4365 新規設計に推奨 低電圧、過電圧および逆電源保護コントローラ
LTC2955 新規設計に推奨 自動電源投入機能を備えたプッシュボタン・オン/オフコントローラ
LTC4417 新規設計に推奨 優先順位付け PowerPath コントローラ
Modal heading
myAnalogに追加

myAnalogの製品セクション(通知受け取り)、既存/新規プロジェクトに製品を追加する。

新規プロジェクトを作成

ツールおよびシミュレーション

LTspice


下記製品はLTspiceで使用することが出来ます。:

  • LTC4009
  • LTC4009-1
  • LTC4009-2
LTspice

LTspice®は、無料で提供される強力で高速な回路シミュレータと回路図入力、波形ビューワに改善を加え、アナログ回路のシミュレーションを容易にするためのモデルを搭載しています。

 


評価用キット

eval board
DC1104B

LTC4009-2 マルチセル・リチウム・バッテリ・チャージャ・ボード

製品詳細

デモ回路 1104B は、LTC4009-2 を備える内蔵充電終了機能付き、​​単一バッテリ・スタンドアロン・チャージャ・コントローラです。入力電圧は、13.5V〜20 Vです。チャージャ出力電圧はジャンパによりプログラムされており、​4.2V/セルのセル電圧で、1、2、3、および 4 セル・リチウム・バッテリをサポートします。最大充電電流は 2A です。デモ用ボードは、12.6V リチウム・バッテリ用に初期設定されています。パワーアップ前に入力電源がバッテリにより供給されると、ボードは自動的にバッテリを充電します。このチャージャはスマート・バッテリ・チャージャではないもののステータス LED が CHG、ACP、C/10 および ICL 用に提供されています。 一般的なスマート・バッテリ・コネクタが装備され、​オプションの DC410 デモ・ボードとソフトウェアを使用するデータ・ロギングに使用されます。 つまり、このボードを使用するのにスマート・バッテリは必要ありません。オプションの DC410 SMBus-to-Serial ポート・アダプタおよび関連のソフトウェアは、スマート・バッテリ監視のデモ目的のみに使用されます。DC410 の注文については、アナログ・デバイセズの担当者にご連絡ください。このデモ用ボードは、シンプル IC スワップアウトでLTC4009 および LTC4009-1 をサポートできます。回路図を参照してください。


 

 

DC1104B
LTC4009-2 マルチセル・リチウム・バッテリ・チャージャ・ボード
DC1104B

最新のディスカッション

最近表示した製品