LTC3890-3

新規設計に推奨

低静止電流の60Vデュアル2フェーズ同期整流式降圧DC/DCコントローラ

利用上の注意

本データシートの英語以外の言語への翻訳はユーザの便宜のために提供されるものであり、リビジョンが古い場合があります。最新の内容については、必ず最新の英語版をご参照ください。

なお、日本語版のデータシートは基本的に「Rev.0」(リビジョン0)で作成されています。そのため、英語版が後に改訂され、複数製品のデータシートがひとつに統一された場合、同じ「Rev.0」の日本語版のデータシートが異なる製品のデータシートとして表示されることがあります。たとえば、「ADM3307E」の場合、日本語データシートをクリックすると「ADM3311E」が表示されます。これは、英語版のデータシートが複数の製品で共有できるように1本化され、「ADM3307E/ADM3310E/ADM3311E/ADM3312E/ADM3315E」(Rev.J)と改訂されたからで、決して誤ってリンクが張られているわけではありません。和文化されたデータシートを少しでも有効に活用していただくためにこのような方法をとっておりますので、ご了解ください。

アナログ・デバイセズ社は、提供する情報が正確で信頼できるものであることを期していますが、その情報の利用に関して、あるいはその利用によって生じる第三者の特許やその他の権利の侵害に関して一切の責任を負いません。また、アナログ・デバイセズ社の特許または特許の権利の使用を明示的または暗示的に許諾するものでもありません。仕様は予告なしに変更する場合があります。本紙記載の商標および登録商標は、各社の所有に属します。

Viewing:

製品情報

  • 広い入力電圧範囲:4V~60V(絶対最大定格:65V)
  • 低い動作時IQ:50μA(1チャネルがオンしているとき)
  • 広い出力電圧範囲:0.8V ≤ VOUT ≤ 24V
  • RSENSEまたはDCRによる電流検出
  • 位相をずらしたコントローラにより、入力容量と電源起因のノイズを低減
  • 位相同期可能な周波数(75kHz~850kHz)
  • プログラム可能な固定周波数(50kHz~900kHz)
  • 軽負荷時に連続動作、パルス・スキップ動作、低リップルBurst Mode®動作のいずれかを選択可能
  • ドロップアウト電圧の非常に低い動作:デューティ・サイクル99%
  • 出力電圧のソフトスタートまたはトラッキングを調整可能
  • パワーグッド出力による電圧モニタ
  • 低いシャットダウン時IQ:14μA未満
  • 内蔵のLDOがVINまたはEXTVCCからゲート駆動回路に電力を供給
  • 縦型SSOPパッケージ

LTC3890-3は、すべてのNチャネル同期パワーMOSFET段を駆動する、高性能デュアル降圧スイッチング・レギュレータDC/DCコントローラです。固定周波数電流モード・アーキテクチャにより、850kHzまでの周波数に位相同期可能です。電力損失および電源ノイズは、2つのコントローラ出力段の位相をずらして動作させることによって最小限に抑えられます。

無負荷時の静止電流が50μAなので、バッテリ駆動システムでの動作寿命が長くなります。OPTI-LOOP®補償回路により、幅広い出力容量値およびESR値にわたってトランジェント応答を最適化することができます。入力電源範囲が4V~60Vと広いので、さまざまな中間バス電圧および各種のバッテリ組成に対応します。

コントローラごとに独立しているTRACK/SSピンにより、出力電圧は起動時に緩やかに立ち上がります。電流モード制御により、短絡状態時のインダクタ電流が制限されます。また、PLLIN/MODEピンにより、軽負荷時の動作をBurst Mode動作、パルス・スキップ・モード動作、連続導通モード動作のいずれかに選択できます。

別の機能や追加機能を備えたいくつかのバージョンについては、このデータシートの「ピン機能」セクションにあるLTC3890ファミリのまとめ(表1)を参照してください。

LTC3890 LTC3890-1 LTC3890-2 LTC3890-3
Adjustable Current Limit Yes No Yes No
CLKOUT/PHASMD for
Multiphase Operation
Yes No Yes No
Number of PGood
Outputs
2 1 2 1
OVP – Bottom Gate
Crowbar
Yes Yes No No
Current Limit Foldback Yes Yes No No
Light Load Operation
when Synced to External
Clock
Forced Continuous Forced Continuous Pulse Skipping Pulse Skipping
SENSE Pins Common
Mode Range
Common Mode < 0.5V
Requires VFB < 0.65V
Common Mode < 0.5V
Requires VFB < 0.65V
Not Dependant on
VFB. Easy to make a
non-synchronous
Boost or SEPIC
Not Dependant on
VFB. Easy to make a
non-synchronous
Boost or SEPIC
Package 5X5 QFN-32 SSOP-28 5X5 QFN-32 SSOP-28

アプリケーション

  • 自動車用常時稼動システム
  • バッテリ駆動のデジタル装置
  • 分散DC電源システム

LTC3890-3
低静止電流の60Vデュアル2フェーズ同期整流式降圧DC/DCコントローラ
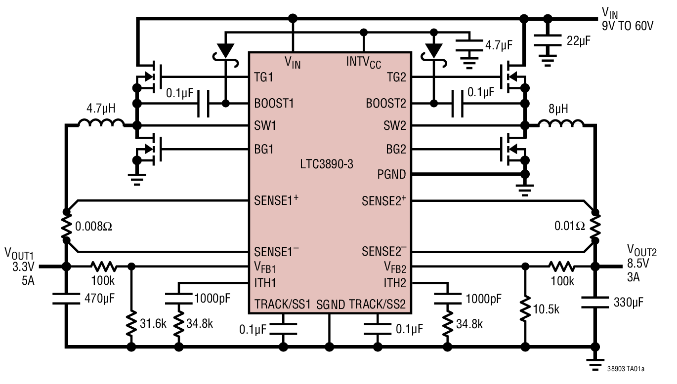
High Efficiency Dual 8.5V/3.3V Output Step-Down Converter Efficiency and Power Loss vs Output Current Product Package 1
myAnalogに追加

myAnalogの製品セクション(通知受け取り)、既存/新規プロジェクトに製品を追加する。

新規プロジェクトを作成
質問する
サポート

アナログ・デバイセズのサポート・ページはアナログ・デバイセズへのあらゆるご質問にお答えするワンストップ・ポータルです。


ドキュメント

データシート

これは最新改訂バージョンのデータシートです。

さらに詳しく
myAnalogに追加

myAnalogのリソース・セクション、既存/新規プロジェクトにメディアを追加する。

新規プロジェクトを作成

ソフトウェア・リソース

必要なソフトウェア/ドライバが見つかりませんか?

ドライバ/ソフトウェアをリクエスト

ハードウェア・エコシステム

製品モデル 製品ライフサイクル 詳細
パワー・システム・マネージメント(PSM) & シーケンサ 1
LTC2974 新規設計に推奨 正確な出力電流測定を特長とする4チャンネルPMBusパワーシステム・マネージャ
保護スイッチ & コントローラ 2
LT4363 新規設計に推奨 電流制限付き高電圧サージ・ストッパー
LTC4417 新規設計に推奨 優先順位付け PowerPath コントローラ
Modal heading
myAnalogに追加

myAnalogの製品セクション(通知受け取り)、既存/新規プロジェクトに製品を追加する。

新規プロジェクトを作成

ツールおよびシミュレーション

LTspice 1


下記製品はLTspiceで使用することが出来ます。:

  • LTC3890
  • LTC3890-1
  • LTC3890-2
  • LTC3890-3

LTpowerCAD

次のデバイス用の設計ツールがLTpowerCADでご使用になれます。

  • LTC3890
  • LTC3890-2
LTspice

LTspice®は、無料で提供される強力で高速な回路シミュレータと回路図入力、波形ビューワに改善を加え、アナログ回路のシミュレーションを容易にするためのモデルを搭載しています。

 


評価用キット

eval board
DC2299A-A

LTC3890EGN-3 Demo Board | 6V ≤ VIN ≤ 60V; VOUT1 = 5V @ 8A, VOUT2 = 12V @ 5A

製品詳細

Demonstration circuit 2299A is a high input voltage, high efficiency synchronous dual output buck converter featuring the LTC3890EGN. The DC2299A has a wide input voltage range of 6V to 60V. The output voltages are set to 5V and 12V, however, the output voltage can go as high as 24V, with certain modifications. This demo board is capable of delivering up to 8A from the 5V output and up to 5A from the 12V output.

DC2299A-A
LTC3890EGN-3 Demo Board | 6V ≤ VIN ≤ 60V; VOUT1 = 5V @ 8A, VOUT2 = 12V @ 5A
DC2299A - Schematic

最新のディスカッション

LTC3890-3に関するディスカッションはまだありません。意見を投稿しますか?

EngineerZone®でディスカッションを始める

最近表示した製品