LTC3826

製造中

消費電流30μA、デュアル、2フェーズ同期整流式降圧コントローラ

利用上の注意

本データシートの英語以外の言語への翻訳はユーザの便宜のために提供されるものであり、リビジョンが古い場合があります。最新の内容については、必ず最新の英語版をご参照ください。

なお、日本語版のデータシートは基本的に「Rev.0」(リビジョン0)で作成されています。そのため、英語版が後に改訂され、複数製品のデータシートがひとつに統一された場合、同じ「Rev.0」の日本語版のデータシートが異なる製品のデータシートとして表示されることがあります。たとえば、「ADM3307E」の場合、日本語データシートをクリックすると「ADM3311E」が表示されます。これは、英語版のデータシートが複数の製品で共有できるように1本化され、「ADM3307E/ADM3310E/ADM3311E/ADM3312E/ADM3315E」(Rev.J)と改訂されたからで、決して誤ってリンクが張られているわけではありません。和文化されたデータシートを少しでも有効に活用していただくためにこのような方法をとっておりますので、ご了解ください。

アナログ・デバイセズ社は、提供する情報が正確で信頼できるものであることを期していますが、その情報の利用に関して、あるいはその利用によって生じる第三者の特許やその他の権利の侵害に関して一切の責任を負いません。また、アナログ・デバイセズ社の特許または特許の権利の使用を明示的または暗示的に許諾するものでもありません。仕様は予告なしに変更する場合があります。本紙記載の商標および登録商標は、各社の所有に属します。

Viewing:

製品情報

  • 広い出力電圧範囲:0.8V ≤ VOUT ≤ 10V
  • 動作時の超低消費電流:(1つのチャネルがオン状態の場合)30μA
  • 位相非同調コントローラにより、必要な入力容量と電源によるノイズを低減
  • OPTI-LOOP®補償により、COUTを最小化
  • ±1%の出力電圧精度
  • 広いVIN範囲:4V~36V動作
  • フェーズロック可能な固定周波数:140kHz~650kHz
  • 軽負荷時に連続動作、パルススキップ動作または低リップルBurst Mode動作を選択可能
  • デュアルNチャネルMOSFET同期ドライブ
  • 低損失動作:99%デューティ・サイクル
  • 出力電圧のソフトスタートまたはトラッキングをプログラム可能
  • 出力電流フォールドバック制限
  • パワーグッド出力電圧モニタ
  • 出力過電圧保護
  • シャットダウン時の低消費電流:4μA
  • 内蔵LDO がVINまたはVOUTからゲートドライブに電力を供給
  • 小型5mm×5mm QFNパッケージ

LTC3826は、すべてNチャネルの同期整流式パワーMOSFET段をドライブする、高性能なデュアル降圧スイッチング・レギュレータ・コントローラです。固定周波数電流モード・アーキテクチャにより、最大650kHzまでのフェーズロック可能な周波数が可能です。2つのコントローラを位相をずらして動作させることによって、入力コンデンサのESRに起因する電力損失とノイズを最小限に抑えます。

無負荷時の消費電流が30μAなので、バッテリ駆動システムの動作時間を延ばします。OPTI-LOOP補償により、広範な出力容量とESR値に対して過渡応答の最適化を図ることができます。LTC3826は高精度0.8Vリファレンスとパワーグッド出力インジケータを搭載しています。4V~36Vという広い入力電源範囲により、あらゆる種類のバッテリに対応します。

各コントローラは個別のTRACK/SSピンを備え、起動時に出力電圧をランプアップします。短絡が発生した場合は、電流フォールドバックによってMOSFETの熱損失を制限します。

PLLIN/MODEピンにより、軽負荷時にBurst Mode動作、パルススキップ・モード、連続インダクタ電流モードのいずれかを選択します。リード付きパッケージ・バージョン(28ピンSSOP)については、LTC3826-1のデータシートを参照してください。


PGOOD
PolyPhase Defeatable Current Foldback Package
LTC3826 2 Yes Yes QFN-32
LTC3826-1 1 No No SSOP-28

アプリケーション

  • 車載システム
  • バッテリ駆動デジタル機器
  • 配電DCシステム

LTC3826
消費電流30μA、デュアル、2フェーズ同期整流式降圧コントローラ
High Efficiency Dual 8.5V/3.3V Step-Down Converter Efficiency and Power Loss  vs Load Current Product Package 1
myAnalogに追加

myAnalogの製品セクション(通知受け取り)、既存/新規プロジェクトに製品を追加する。

新規プロジェクトを作成
質問する
サポート

アナログ・デバイセズのサポート・ページはアナログ・デバイセズへのあらゆるご質問にお答えするワンストップ・ポータルです。


ドキュメント

データシート

これは最新改訂バージョンのデータシートです。

さらに詳しく
myAnalogに追加

myAnalogのリソース・セクション、既存/新規プロジェクトにメディアを追加する。

新規プロジェクトを作成

ソフトウェア・リソース

必要なソフトウェア/ドライバが見つかりませんか?

ドライバ/ソフトウェアをリクエスト

ハードウェア・エコシステム

製品モデル 製品ライフサイクル 詳細
回路モニタ 1
LTC2960 新規設計に推奨 36Vナノ電流2入力電圧モニタ
発振器 1
LTC6909 製造中 スペクトル拡散変調付き、1~8 出力、マルチフェーズ・シリコン発振器
保護スイッチ & コントローラ 2
LTC4365 新規設計に推奨 低電圧、過電圧および逆電源保護コントローラ
LTC4359 新規設計に推奨 逆入力保護機能を備えた理想ダイオード・コントローラ
Modal heading
myAnalogに追加

myAnalogの製品セクション(通知受け取り)、既存/新規プロジェクトに製品を追加する。

新規プロジェクトを作成

ツールおよびシミュレーション

LTspice 1


下記製品はLTspiceで使用することが出来ます。:

  • LTC3826
  • LTC3826-1
LTspice

LTspice®は、無料で提供される強力で高速な回路シミュレータと回路図入力、波形ビューワに改善を加え、アナログ回路のシミュレーションを容易にするためのモデルを搭載しています。

 


評価用キット

eval board
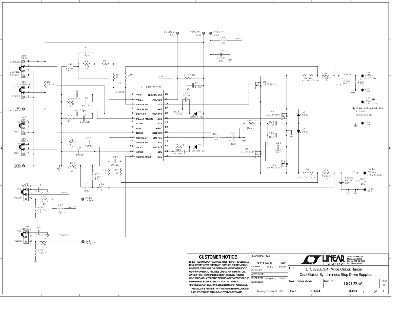
DC1235A

LTC3826EG| 30uA IQ, Dual, 2-Phase Synchronous Step-Down Controller

製品詳細

DC1235A: Demo Board for the LTC3826 30µA IQ, Dual, 2-Phase Synchronous Step-Down Controller.


 


DC1235A
LTC3826EG| 30uA IQ, Dual, 2-Phase Synchronous Step-Down Controller
DC1235A - Schematic

最新のディスカッション

LTC3826に関するディスカッションはまだありません。意見を投稿しますか?

EngineerZone®でディスカッションを始める

最近表示した製品