製品概要
製品概要
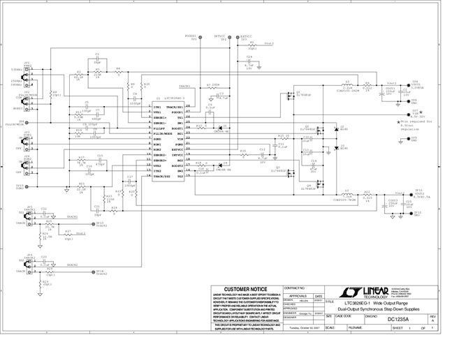
DC1235A: Demo Board for the LTC3826 30µA IQ, Dual, 2-Phase Synchronous Step-Down Controller.
対象となる製品
関連資料
- 
                                                                
                                                                    
                                                                                                                                            DC1235A - Schematic2009/09/24PDF48K
 
- 
                                                                
                                                                    
                                                                                                                                            DC1235A - Demo Manual2009/09/24PDF366K
 
- 
                                                                
                                                                    
                                                                                                                                            DC1235A - Design File2009/09/24ZIP866K
 
                                                