LTC3569

製造中

1.2A出力1個と600mA出力2個を備え、リファレンス電圧を個別に設定可能なトリプル降圧レギュレータ

利用上の注意

本データシートの英語以外の言語への翻訳はユーザの便宜のために提供されるものであり、リビジョンが古い場合があります。最新の内容については、必ず最新の英語版をご参照ください。

なお、日本語版のデータシートは基本的に「Rev.0」(リビジョン0)で作成されています。そのため、英語版が後に改訂され、複数製品のデータシートがひとつに統一された場合、同じ「Rev.0」の日本語版のデータシートが異なる製品のデータシートとして表示されることがあります。たとえば、「ADM3307E」の場合、日本語データシートをクリックすると「ADM3311E」が表示されます。これは、英語版のデータシートが複数の製品で共有できるように1本化され、「ADM3307E/ADM3310E/ADM3311E/ADM3312E/ADM3315E」(Rev.J)と改訂されたからで、決して誤ってリンクが張られているわけではありません。和文化されたデータシートを少しでも有効に活用していただくためにこのような方法をとっておりますので、ご了解ください。

アナログ・デバイセズ社は、提供する情報が正確で信頼できるものであることを期していますが、その情報の利用に関して、あるいはその利用によって生じる第三者の特許やその他の権利の侵害に関して一切の責任を負いません。また、アナログ・デバイセズ社の特許または特許の権利の使用を明示的または暗示的に許諾するものでもありません。仕様は予告なしに変更する場合があります。本紙記載の商標および登録商標は、各社の所有に属します。

Viewing:

製品情報

  • 3つの独立した電流モード降圧DC/DCレギュレータ(1.2Aおよび2×600mA)
  • 1本のピンで設定可能なVFBサーボ電圧:(25mVステップで)800mVから425mVまで
  • VFB =“H”にして各600mA降圧レギュレータをスレーブにすることにより、さらに高電流の動作を実現
  • パルススキップ動作またはBurst Mode®動作
  • プログラム可能なスイッチング周波数(1MHz~3MHz)または固定2.25MHz
  • 同期可能:1.2MHz~3MHz
  • VIN範囲:2.5V~5.5V
  • 全レギュレータが内部補償される
  • PGOOD出力フラグ
  • 消費電流<100μA(全レギュレータがBurst Mode動作の場合)
  • シャットダウン電流がゼロ
  • 過熱保護および短絡保護
  • 小型3mm × 3mm、3mm × 4mm 20ピンQFNパッケージおよび熱特性が改善されたTSSOP FE-16パッケージ

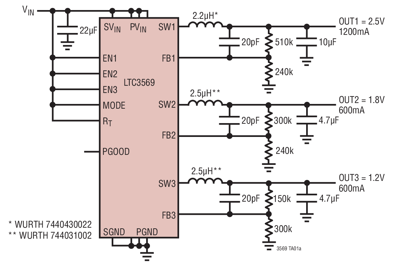
LTC3569は、3つのモノリシック同期整流式降圧DC/DCコンバータを内蔵しています。このデバイスは中電力アプリケーションを対象としており、2.5V~5.5Vの入力電圧範囲で動作します。動作周波数は1MHz~3MHzの範囲で調整可能なので、小型、低コストのコンデンサおよびインダクタを使用できます。ENピンを最大15回切り換え、800mVのFBリファレンス電圧をサイクルごとに25mVずつ下げることにより、3つの出力電圧を個別に設定できます。第1の降圧レギュレータは最大1200mAの負荷電流を供給します。他の2つの降圧レギュレータは、それぞれ600mAを供給します。

2つの600mA降圧レギュレータは、スレーブ・パワー段として動作させ、別の内部降圧レギュレータとの並列動作により、さらに大きな負荷電流を供給するよう構成することもできます。並列で動作する場合、スレーブ出力段、ディスクリート外付け部品は共有され、合計した出力電流が得られます。


アプリケーション

  • 複数の電源レールを備えた携帯アプリケーション
  • 汎用降圧DC/DCコンバータ
  • Dynamic Voltage Scalingアプリケーション

LTC3569
1.2A出力1個と600mA出力2個を備え、リファレンス電圧を個別に設定可能なトリプル降圧レギュレータ
Efficiency vs Load Current Product Package 1 Product Package 2 Product Package 3
myAnalogに追加

myAnalogの製品セクション(通知受け取り)、既存/新規プロジェクトに製品を追加する。

新規プロジェクトを作成
質問する
サポート

アナログ・デバイセズのサポート・ページはアナログ・デバイセズへのあらゆるご質問にお答えするワンストップ・ポータルです。


ドキュメント

データシート

これは最新改訂バージョンのデータシートです。

さらに詳しく
myAnalogに追加

myAnalogのリソース・セクション、既存/新規プロジェクトにメディアを追加する。

新規プロジェクトを作成

ソフトウェア・リソース

必要なソフトウェア/ドライバが見つかりませんか?

ドライバ/ソフトウェアをリクエスト

ハードウェア・エコシステム

製品モデル 製品ライフサイクル 詳細
パワー・システム・マネージメント(PSM) & シーケンサ 1
LTC2974 新規設計に推奨 正確な出力電流測定を特長とする4チャンネルPMBusパワーシステム・マネージャ
監視回路 & リセットIC 1
LTC2935 製造中 パワーフェール出力付き、スレッショルドを選択可能な超低消費電力モニタ
発振器 1
LTC6909 製造中 スペクトル拡散変調付き、1~8 出力、マルチフェーズ・シリコン発振器
保護スイッチ & コントローラ 2
LTC4417 新規設計に推奨 優先順位付け PowerPath コントローラ
LTC4365 新規設計に推奨 低電圧、過電圧および逆電源保護コントローラ
Modal heading
myAnalogに追加

myAnalogの製品セクション(通知受け取り)、既存/新規プロジェクトに製品を追加する。

新規プロジェクトを作成

ツールおよびシミュレーション

LTspice

LTspice®は、無料で提供される強力で高速な回路シミュレータと回路図入力、波形ビューワに改善を加え、アナログ回路のシミュレーションを容易にするためのモデルを搭載しています。

 


評価用キット

eval board
DC1340A

LTC3569EUD Demo Board | Triple Buck Regulator with 1.2A and Two 600mA Outputs and Individual Programmable References

製品詳細

Demonstration circuit 1340 is a triple output regulator consisting of three constant-frequency step-down converters integrated into LTC3569. DC1340 has an input voltage range of 2.5V to 5.5V, with regulators capable of delivering 1.2A or 600mA of load current on corresponding output. The three regulators operate independently with individual Enable pins and enter pulse skipping or burst mode at low loads for increasing efficiency. The DC1340 is a very efficient circuit with efficiency reading above 90%. High operating frequency of 2.25MHz allows exclusive use of the small size, low profile surface mount components. These features plus internal compensation circuits and extremely low quiescent current make the DC1340 demo board an ideal circuit for use in battery-powered, hand-held applications.

DC1340A
LTC3569EUD Demo Board | Triple Buck Regulator with 1.2A and Two 600mA Outputs and Individual Programmable References
DC1340A - Schematic

最新のディスカッション

最近表示した製品