LT3692A

製造中

モノリシック・デュアル・トラッキング 3.5A 降圧スイッチング・レギュレータ

利用上の注意

本データシートの英語以外の言語への翻訳はユーザの便宜のために提供されるものであり、リビジョンが古い場合があります。最新の内容については、必ず最新の英語版をご参照ください。

なお、日本語版のデータシートは基本的に「Rev.0」(リビジョン0)で作成されています。そのため、英語版が後に改訂され、複数製品のデータシートがひとつに統一された場合、同じ「Rev.0」の日本語版のデータシートが異なる製品のデータシートとして表示されることがあります。たとえば、「ADM3307E」の場合、日本語データシートをクリックすると「ADM3311E」が表示されます。これは、英語版のデータシートが複数の製品で共有できるように1本化され、「ADM3307E/ADM3310E/ADM3311E/ADM3312E/ADM3315E」(Rev.J)と改訂されたからで、決して誤ってリンクが張られているわけではありません。和文化されたデータシートを少しでも有効に活用していただくためにこのような方法をとっておりますので、ご了解ください。

アナログ・デバイセズ社は、提供する情報が正確で信頼できるものであることを期していますが、その情報の利用に関して、あるいはその利用によって生じる第三者の特許やその他の権利の侵害に関して一切の責任を負いません。また、アナログ・デバイセズ社の特許または特許の権利の使用を明示的または暗示的に許諾するものでもありません。仕様は予告なしに変更する場合があります。本紙記載の商標および登録商標は、各社の所有に属します。

Viewing:

製品情報

  • 広い入力電圧範囲:
    • 3V ~36Vで動作
    • OVLOにより60Vまでの過渡電圧から回路を保護
  • 各3.5Aレギュレータごとに、電源、シャットダウン、ソフトスタート、UVLO、プログラム可能な電流制限、プログラム可能なパワーグッドを搭載
  • ダイ温度モニタ
  • 同期クロック出力を備え、250kHz ~2MHzの調整可能/同期可能な固定周波数で動作
  • 独立した同期スイッチング周波数により、部品サイズを最適化
  • 逆位相スイッチング
  • 出力を並列接続可能
  • 柔軟な出力電圧トラッキング
  • 低損失電圧:最大95%のデューティサイクル
  • 5mm×5mm QFNパッケージ
  • FMEA準拠の露出パッド付き38ピンTSSOPパッケージ

LT3692Aは2個の3.8A スイッチを内蔵するデュアル電流モードPWM降圧DC/DCコンバータです。入力電圧、シャットダウン、帰還、ソフトスタート、UVLO電流制限、コンパレータのためのピンがチャネルごとに備わっているので、電源の複雑なトラッキングやシーケンス制御が簡単です。

効率と部品サイズを最適化するため、どちらのコンバータも最大電流制限値を設定可能で、共通の外部クロック入力または抵抗で設定可能な250kHz~2MHzの固定周波数の内部発振器のいずれかに同期します。LT3692Aはチャネル1 に分周器を搭載しているので、部品サイズをさらに最適化します。すべての周波数でチャネル間に180°の位相差が保たれるので、電圧リップルと部品サイズを低減します。また、クロック出力を使用して、複数のレギュレータを同期させることができます。

スイッチが複数のクロック・サイクルにわたってオンし、昇圧コンデンサの再充電が必要なときにだけオフすることが可能なので、最小入出力電圧比が改善されています。また、SHDNピンを使用して、独立したチャネル動作を設定可能です。両方のコンバータをディスエーブルすると、総消費電流が10μA未満に減少します。

LT3692AはLT3692の改良バージョンで、最小オン時間が短縮されています。

  Min On-Time Features Package
LT3692 180ns - 5 × 5 QFN-32
LT3692A 140ns Programmable Shutdown UVLO TSSOP-38E, 5 × 5 QFN-32

アプリケーション

  • 車載用電源
  • 分散型電源の安定化

LT3692A
モノリシック・デュアル・トラッキング 3.5A 降圧スイッチング・レギュレータ
3.3V and 1.2V 2-Stage Dual Step-Down Multi-Frequency Converter Independent Synchronized Switching Frequencies  Extend Full Frequency Input Range Product Package 1 Product Package 2
myAnalogに追加

myAnalogの製品セクション(通知受け取り)、既存/新規プロジェクトに製品を追加する。

新規プロジェクトを作成
質問する
サポート

アナログ・デバイセズのサポート・ページはアナログ・デバイセズへのあらゆるご質問にお答えするワンストップ・ポータルです。


ドキュメント

データシート

これは最新改訂バージョンのデータシートです。

さらに詳しく
myAnalogに追加

myAnalogのリソース・セクション、既存/新規プロジェクトにメディアを追加する。

新規プロジェクトを作成

ソフトウェア・リソース

必要なソフトウェア/ドライバが見つかりませんか?

ドライバ/ソフトウェアをリクエスト

ハードウェア・エコシステム

製品モデル 製品ライフサイクル 詳細
スイッチング・レギュレータ & コントローラ 1
LTC3880 新規設計に推奨 デジタル・パワー・システム・マネージメントを搭載したデュアル出力PolyPhase降圧DC/DCコントローラ
パワー・システム・マネージメント(PSM) & シーケンサ 1
LTC2974 新規設計に推奨 正確な出力電流測定を特長とする4チャンネルPMBusパワーシステム・マネージャ
回路モニタ 1
LTC2960 新規設計に推奨 36Vナノ電流2入力電圧モニタ
発振器 1
LTC6908 スペクトル拡散変調付き抵抗設定SOT-23発振器
保護スイッチ & コントローラ 1
LTC4364 新規設計に推奨 理想ダイオードを備えたサージ・ストッパー
Modal heading
myAnalogに追加

myAnalogの製品セクション(通知受け取り)、既存/新規プロジェクトに製品を追加する。

新規プロジェクトを作成

ツールおよびシミュレーション

LTspice 1


下記製品はLTspiceで使用することが出来ます。:

  • LT3692
  • LT3692A
LTspice

LTspice®は、無料で提供される強力で高速な回路シミュレータと回路図入力、波形ビューワに改善を加え、アナログ回路のシミュレーションを容易にするためのモデルを搭載しています。

 


評価用キット

eval board
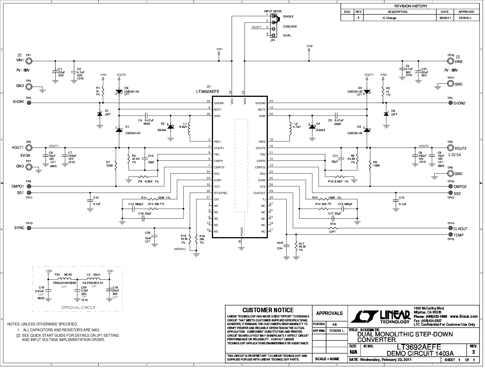
DC1403A

LT3692A Demo Board I 7V to 36V Input, VOUT1 = 5V @ 3A, VOUT2 = 3.3V @ 3A

製品詳細

Demonstration circuit 1403A is a dual current mode PWM step-down DC/DC converter featuring the LT3692A. The demo circuit is designed for 5V and 3.3V outputs from a 7V to 36V input. The current capability of each channel is up to 3A. Though the LT3692A has over-voltage protection to 60V, the demo board is not designed to highlight this feature.



DC1403A
LT3692A Demo Board I 7V to 36V Input, VOUT1 = 5V @ 3A, VOUT2 = 3.3V @ 3A
DC1403A - Schematic

最新のディスカッション

LT3692Aに関するディスカッションはまだありません。意見を投稿しますか?

EngineerZone®でディスカッションを始める

最近表示した製品