LT1976

製造中

消費電流100μA、高電圧1.5A、200kHz降圧スイッチング・レギュレータ

利用上の注意

本データシートの英語以外の言語への翻訳はユーザの便宜のために提供されるものであり、リビジョンが古い場合があります。最新の内容については、必ず最新の英語版をご参照ください。

なお、日本語版のデータシートは基本的に「Rev.0」(リビジョン0)で作成されています。そのため、英語版が後に改訂され、複数製品のデータシートがひとつに統一された場合、同じ「Rev.0」の日本語版のデータシートが異なる製品のデータシートとして表示されることがあります。たとえば、「ADM3307E」の場合、日本語データシートをクリックすると「ADM3311E」が表示されます。これは、英語版のデータシートが複数の製品で共有できるように1本化され、「ADM3307E/ADM3310E/ADM3311E/ADM3312E/ADM3315E」(Rev.J)と改訂されたからで、決して誤ってリンクが張られているわけではありません。和文化されたデータシートを少しでも有効に活用していただくためにこのような方法をとっておりますので、ご了解ください。

アナログ・デバイセズ社は、提供する情報が正確で信頼できるものであることを期していますが、その情報の利用に関して、あるいはその利用によって生じる第三者の特許やその他の権利の侵害に関して一切の責任を負いません。また、アナログ・デバイセズ社の特許または特許の権利の使用を明示的または暗示的に許諾するものでもありません。仕様は予告なしに変更する場合があります。本紙記載の商標および登録商標は、各社の所有に属します。

Viewing:

製品情報

  • 広い入力範囲:3.3V~60V
  • 1.5Aのピーク・スイッチ電流
  • バーストモード動作:消費電流100μA
  • 低いシャットダウン電流:IQ < 1μA
  • スレッショルドをプログラム可能なパワーグッド・フラグ
  • 60Vまでの負荷ダンプ保護
  • 200kHzのスイッチング周波数
  • 飽和スイッチ設計:0.2Ωのオン抵抗
  • デューティ・サイクル全域でピーク・スイッチ電流を維持
  • 1.25Vの帰還リファレンス電圧
  • 容易に同期可能
  • ソフトスタート機能
  • 熱特性が改善された小型の16ピンTSSOPパッケージ

LT1976は、最大60Vの入力電圧が可能な200kHzモノリシック降圧スイッチング・レギュレータです。高効率の1.5A、0.2Ωスイッチに加え、必要な発振器、制御回路、ロジック回路をすべて内蔵しています。電流モード方式を採用しているので、過渡応答が高速で、優れたループ安定性が得られます。 

特殊な設計技術と新しい高電圧プロセスを採用することで、広い入力範囲で高い効率を達成します。低電流時のバーストモード動作、内部回路をバイアスする出力、パワー・スイッチを完全に飽和させる電源ブースト・コンデンサを使用することにより、広い出力電流範囲で効率を維持します。また、特許取得の回路により、デューティ・サイクル全域でピーク・スイッチ電流を維持します。 シャットダウンによって消費電流を1μA以下に低減します。SYNCピンをロジックレベル入力でドライブすることにより、外部クロック・ソースに同期可能です。CSSピンから出力までの間に1個のコンデンサを配置することにより、出力電圧ランプを制御します(ソフトスタート)。また、このデバイスは、スレッショルドとタイムアウトをプログラム可能なパワーグッド・フラグとサーマル・シャットダウン保護機能を搭載しています。 

LT1976は露出パッド・リードフレームの16ピンTSSOPパッケージで供給されるので、熱抵抗が低減されます。また、LT1976の高スイッチング周波数(500kHz)バージョンであるLT1977も提供しています。LT1976とLT1977の選択に際しては、アプリケーション情報を参照ください。


アプリケーション

  • 高電圧電力変換
  • 14Vおよび42V車載システム
  • 産業用電力システム
  • 配電システム
  • バッテリー駆動システム

LT1976
消費電流100μA、高電圧1.5A、200kHz降圧スイッチング・レギュレータ
14V to 3.3V Step-Down Converter with 100μA No Load Quiescent Current LT1976 Supply Current vs Input Voltage Product Package 1 LT1976 Efficiency and Power Loss vs Load Current
myAnalogに追加

myAnalogの製品セクション(通知受け取り)、既存/新規プロジェクトに製品を追加する。

新規プロジェクトを作成
質問する
サポート

アナログ・デバイセズのサポート・ページはアナログ・デバイセズへのあらゆるご質問にお答えするワンストップ・ポータルです。


ドキュメント

データシート

これは最新改訂バージョンのデータシートです。

さらに詳しく
myAnalogに追加

myAnalogのリソース・セクション、既存/新規プロジェクトにメディアを追加する。

新規プロジェクトを作成

ソフトウェア・リソース

必要なソフトウェア/ドライバが見つかりませんか?

ドライバ/ソフトウェアをリクエスト

ハードウェア・エコシステム

製品モデル 製品ライフサイクル 詳細
回路モニタ 1
LTC2960 新規設計に推奨 36Vナノ電流2入力電圧モニタ
発振器 2
LTC6909 製造中 スペクトル拡散変調付き、1~8 出力、マルチフェーズ・シリコン発振器
LTC6930 製造中 32.768kHz~8.192MHzの高精度マイクロパワー発振器
保護スイッチ & コントローラ 1
LT4363 新規設計に推奨 電流制限付き高電圧サージ・ストッパー
Modal heading
myAnalogに追加

myAnalogの製品セクション(通知受け取り)、既存/新規プロジェクトに製品を追加する。

新規プロジェクトを作成

ツールおよびシミュレーション

LTspice 1


下記製品はLTspiceで使用することが出来ます。:

  • LT1976
  • LT1976B
LTspice

LTspice®は、無料で提供される強力で高速な回路シミュレータと回路図入力、波形ビューワに改善を加え、アナログ回路のシミュレーションを容易にするためのモデルを搭載しています。

 


評価用キット

eval board
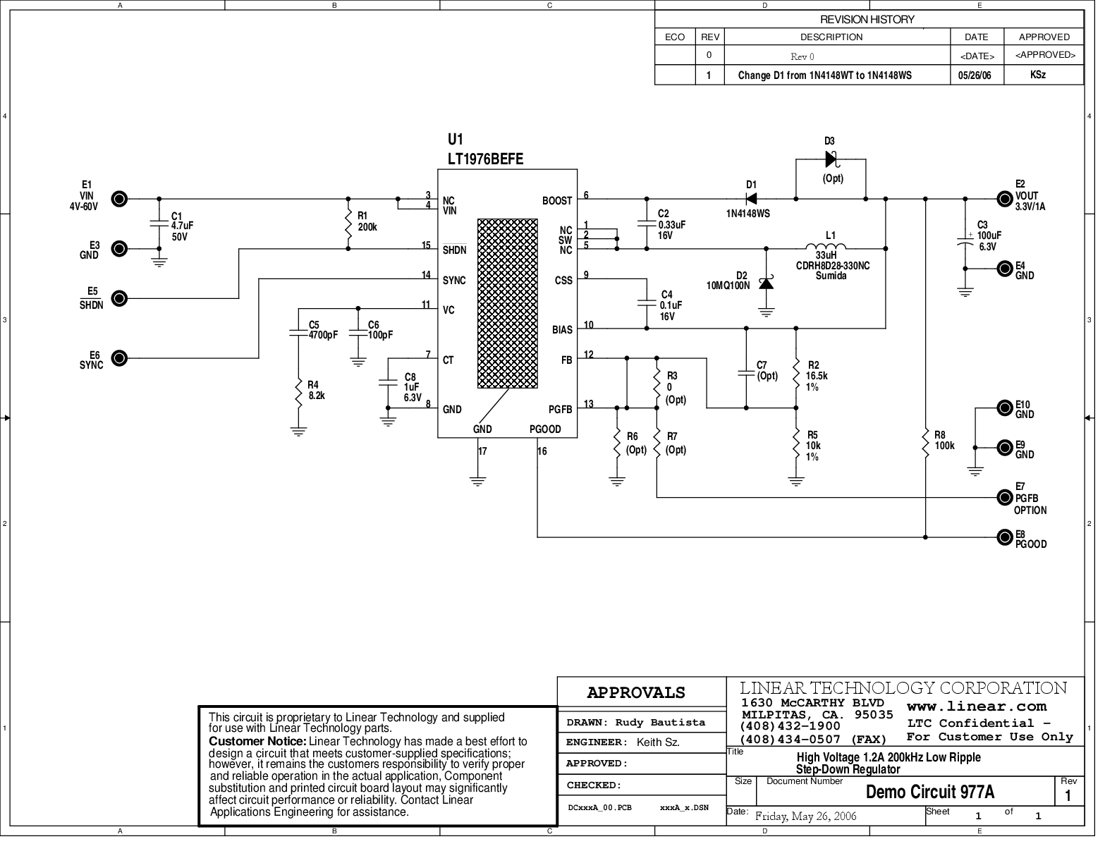
DC977A

LT1976BEFE Demo Board | 200kHz, Non-Burst Mode, 4V ≤ VIN ≤ 60V, 3.3VOUT @ 1A

製品詳細

Demonstration circuit 977 is a monolithic step-down DC/DC switching converter featuring the LT1976B. The LT1976B is the non-burst mode version of the LT1976 IC. The LT1976B operates down to zero load without burst mode resulting in the lowest ripple output over the full load current range. The board is optimized for 3.3V output at up to 1A load current for an input voltage range of 4V to 60V. Minimum on-time restrictions and 3.3V output may limit the steady state maximum input voltage (above which pulse-skipping occurs) to 42V.

eval board
DC481A

LT1976IFE Demo Board | 200kHz, 4V ≤ VIN ≤ 60V, 3.3VOUT @ 1A

製品詳細

Demonstration circuit 481 is a monolithic step-down DC/DC switching converter featuring the LT1976. The board is optimized for 3.3V output at up to 1A load current for an input voltage range of 4V to 60V. Minimum on-time restrictions and 3.3V output may limit the steady state maximum input voltage to 42V (up to 47V for some boards) before pulse skipping occurs.

DC977A
LT1976BEFE Demo Board | 200kHz, Non-Burst Mode, 4V ≤ VIN ≤ 60V, 3.3VOUT @ 1A
DC977A - Schematic
DC481A
LT1976IFE Demo Board | 200kHz, 4V ≤ VIN ≤ 60V, 3.3VOUT @ 1A
DC481A Demo Board DC481A Demo Board DC481A Demo Board DC481A Demo Board DC481A - Schematic

最新のディスカッション

LT1976に関するディスカッションはまだありません。意見を投稿しますか?

EngineerZone®でディスカッションを始める

最近表示した製品