製品概要
製品概要
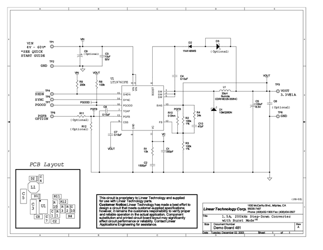
Demonstration circuit 481 is a monolithic step-down DC/DC switching converter featuring the LT1976. The board is optimized for 3.3V output at up to 1A load current for an input voltage range of 4V to 60V. Minimum on-time restrictions and 3.3V output may limit the steady state maximum input voltage to 42V (up to 47V for some boards) before pulse skipping occurs.
対象となる製品
関連資料
-
DC481A - Schematic2009/09/24PDF90K
-
DC481A - Demo Manual2009/09/24PDF583K
-
DC481A - Design File2009/09/24ZIP515K




