LT1777

製造中

低ノイズ降圧 スイッチング・レギュレータ

利用上の注意

本データシートの英語以外の言語への翻訳はユーザの便宜のために提供されるものであり、リビジョンが古い場合があります。最新の内容については、必ず最新の英語版をご参照ください。

なお、日本語版のデータシートは基本的に「Rev.0」(リビジョン0)で作成されています。そのため、英語版が後に改訂され、複数製品のデータシートがひとつに統一された場合、同じ「Rev.0」の日本語版のデータシートが異なる製品のデータシートとして表示されることがあります。たとえば、「ADM3307E」の場合、日本語データシートをクリックすると「ADM3311E」が表示されます。これは、英語版のデータシートが複数の製品で共有できるように1本化され、「ADM3307E/ADM3310E/ADM3311E/ADM3312E/ADM3315E」(Rev.J)と改訂されたからで、決して誤ってリンクが張られているわけではありません。和文化されたデータシートを少しでも有効に活用していただくためにこのような方法をとっておりますので、ご了解ください。

アナログ・デバイセズ社は、提供する情報が正確で信頼できるものであることを期していますが、その情報の利用に関して、あるいはその利用によって生じる第三者の特許やその他の権利の侵害に関して一切の責任を負いません。また、アナログ・デバイセズ社の特許または特許の権利の使用を明示的または暗示的に許諾するものでもありません。仕様は予告なしに変更する場合があります。本紙記載の商標および登録商標は、各社の所有に属します。

Viewing:

製品情報

  • プログラム可能なdI/dt制限 
  • 内部でdV/dtを制限 
  • 高入力電圧:最大48V 
  • ピーク・スイッチ電流定格:700mA 
  • 真の電流モード制御 
  • 固定動作周波数:100kHz 
  • 250kHzまで同期可能 
  • シャットダウン時に低消費電流:30μA 
  • 低熱抵抗16ピンSOパッケージ 

LT1777は、ノイズに敏感なアプリケーション用に設計されたバック(降圧)レギュレータです。スイッチング・パスにある小さな外付けインダクタによってプログラムされるdI/dt制限回路を備えています。内部回路も制御されたdV/dtランプ・レートを生成します。

モノリシックのダイには、すべての発振器、制御および保護回路が内蔵されています。このデバイスは最大48Vの入力電圧を受け入れることができ、定格ピーク電流700mAのスイッチを内蔵しています。電流モード制御は卓越したダイナミック入力電源除去と短絡保護を提供します。内部制御回路には通常VCCピンを通して電源が供給され、VIN電源から直接流れる電流を最小限に抑えています(アプリケーション情報を参照)。ヒューズド・リードのSO16パッケージと100kHzのスイッチング周波数により、PCボードの面積要求を小さくすることができます。 


アプリケーション

  • 自動車電話およびGPS受信機 
  • テレコム用電源 
  • 工業用計装電源 

LT1777
低ノイズ降圧 スイッチング・レギュレータ
Low Noise 5V Step-Down Supply VSW Switching Waveforms Product Package 1
myAnalogに追加

myAnalogの製品セクション(通知受け取り)、既存/新規プロジェクトに製品を追加する。

新規プロジェクトを作成
質問する
サポート

アナログ・デバイセズのサポート・ページはアナログ・デバイセズへのあらゆるご質問にお答えするワンストップ・ポータルです。


ドキュメント

データシート

これは最新改訂バージョンのデータシートです。

さらに詳しく
myAnalogに追加

myAnalogのリソース・セクション、既存/新規プロジェクトにメディアを追加する。

新規プロジェクトを作成

ソフトウェア・リソース

必要なソフトウェア/ドライバが見つかりませんか?

ドライバ/ソフトウェアをリクエスト

ハードウェア・エコシステム

製品モデル 製品ライフサイクル 詳細
パワー・システム・マネージメント(PSM) & シーケンサ 1
LTC2974 新規設計に推奨 正確な出力電流測定を特長とする4チャンネルPMBusパワーシステム・マネージャ
発振器 2
LTC6909 製造中 スペクトル拡散変調付き、1~8 出力、マルチフェーズ・シリコン発振器
LTC6930 製造中 32.768kHz~8.192MHzの高精度マイクロパワー発振器
保護スイッチ & コントローラ 1
LT4363 新規設計に推奨 電流制限付き高電圧サージ・ストッパー
Modal heading
myAnalogに追加

myAnalogの製品セクション(通知受け取り)、既存/新規プロジェクトに製品を追加する。

新規プロジェクトを作成

ツールおよびシミュレーション

LTspice


下記製品はLTspiceで使用することが出来ます。:

  • LT1777
LTspice

LTspice®は、無料で提供される強力で高速な回路シミュレータと回路図入力、波形ビューワに改善を加え、アナログ回路のシミュレーションを容易にするためのモデルを搭載しています。

 


評価用キット

eval board
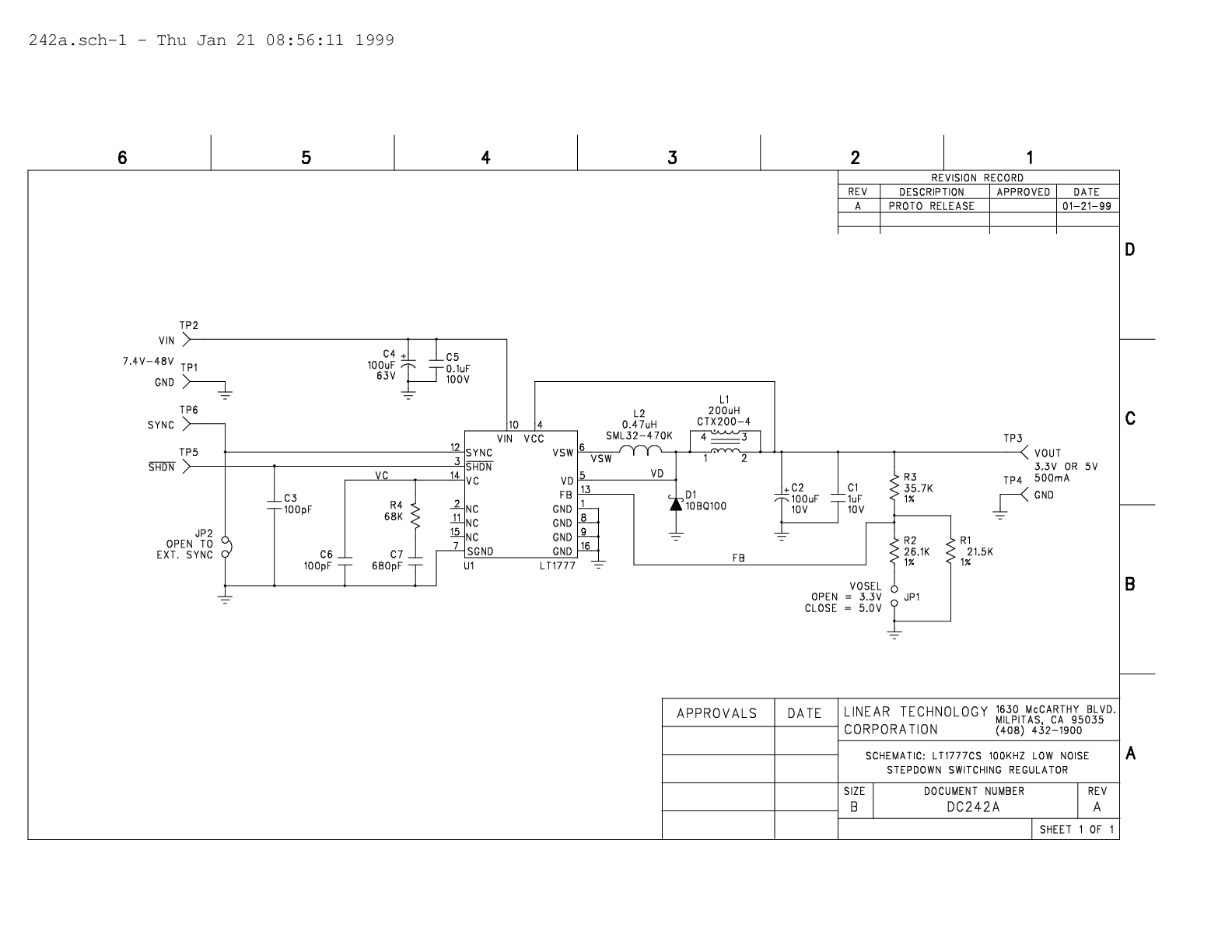
DC242A

LT1777CS | 100kHz Low Noise DC-DC Converter, 7.4V to 48V Input, 3.3V or 5VOUT @ 0.5A

製品詳細

DC242A: Demo Board for the LT1777 Low Noise Step-Down Switching Regulator.


 


DC242A
LT1777CS | 100kHz Low Noise DC-DC Converter, 7.4V to 48V Input, 3.3V or 5VOUT @ 0.5A
DC242A - Schematic

最新のディスカッション

最近表示した製品