Two engineers working in the lab

Save time and deliver your solutions faster with ADI’s new suite of precision technology signal chains. Align your applications ranging from Smart Industry to Instrumentation, Electrification to Digital Health, to exactly the right precision technology combinations.

Tailor your signal chain with confidence

AD8138

製造中

差動A/Dコンバータ・ドライバ、低歪み

利用上の注意

本データシートの英語以外の言語への翻訳はユーザの便宜のために提供されるものであり、リビジョンが古い場合があります。最新の内容については、必ず最新の英語版をご参照ください。

なお、日本語版のデータシートは基本的に「Rev.0」(リビジョン0)で作成されています。そのため、英語版が後に改訂され、複数製品のデータシートがひとつに統一された場合、同じ「Rev.0」の日本語版のデータシートが異なる製品のデータシートとして表示されることがあります。たとえば、「ADM3307E」の場合、日本語データシートをクリックすると「ADM3311E」が表示されます。これは、英語版のデータシートが複数の製品で共有できるように1本化され、「ADM3307E/ADM3310E/ADM3311E/ADM3312E/ADM3315E」(Rev.J)と改訂されたからで、決して誤ってリンクが張られているわけではありません。和文化されたデータシートを少しでも有効に活用していただくためにこのような方法をとっておりますので、ご了解ください。

アナログ・デバイセズ社は、提供する情報が正確で信頼できるものであることを期していますが、その情報の利用に関して、あるいはその利用によって生じる第三者の特許やその他の権利の侵害に関して一切の責任を負いません。また、アナログ・デバイセズ社の特許または特許の権利の使用を明示的または暗示的に許諾するものでもありません。仕様は予告なしに変更する場合があります。本紙記載の商標および登録商標は、各社の所有に属します。

Viewing:

製品情報

 

  • 使い易いシングルエンド-差動変換
  • 調整可能な出力同相モード電圧
  • 外部調整可能なゲイン
  • 低高調波歪み:
    • SFDR:-94dBc@5MHz
    • SFDR:-85dBc@20MHz
  • -3dB帯域幅:320MHz、G=+1
  • 高速セトリング時間:16ns(0.01%)
  • スルーレート:1150V/µs
  • 高速なオーバードライブ回復時間:4ns
  • 低い入力電圧ノイズ:5nV/√Hz
  • 詳細はデータシートを参照してください
AD8138-EPは、防衛および宇宙航空アプリケーション(AQEC)をサポートします。
  • AD8138-EPデータシート(英語pdf)はこちらからダウンロードできます。
  • 拡張温度範囲:-55℃~+105℃ 
  • 製造ベースラインにて制御
  • 組み立て/テストは同一工場
  • 製造工場は一箇所に限定
  • PCN(製品変更通知)を強化
  • 品質データは要求に応じて入手可能
  • DSCC図面番号: V62/12665-01XE

 

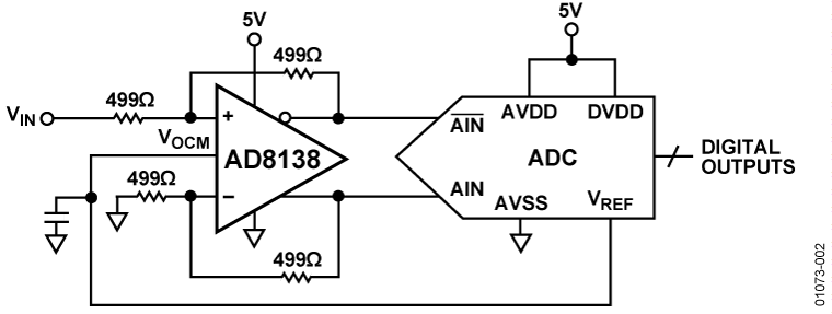
AD8138は、差動信号処理用として、オペアンプ全体に渡っての性能を向上させた製品です。AD8138は、シングルエンド-差動変換アンプとして、または差動-差動アンプとして使うことができます。AD8138はオペアンプのように使い方が容易で、非常に簡単に差動信号を増幅したりドライブしたりすることができます。AD8138は、アナログ・デバイセズ社独自のXFCBバイポーラ・プロセズで製造されており、-3dB帯域幅は320MHzで、入手可能な差動アンプとしては、最小の高調波歪み特性の差動信号を出力します。AD8138はユニークな内部帰還機能を持っており、この機能は出力ゲインと位相マッチングのバランスを提供し、偶数次の高調波を抑圧します。また内部フィードバック回路は、外付けのゲイン設定用抵抗のミスマッチによって引き起こされるゲイン誤差を最小限にします。

AD8138の差動出力は、差動A/Dコンバータの入力でのバランスを維持しA/Dコンバータの性能を最大化します。AD8138を使えば、高性能A/Dコンバータ用のトランスが不要で、低周波およびdcの情報も失わずにすみます。差動出力のコモンモード電圧レベルはVOCMピンに印加する電圧によって設定でき、単電源のA/Dコンバータを駆動するにあたって、入力信号を容易にレベルシフトできます。高速なオーバーロード・リカバリ特性はサンプリング精度を維持します。

AD8138の歪み特性は、AD8138を、高周波用、最先端技術の10ビット~16ビットコンバータを充分な歪み特性でドライブし、通信システムでのA/Dコンバータのドライバとして理想的な製品にしています。またAD8138の広帯域とIP3性能は、IFとベース・バンドの信号チェーンにおけるゲイン・ブロックとして用いるには最適な製品といえます。AD8138のオフセットとダイナミック性能は、さまざまなや信号処理アプリケーションやデータ・アクイジション・アプリケーションに適しています。

AD8138は、SOICとMSOPパッケージの両方が用意されており、-40℃~+85℃の温度範囲にわたって動作します。

AD8138-EPは防衛、宇宙航空アプリケーション(AQEC)をサポートします。

AD8138
差動A/Dコンバータ・ドライバ、低歪み
AD8138 Pin Configuration AD8138 Circuit Diagram
myAnalogに追加

myAnalogの製品セクション(通知受け取り)、既存/新規プロジェクトに製品を追加する。

新規プロジェクトを作成
質問する
サポート

アナログ・デバイセズのサポート・ページはアナログ・デバイセズへのあらゆるご質問にお答えするワンストップ・ポータルです。


ドキュメント

データシート 4

ユーザ・ガイド 2

アプリケーション・ノート 8

技術記事 2

製品ハイライト 1

よく聞かれる質問 1

さらに詳しく
myAnalogに追加

myAnalogのリソース・セクション、既存/新規プロジェクトにメディアを追加する。

新規プロジェクトを作成

ソフトウェア・リソース

必要なソフトウェア/ドライバが見つかりませんか?

ドライバ/ソフトウェアをリクエスト

ハードウェア・エコシステム

製品モデル 製品ライフサイクル 詳細
ADA4932-1 新規設計に推奨 差動A/Dコンバータ・ドライバ、低消費電力
Modal heading
myAnalogに追加

myAnalogの製品セクション(通知受け取り)、既存/新規プロジェクトに製品を追加する。

新規プロジェクトを作成

ツールおよびシミュレーション

高精度ADC ドライバ・ツール

高精度ADCドライバ・ツールは、高精度ADCとドライバを組み合わせたときの性能をシミュレートするWebアプリケーションです。ドライバの選択、キックバックのセトリング、歪みの潜在的な問題を明らかにし、設計のトレードオフを短時間で評価できます。システム・ノイズ、歪み、ADC入力のセトリングについてシミュレーションと計算ができます。

ツールを開く

ADI DiffAmpCalc™

ADIの差動アンプ用設計ツール「ADI DiffAmpCalc」は、システム設計者の皆さまに、無料でダウンロードしてお使いいただけます。このツールは、これまで何時間もかかかっていた差動アンプの設計時間を数分に短縮します。

ツールを開く

ADIsimRF

ADIsimRFは使いやすいRFシグナル・チェーン計算ツールです。最大50段までのシグナル・チェーンについて、カスケード・ゲイン、ノイズ、歪み、消費電力を計算し、プロット、エクスポートが可能です。ADIsimRFには、アナログ・デバイセズのRFおよびミックスド・シグナル部品のデバイス・モデルの広範なデータ・ベースも含まれています。

ツールを開く

ADI Circuit Explorer™

ADI Circuit Explorer™ uses AI to interpret natural language prompts and search a database of validated analog circuit designs, helping you quickly find the best match for your needs.

ツールを開く

Signal Chain Designer

Signal Chain Designerは、複雑な高精度シグナル・チェーンの構築、シミュレーションを行うために設計されたウェブベースのツールです。PCBを作成する前に、伝達関数、ノイズ、消費電力、入力範囲、DCエラーなど、回路の性能を確認できます。さまざまな部品やアーキテクチャを素早く試すことができます。シグナル・チェーンはLTspiceにエクスポートして更に解析を行うことができます。

ツールを開く

Keysight Genesys向けのSys-Parameterモデル

Sys-Parameterモデルは、デバイスの直線性と非直線性を明らかにするP1dB、IP3、ゲイン、ノイズ指数、リターン損失などの挙動パラメータを提供します。

ツールを開く

SPICEモデル 1


評価用キット

EVAL-FDA-1

Universal Evaluation Board for Single Differential Amplifiers

製品詳細

The Universal Differential Amplifier Evaluation Boards can be used to evaluate single, high speed, fully differential amplifiers. The evaluation boards are bare boards that enable users to quickly prototype a variety of differential or single-ended circuits, which minimizes risk and reduces time to market. These boards are all RoHs Compliant. See references below on what board to order by lead count and package.

EVAL-FDA-1
Universal Evaluation Board for Single Differential Amplifiers

最新のディスカッション

最近表示した製品