AD9915
RECOMMENDED FOR NEW DESIGNS2.5 GSPS Direct Digital Synthesizer with 12-bit DAC
- Part Models
- 2
- 1ku List Price
- Starting From $139.16
Overview
- 2.5 GSPS internal clock speed
- Integrated 12-bit DAC
- Frequency tuning resolution to 135 pHz
- 16-bit phase tuning resolution
- 12-bit amplitude scaling
- Programmable modulus
- Automatic linear and nonlinear frequency sweeping capability
- 32-bit parallel datapath interface
- 8 frequency/phase offset profiles
- Phase noise: −128 dBc/Hz (1 kHz offset at 978 MHz)
- Wideband SFDR < −57 dBc
- Serial or parallel input/output control
- 1.8 V/3.3 V power supplies
- Software and hardware controlled power-down
- 88-lead LFCSP package
- PLL REF CLK multiplier
- Phase modulation capability
- Amplitude modulation capability
- Multichip synchronization
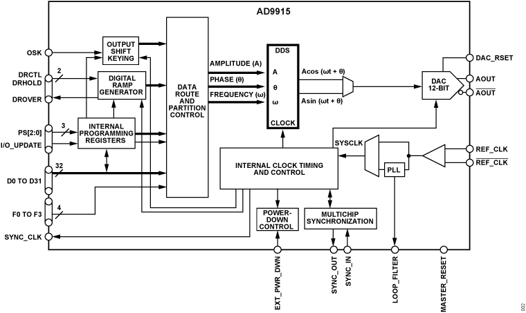
The AD9915 is a direct digital synthesizer (DDS) featuring a 12-bit DAC. The AD9915 uses advanced DDS technology, coupled with an internal high speed, high performance DAC to form a digitally programmable, complete high frequency synthesizer capable of generating a frequency-agile analog output sinusoidal waveform at up to 1.0 GHz. The AD9915 enables fast frequency hopping and fine tuning resolution (64-bit capable using programmable modulus mode). The AD9915 also offers fast phase and amplitude hopping capability. The frequency tuning and control words are loaded into the AD9915 via a serial or parallel input/output port. The AD9915 also supports a user defined linear sweep mode of operation for generating linear swept waveforms of frequency, phase, or amplitude. A high speed, 32-bit parallel data input port is included, enabling high data rates for polar modulation schemes and fast reprogramming of the phase, frequency, and amplitude tuning words.
The AD9915 is specified to operate over the extended industrial temperature range.
APPLICATIONS
- Agile LO frequency synthesis
- Programmable clock generator
- FM chirp source for radar and scanning systems
- Test and measurement equipment
- Acousto-optic device drivers
- Polar modulator
- Fast frequency hopping
Documentation
Data Sheet 1
User Guide 1
Application Note 1
ADI has always placed the highest emphasis on delivering products that meet the maximum levels of quality and reliability. We achieve this by incorporating quality and reliability checks in every scope of product and process design, and in the manufacturing process as well. "Zero defects" for shipped products is always our goal. View our quality and reliability program and certifications for more information.
| Part Model | Pin/Package Drawing | Documentation | CAD Symbols, Footprints, and 3D Models |
|---|---|---|---|
| AD9915BCPZ | 88-Lead LFCSP (12mm x 12mm w/ EP) | ||
| AD9915BCPZ-REEL7 | 88-Lead LFCSP (12mm x 12mm w/ EP) |
| Part Models | Product Lifecycle | PCN |
|---|---|---|
|
Apr 20, 2023 - 23_0018 Conversion of 12x12 LFCSP Package Outline from Punch to Sawn and Transfer of Assembly Site to UTAC Thailand |
||
| AD9915BCPZ | PRODUCTION | |
| AD9915BCPZ-REEL7 | PRODUCTION | |
|
Sep 14, 2021 - 20_0257 CANCELLED: Assembly Site Transfer of Select LFCSP Products to UTAC Thailand |
||
| AD9915BCPZ | PRODUCTION | |
| AD9915BCPZ-REEL7 | PRODUCTION | |
|
Jan 13, 2014 - 13_0260 AD9914 and AD9915 Datasheet specification change |
||
| AD9915BCPZ | PRODUCTION | |
| AD9915BCPZ-REEL7 | PRODUCTION | |
This is the most up-to-date revision of the Data Sheet.
Software Resources
Can't find the software or driver you need?
Request a Driver/SoftwareHardware Ecosystem
| Parts | Product Life Cycle | Description |
|---|---|---|
| Clock ICs 4 | ||
| LTC6953 | LAST TIME BUY | Ultralow Jitter, 4.5GHz Clock Distributor with 11 Outputs and JESD204B/JESD204C Support |
| LTC6951 | LAST TIME BUY | Ultralow Jitter Multi-Output Clock Synthesizer with Integrated VCO |
| LTC6952 | LAST TIME BUY | Ultralow Jitter, 4.5GHz PLL with 11 Outputs and JESD204B / JESD204C Support |
| HMC7044 | RECOMMENDED FOR NEW DESIGNS | High Performance, 3.2 GHz, 14-Output Jitter Attenuator with JESD204B and JESD204C Support |
| Fanout Buffers & Splitters 2 | ||
| LTC6955 | LAST TIME BUY | Ultralow Jitter, 7.5GHz, 11 Output Fanout Buffer Family |
| HMC7043 | RECOMMENDED FOR NEW DESIGNS |
High Performance, 3.2 GHz, 14-Output Fanout Buffer with JESD204B/JESD204C |
| Phase-Locked Loop (PLL) Synthesizers 1 | ||
| ADF4377 | RECOMMENDED FOR NEW DESIGNS | Microwave Wideband Synthesizer with Integrated VCO |
Tools & Simulations
ADIsimDDS (Direct Digital Synthesis)
ADIsimDDS uses mathematical equations to model and illustrate the overall performance of the selected device. ADIsimDDS calculates the required FTW, given the reference clock frequency and desired output frequency. This tool also models an estimate of the overall spectral performance, and allows the user to explore the effects of external reconstruction filters.
Open Tool