概览
优势和特点
- Analog Devices has worked closely with FPGA and processor manufacturers to develop verified power solutions that optimize cost, size and efficiency in high performance applications
- Our reference designs are supported by an intuitive design tool set and IP
- Our team can provide designs for quick prototypes that can speed time to market in the most complex applications
参考资料
-
DK-SI-4SGX230N SI Kit Schematic2014/8/4PDF901K
电路描述
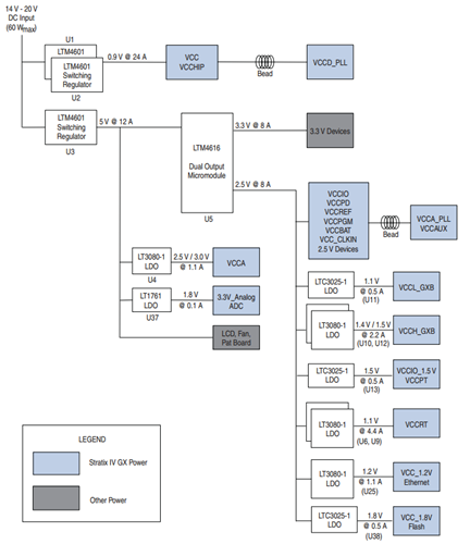
The Transceiver SI Development Kit, Stratix IV GX Edition enables a thorough evaluation of Stratix IV GX transceiver interoperability and serializer/deserializer (SERDES) signal integrity (SI) and performance from 600 Mbps to 8.5 Gbps.



