概览
设计资源
评估硬件
产品型号带"Z"表示符合RoHS标准。评估此电路需要下列选中的电路板
- EVAL-CN0276-SDPZ ($153.01) High Performance, 10-Bit to 16-Bit Resolver-to-Digital Converter
 - EVAL-SDP-CB1Z ($116.52) Eval Control Board
 
优势和特点
- 10位至16位旋变数字转换器
 - 高压和低压驱动选项
 - 最大跟踪速率为3125 rps
 
产品类别
领域和技术
所用产品
参考资料
- 
                                                                
                                                                    
                                                                                                                                            CN0276 Software User Guide2018/10/22WIKI
 
- 
                                                                
                                                                    
                                                                                                                                            MT-101:去耦技术2013/11/5PDF954 kB
 - 
                                                                
                                                                    
                                                                                                                                            MT-031: Grounding Data Converters and Solving the Mystery of "AGND" and "DGND"2009/3/20PDF144 kB
 - 
                                                                
                                                                    
                                                                                                                                            MT-030: 旋变数字转换器2009/3/20PDF57 kB
 
- 
                                                                
                                                                    
                                                                                                                                            CN0276:高性能、10位至16位旋变数字转换器2013/11/20PDF531 kB
 
电路功能与优势
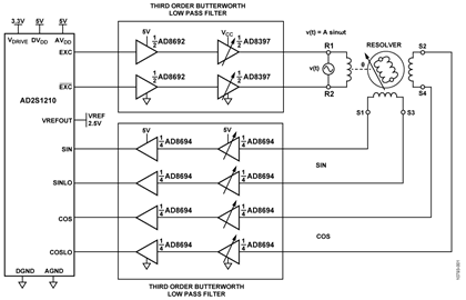
图1所示电路是一款完整的高性能旋变数字(RDC)电路,该电路可在汽车、航空电子和关键工业应用等要求宽温度范围内具有高稳定性应用的场合精确测量角度位置和速度。

该电路具有创新的旋变转子驱动器,提供两种工作模式:高性能和低功耗。在高性能模式下,系统采用 12 V单电源供电,能够为旋转变压器提供6.4 V rms (18 V p-p)的驱动信号。在低功耗状态下,系统采用 6 V单电源供电,能够为旋转变压器提供3.2 V rms (9.2 V p-p)的驱动信号,且系统功耗小于100 mA。驱动器和接收器均提供有源滤波,可较大程度减少量化噪声的影响。
10位模式下,RDC的最大跟踪速率为3125 rps(分辨率= 21 弧分);16位模式下为156.25 rps(分辨率= 19.8弧秒)。
电路描述
信号链设计时需仔细,不仅要考虑幅度和频率,还需注意相移和稳定性。此外,旋转变压器转子绕组的电抗具有阻性分量和感性分量。
AD2S1210 RDC激励信号频率范围为2 kHz至20 kHz,以250 Hz增量进行设置。大部分旋转变压器的额定激励频率固定,典型值为10 kHz左右。不同的旋转变压器具有不同的相移,信号链设计中必须予以考虑。
激励信号施加于旋变转子绕组,后者其实是一个非理想电感,典型电阻性分量为50 Ω至200 Ω,电抗性分量为0 Ω至200 Ω。例如,图1所示电路中的Tamagawa TS2620N21E11旋转变压器阻抗在10 kHz时为70Ω + j100Ω。
典型激励电压可高达20 V p-p (7.1 V rms),因此必须考虑旋变驱动器的最大电流和最大功耗。本电路选用AD8397 ,因为该器件具有宽电源范围(24 V)、高输出电流(采用±12 V电源时,输入32 Ω负载的峰值电流为310 mA)、轨到轨输出电压和低热阻封装(8引脚SOIC EP封装的θJA= 47.2°C/W)。
AD2S1210的激励输出信号来自内部DAC,该DAC会产生一定的量化噪声和失真。由于这个原因,双通道运算放大器AD8692 配置为三阶有源巴特沃兹滤波器,以便减少驱动信号噪声。类似地,SIN和COS接收器电路使用两个四通道运算放大器AD8694作为有源噪声滤波器。
信号链设计
信号链设计中必须考虑这些因素:
- AD2S1210激励信号输出范围:3.2 V(最小值)、3.6 V(典型值)、4.0 V(最大值)
 - AD8692 输出电压范围:0.29 V至4.6 V,+5 V电源供电时
 - AD8397 输出电压范围:0.18 V至5.87 V,+6 V电源供电时
 - AD8397 输出电压范围:0.35 V至11.7 V,+12 V电源供电时
 - 旋转变压器(TS2620N21E11)变压比:0.5
 - 旋转变压器(TS2620N21E11)相移:0°
 - AD8694 输出电压范围:0.37 V至4.6 V,+5 V电源供电时
 - AD2S1210输入差分峰峰值信号范围(SIN、COS):2.3 V(最小值)3.15 V(典型值)、4.0 V(最大值)
 - 旋转变压器输出SIN、COS负载应当相等
 - 旋转变压器输出负载应当至少等于旋转变压器输出阻抗的20倍
 - 总信号链相移范围:n × 180° − 44° ≤ φ ≤ n × 180° + 44°,n为整数
 
旋转变压器激励滤波器和驱动器电路
AD2S1210激励信号滤波器和功率放大器电路如图2所示。必须密切关注信号链路上每一部分的增益和信号电平,避免AD8397输出驱动器在AD2S1210的4.0 V p-p最大激励(EXE)下达到饱和。注意,由于以差分方式驱动旋转变压器,对应真正EXE输出和互补EXE输出分别有两个相同的通道,如图2所示。

AD8692滤波器电路的直流增益为−1。对于高性能模式(S1关闭),AD8397驱动器级的增益设为2.5(若使用实际可用电阻则为2.49),从而使用12 V电源供电时,4.0 V p-p EXE输入产生10 V p-p输出。这将允许AD8397的输出相对于每条供电轨可以有1 V裕量。对于低功耗模式(S1开启),增益设为1.28,从而使用6 V电源供电时,4.0 V p-p EXE输入产生5.12 V p-p输出。
ADG1612典型导通电阻小于1 ,适用于增益开关。但是,由于开关的关断电容典型值为72 pF,不应直接将其与运算放大器的输入相连。注意,在电路中,R6接地,电容关断时对性能的影响极小。
AD8692配置为多反馈(MFB)三阶巴特沃兹低通滤波器,相移范围为180° ± 15°。设计步骤见线性电路设计手册(第8章)。为该滤波器选择适当的运算放大器很重要。一般而言,运算放大器的增益带宽积应当至少比有源滤波器的–3dB截止频率大20倍。在这种情况下,截止频率为88 kHz,AD8692的增益带宽积为10 MHz,即截止频率的113倍。由于AD8692是一款CMOS运算放大器,其输入偏置电流极低,并且不会对滤波器的直流特性产生很大影响。输入电容为7.5 pF,可使滤波器设计中所选电容的截止频率影响降至低点
滤波器的−3dB截止频率为88 kHz,10 kHz时的相移为−13°,10 kHz的直流增益为1。
AD8397功率放大器增益可配置为1.28(低增益模式)或2.49(高增益模式)。低增益模式下,10 kHz时的相移等于−1.9°,而高增益模式下的相移等于−5.2°。
AD8692三阶低通滤波器传递函数如图3所示。

该滤波器可极为有效地降低驱动旋转变压器的激励信号所产生的噪声。图4显示的是10 kHz EXE信号,直接在AD2S1210的输出端进行测量。图5显示C3处测得的信号(输入至AD8397)以及滤波器过滤噪声的有效性。


图6和图7分别显示低功耗模式下和高性能模式下,在旋转变压器某个输入端测量的AD8397输出。注意,这些信号在旋转变压器输入的一侧测得,而施加于旋转变压器的实际差分信号具有双倍的幅度。


图7. 使用高性能模式时,旋转变压器输入端的信号
旋转变压器SIN/COS接收器电路和滤波器
图8显示接收器电路,包括三阶巴特沃兹滤波器和可编程增益级。驱动器电路处于高性能模式时(VCC = 12 V) ,S1开启,总增益为0.35。驱动旋转变压器的输入为18 V p-p(差分),而由于旋转变压器的转换比为0.5,因此 SIN/COS输出为9 V p-p差分。9 V p-p差分等于4.5 V p-p单端,当其乘以0.35增益系数时,可得1.58 V p-p(3.16 V p-p差分),适用于AD2S1210SIN/COS输入的最佳输入电压。类似地,在低功耗模式下,S1关断,总增益为 0.7,同样为AD2S1210的SIN/COS输入提供最佳输入信号电平。

除了提供增益调节,接收器电路还拥有截止频率为63 kHz、10 kHz时相移为−18.6°的三阶巴特沃兹滤波器特性。
低增益模式和高增益模式下滤波器的频率响应分别如图9和图10所示。


AD2S1210SIN/COS输入端的电压如图11所示(1.64 V p-p,3.28 V p-p差分) 。

图12显示AD2S1210EXC引脚(通道1,黄色)到SIN输入引脚(通道2,蓝色)之间的总相移约为40°,低于44° 的最大设计值。

自动模式检测电路
图13所示复位电路采用 ADM6328微处理器复位电路,可根据VCC电压值确定驱动器和接收器的增益。阈值电压设为如果VCC高于11.5 V,那么电路将切换到高性能模式。如果VCC低于11.5 V,那么电路切换到低功耗模式。
由于ADM6328功耗仅1 A,该器件可使用高阻抗R1/R3电阻分压器输出作为其电源,而不会产生很大的压降。

ADM6328 具有开漏输出,电阻R2用作上拉电阻。这样可以确保输出摆幅与VCC输入无关。ADM6328电源电压由下式确定

电路使用ADM6328-22,该器件典型阈值电压为2.2 V,最大值为2.25 V。最大VCC阈值电压为11.5 V,因此:

R1和R3分别选用1.6 Ω k 和390Ω ,比值为4.102。
旋转变压器驱动器功率放大器功耗
由于旋转变压器具有相对较低的阻抗和较大的VCC电压,了解AD8397驱动放大器的功耗非常重要,以确保满足最大功耗规格要求。AD8397安全工作的最大功耗受限于结温的升高。
塑封器件的最大安全结温由塑料的相变温度决定,约为150°C。即便只是暂时超过此限值,由于封装对芯片作用的应力改变,参数性能也可能会发生变化。
结温的上升可根据环境温度(TA)、封装热阻(θJA)和放大器功耗(PAMP)算出:

本电路使用AD8397ARDZ,该器件采用带裸露焊盘(EP)的8引脚SOIC封装,θJA= 47.2°C/W。
放大器功耗PAMP计算如下:从电源提供的功耗PSUPPLY中减去负载功耗PLOAD 旋变器转子绕组的等效负载阻抗等于:

可以首先计算来自电源的平均电流,从而算出电源提供的功耗。注意,这些计算忽略了运算放大器的静态电流,只考虑激励电流产生的电流。这些计算的等效电路如图14所示。

使用Tamagawa TS2620N21E11旋转变压器时,10 kHz下的阻抗为70 +j100 。在高性能状态下(VCC = 12 V、 A = 10 V),使用上述推导等式,可算得AD8397功耗为390 mW。 AD8397(EP封装)的结至环境热阻θJA为47.2°C/W,因此上升至环境温度以上的结温为47.2°C/W × 0.39W = 18.4°。
电源
整个电路采用+6 V或+12 V外部VCC供电,具体取决于工作模式。电路的5 V电源来自5 V、500 mA低压差调节器(LDO) ADP7104-5 。3.3 V ADP7104-3.3用于提供3.3 V电源。详细电源电路参见CN0276设计支持包中的完整原理图
PCB设计和布局考虑
不良布局会导致性能不佳,哪怕与RDC电路有关的频率较低。例如,虽然旋转变压器采用10 kHz激励信号工作,.AD2S1210的工作时钟为8.192 MHz;因此,进行布局、接地和去耦时,必须将其看作高速器件。教程MT-031 和 教程MT-101 详细讨论了这些话题
针对CN-0276提供设计支持包,包含完整的原理图、PA D和Gerber布局文件,以及物料清单。设计支持包位于: https://www.analog.com/CN0276-DesignSupport。
系统性能结果
测量电路整体系统噪声的一种好办法是固定旋转变压器位置,并生成输出代码直方图。应在禁用迟滞功能的情况下执行该测试。下图显示AD2S1210输出的码直方图(10/12/14/16位角度精度模式)。各种情况下均使用全16位RDC产生直方图,电路处于高性能模式下(VCC = +12 V)。
直方图显示,驱动器和接收器电路上集成低通滤波器的AD2S1210可在所有模式下获得高角度分辨率。




常见变化
CN-0276电路可用于各种类型的旋转变压器。为获得优质性能,设计人员应适当调整无源器件。使电路适应不同旋转变压器的基本原则是:
- 确保每个放大器输出保持在允许的电压范围内。
 - 确保没有元器件发生过压情况。例如,若旋转变压器输出电压对于ADG1611 开关而言过高,可以在电路的输入端串联一个电阻,如图8所示。
 - 确保总信号链相移保持在如下范围内:n× 180° − 44° ≤ φ ≤ n× 180° + 44°,其中n为整数。
 
在某些应用中,可加入一个电容并与旋转变压器的初级绕组并联连接,并选择适当的值,使其以工作频率与旋转变压器电感产生谐振。这会使负载表现为阻性。例如,电路中使用的旋转变压器在10 kHz下的电抗为100Ω,相当于1.6 mH电感。与初级端并联的160 nF电容使负载大约为70 ,这是阻抗的真实部分。
然而,在较高的频率下(但仍然在运算放大器的带宽范围内),运算放大器可能会因为容性负载而振荡。本应用中,必须仔细补偿运算放大器,从而使其在整个带宽内保持稳定。
电路评估与测试
本电路使用 EVAL-CN0276-SDPZ 电路板和 EVAL-SDP-CB1Z SDP-B 系统演示平台控制器板。这两片板具有120 引脚的对接连接器,可以快速完成设置并评估电路性能。 CN-0276 Evaluation Software to exchange the data from the EVAL-CN0276-SDPZ包含待评估电路;EVAL-SDP-CB1Z(SDP-B)与CN-0276评估软件一起使用,可交换来自EVAL-CN0276-SDPZ的数据
设备要求
需要以下设备
- 带USB端口的Windows® 7(或更新)PC
 - EVAL-CN0276-SDPZ电路板
 - EVAL-SDP-CB1ZSDP-B控制器板
 - CN-0276评估软件
 - 6 V/1 A台式电源
 - 12 V/1 A台式电源
 - Tamagawa TS2620N21E11旋转变压器
 
开始使用
将CN-0276评估软件光盘放进PC的光盘驱动器,加载评估软件。打开我的电脑,找到包含评估软件的驱动器。有关软件操作的详情请参见 CN0276软件用户指南。
功能框图
图19显示测试设置的功能框图。

设置
将EVAL-CN0276-SDPZ电路板上的120引脚连接器连接到 EVAL-CN0276-SDPZ控制器板(SDP-B)上的CON A连接器。使用尼龙五金配件,通过120引脚连接器两端的孔牢牢固定这两片板。在断电情况下,将一个6 V或12 V 电源连接到电路板上的VCC和GND引脚。SDP-B板附带的USB电缆连接到PC上的USB端口。此时请勿将该 USB电缆连接到SDP-B板上的微型USB连接器。将旋转变压器TS2620N21E11连接至EVAL-CN0276-SDPZ 电路板的J3。
测试
为连接到EVAL-CN0276-SDPZ的6 V或12 V电源通电。启动评估软件,并通过USB电缆将PC连接到EVAL-SDP-CB1Z上的微型USB连接器。
一旦USB通信建立,EVAL-SDP-CB1Z就可用来发送、接收、采集来自EVAL-CN0276-SDPZ的并行数据。图20为使用该电路测量位置和速度时的软件输出显示屏幕截图。
图20为使用该电路测量位置和速度时的软件输出显示屏幕截图。
图21显示EVAL-CN0276-SDPZ评估板的照片
有关测试设置、校准以及如何使用评估软件来捕捉数据的详细信息,请参阅CN-0276软件用户指南:


针对原型开发的连接
EVAL-CN0276-SDPZ评估板设计用于EVAL-SDP-CB1Z SDP-B板,但任何微处理器都可实现与 AD2S1210 (the user should set SOE 端口的对接(用户应将SOE引脚设为低电平,激活SPI接口)。为使另一个控制器能与EVAL-CN0276-SDPZ评估板一同使用,第三方必须开发相应的软件。
目前已有一些转接板能实现与Altera或Xilinx现场可编程门阵列(FPGAs)的接口。利用Nios驱动器,Altera的BeMicro SDK板能配合BeMicro SDK/SDP转接板一同使用。任何集成FMC连接器的Xilinx评估板均可与FMC-SDP转接板一同使用。
                                                
                                                
