SSM3582

不推荐用于新设计

2x31.76 W、数字输入、无滤波器D类立体声音频放大器


产品技术资料帮助

ADI公司所提供的资料均视为准确、可靠。但本公司不为用户在应用过程中侵犯任何专利权或第三方权利承担任何责任。技术指标的修改不再另行通知。本公司既没有含蓄的允许,也不允许借用ADI公司的专利或专利权的名义。本文出现的商标和注册商标所有权分别属于相应的公司。

Viewing:

概述

  • 数字输入立体声、高效率D类放大器
  • 采用4.5 V至16 V单电源供电
  • 先进的专有无滤波Σ-Δ调制
    • 信噪比:106.5 dB
    • 总谐波失真加噪声(THD + N):0.004%(5W,驱动至8 Ω负载时)
    • A加权输出噪声:38.5 μV rms
  • 爆音/免点击开/关顺序
  • 2× 14.67 W输出(采用12 V电源供电,驱动至4 Ω负载,<1% THD + N时)
  • 2× 14.4 W输出(采用16 V电源供电,驱动至8 Ω负载,<1% THD + N时)
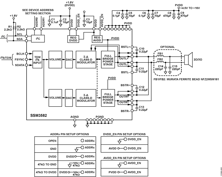
  • 单声道模式,以增加最大输出功率
  • 1× 49.69 W输出(采用16 V电源供电,驱动至2 Ω负载,<1% THD + N时)
  • 支持低阻抗负载
    • 低至3 Ω/5 μH(立体声模式)
    • 低至2 Ω/5 μH(单声道模式)
  • 高功效比
    • 驱动到8 Ω负载的效率为93.8%
    • 驱动到4 Ω负载的效率为90.6%
    • 12.34 mA静态电流,采用12 V PVDD单电源
  • 采用内部LDO执行单电源供电或可以使用外部5 V和1.8 V电源供电,以实现较低功耗
  • I2C控制和硬件模式,多达16个引脚可选插槽/地址
  • 支持的采样速率:8 kHz至192 kHz24位分辨率
  • 多种PCM音频串行数据格式
    • TDM从机单总线上支持多达16个器件
    • I2或左对齐从机
  • 可调满量程输出,为许多PVDD源量身定制
  • 2节和3节锂离子电池
  • 数字音量控制,具有可选平稳上升功能
  • 自动关断功能
  • 电源监控自动增益控制(AGC)功能降低了系统掉电
  • 不带I2C的独立工作模式
  • 通过I2C连接的温度传感器,具有1°C步进读出功能
  • 短路、欠压和热保护
  • 热预警
  • 上电复位
  • PVDD检测ADC
  • 40引脚、6 mm × 6 mm LFCSP封装,具有裸露焊盘

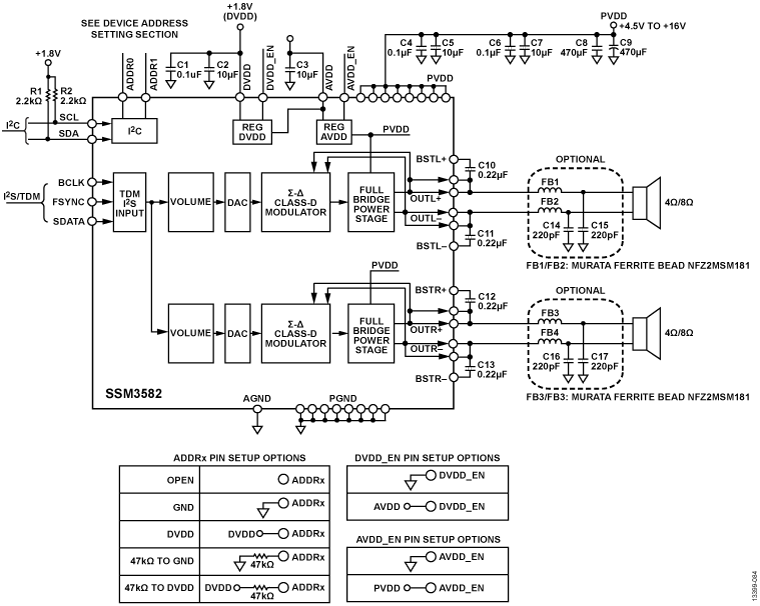
SSM3582是一款全集成式高效率、数字输入D类立体声音频放大器。它可以采用单电源供电,仅需极少的外部器件,能够大幅减少电路物料清单。

专有扩频Σ-Δ调制方案可直接连接到扬声器,确保较佳的模拟性能,同时与其它D类架构相比,可提供更低的辐射。可选的超低电磁干扰(EMI)模式极大降低了100 MHz以上的电磁辐射,可提供较长的扬声器电缆长度。音频通过数字化方式传输至放大器,从而较大程度地减小数字环境下的信号损坏可能性。该放大器提供出色的模拟性能,信噪比超过106 dB,0.004% THD + N相当低。

SSM3582采用4.5 V至16 V单电源供电,能够以不到1%的总谐波失真(THD)将2 × 15 W rms连续驱动至4 Ω和8 Ω负载。高效率调制方案在各种阻抗范围内保持出色的功效。驱动至8 Ω负载时的功率为93%,而驱动至4 Ω负载时的功率为90%。经优化的输出脉冲在阻抗低至3 Ω/5 μH时仍保持性能,可配合更宽的带宽tweeter使用。

脉冲码调制(PCM)音频串行端口支持最常见的协议,比如I2S、左对齐、时分多路复用(TDM),最多可选址单个接口上的16个器件,适用于多达32个音频回放通道。

IC操作通过专用I2C接口进行控制。两个ADDRx引脚(2倍5电平)在I2C和独立模式下定义多达16个独立的地址,自动设置默认的TDM插槽属性。

微功耗关断模式通过移除数字音频接口时钟进行触发,典型电流小于1 μA。它还提供软件关断模式。

当输入端不存在信号时,自动关断功能会关断放大器和数模转换器(DAC),从而在数字静音期间尽可能降低功耗。当输入端存在非零数据时,该器件将重启。静音和取消静音转换时无爆音/杂音。

SSM3582的额定温度范围为−40°C至+85°C商用温度范围。该器件内置热关断和输出短路保护功能、提前过热报警以及可编程增益限幅特性以维持工作。

SSM3582采用40引脚、6 mm × 6 mm引脚架构芯片级封装(LFCSP),配有热焊盘以改善散热。

应用

  • 移动计算
  • 一体化计算机
  • 便携式电子设备
  • 无线扬声器
  • 电视

此产品有一个更新版本

MAX98396 量产

20V、数字输入、DG类放大器,具有I/V检测和防掉电功能

此产品有一个更新版本

MAX98397 推荐用于新设计

具有 IVSENSE、超低 IQ 和掉电保护功能的 28V 数字输入 DG 类放大器

SSM3582

2x31.76 W、数字输入、无滤波器D类立体声音频放大器


SSM3582 Functional Block Daigram SSM3582 Pin Configuration SSM3582 Circuit Diagram SSM3582 Circuit Diagram
添加至 myAnalog

将产品添加到myAnalog 的现有项目或新项目中(接收通知)。

创建新项目
提问

参考资料

了解更多
添加至 myAnalog

Add media to the Resources section of myAnalog, to an existing project or to a new project.

创建新项目

软件资源

找不到您所需的软件或驱动?

申请驱动/软件

硬件生态系统

部分模型 产品周期 描述
MAX98396 量产 20V、数字输入、DG类放大器,具有I/V检测和防掉电功能
MAX98397 推荐用于新设计 具有 IVSENSE、超低 IQ 和掉电保护功能的 28V 数字输入 DG 类放大器
Modal heading
添加至 myAnalog

将产品添加到myAnalog 的现有项目或新项目中(接收通知)。

创建新项目

工具及仿真模型


评估套件

eval board
EVAL-SSM3582

SSM3582 评估板

特性和优点

  • 电压为 16 V 时可将 2 路 31.76 W 功率输入到 4 Ω 负载中,THD + N = 10%

产品详情

EVAL-SSM3582Z 是用于 SSM3582 或 SSM3582A 的评估板,它是一款具有数字输入的集成式立体声 31.76 W 高效率 D 级音频放大器。该评估板可用于 SSM3582 或 SSM3582A 器件。

应用电路需要很少的外部组件,并且可以由 4.5 V 至 16 V 的单电源供电。EVALSSM3582Z 能够将 12 V 电源提供的 14.67 W 连续输出功率传输到 4 Ω 的负载中(THD + N 为 <1%)或将 16 V 电源提供的 31.76 W 连续输出功率传输到 4 Ω 的负载中(THD + N 为 10%)。

SSM3582 和 SSM3582A 采用高效的低噪声调制方案,该方案无需外部重建滤波器 (LC) 输出滤波器。该方案即使在低输出功率下也能够提供高效率。

EVAL-SSM3582Z 和 SSM3582 或 SSM3582A 由 12 V 电源供电,以 93.8% 的效率向 8 Ω 负载输入 10 W 的功率或者以 90.6% 的效率向 4 Ω 负载输入 18 W 的功率。EVALSSM3582Z、SSM3582 和 SSM3582A 具有 38.5 µV rms A 加权典型本底噪声。

本用户指南介绍如何配置和使用 EVALSSM3582Z。请将本用户指南与 SSM3582 和 SSM3582A 数据手册配合阅读,这些数据手册提供了放大器的规格、内部方框图、寄存器映射和应用指南。

EVAL-SSM3582
SSM3582 评估板
EVAL-SSM3582Z (top) EVAL-SSM3582Z (bottom) EVAL-SSM3582Z_ANGLE-web

最新评论

需要发起讨论吗? 没有关于 SSM3582的相关讨论?是否需要发起讨论?

在EngineerZone®上发起讨论

近期浏览