MAX9268

最后购买期限

吉比特多媒体串行链路解串器,具有LVDS系统接口

单链路解串器,带有LVDS接口和集成控制通道,理想用于数字视频产品

产品技术资料帮助

ADI公司所提供的资料均视为准确、可靠。但本公司不为用户在应用过程中侵犯任何专利权或第三方权利承担任何责任。技术指标的修改不再另行通知。本公司既没有含蓄的允许,也不允许借用ADI公司的专利或专利权的名义。本文出现的商标和注册商标所有权分别属于相应的公司。

Viewing:

概述

  • 可以与任何GMSL串行器配合使用
  • 2.5Gbps载荷数据速率、交流耦合串行链路
  • 扰码8b/10b行编码
  • 支持24位色彩的WXGA (1280 x 800)分辨率
  • 8.33MHz至104MHz (3通道LVDS)或6.25MHz至78MHz (4通道LVDS)输出时钟
  • 4位至32位字长、8kHz至192kHz I²S音频通道支持高清音频信号
  • 内置半双工/全双工双向控制通道(100kbps至1Mbps)
  • 2路三电平输入支持9个器件地址
  • 中断信号支持显示面板的触摸屏功能
  • I²C主机用于外设控制
  • 串行链路输入端具有均衡器
  • LVDS输出和控制输出具有可编程扩频功能,有效降低EMI
  • 串行数据时钟恢复电路无需外部时钟
  • 自动数据速率检测允许实时修改数据速率
  • 内置PRBS发生器用于串行链路的BER测试
  • ISO 10605和IEC 61000-4-2 ESD保护
  • -40°C至+105°C工作温度范围
  • 1.8V至3.3V I/O电源、3.3V核电源
  • 专利申请中

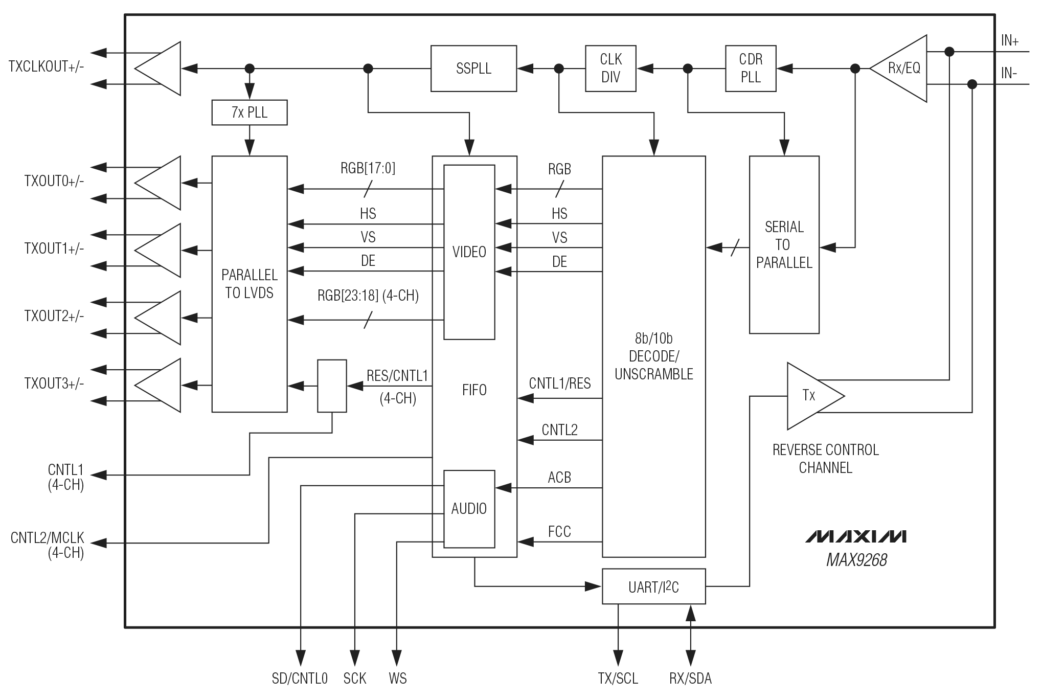
MAX9268解串器采用Maxim吉比特多媒体串行链路(GMSL)技术,具有LVDS系统接口,可有效减少引脚数、缩小封装面积,器件可以与任意一款GMSL串行器配合使用,构成完整的数字串行链路,实现高速视频、音频和双向控制数据的传输。

MAX9268采用15m屏蔽双绞线(STP)电缆传输时允许2.5Gbps的最大串行载荷数据速率。该款解串器的最大输出时钟速率可达104MHz (3通道LVDS)或78MHz (4通道LVDS)。串行链路支持QVGA (320 x 240)至WXGA (1280 x 800)甚至更高分辨率的24位色彩显示面板。

3通道模式下输出一路LVDS时钟信号以及由LVDS数据(21位)、UART控制信号和I²S音频通道构成的三路信号;4通道模式下输出一路LVDS时钟信号以及由LVDS数据(28位)、UART控制信号、I²S音频通道和辅助控制输出构成的四路信号。标准I²S接口由三路音频输出构成,支持8kHz至192kHz的采样速率和4位至32位的音频字长。内置控制通道在串行器与解串器之间构成100kbps至1Mbps、全双工、差分UART链路。电子控制单元(ECU)或微控制器(µC)可以放置在链路的串行器侧(通常用于视频显示)或者链路的MAX9268侧(通常用于图像检测),也可以放置在以上两侧。此外,控制通道能够使能背光控制、灰度gamma校准、摄像机模块和触摸屏等远端外设的ECU/µC控制。与外设之间的基本模式通信采用I²C或GMSL UART格式。此外,MAX9268还具有旁路模式,采用自定义UART格式实现全双工通信。

GMSL串行器的驱动器预加重功能结合MAX9268的通道均衡器能够有效延长链路距离,提高链路可靠性。扩展频谱功能可降低MAX9268的LVDS输出和控制输出端的EMI。串行输入符合ISO 10605和IEC 61000-4-2 ESD保护标准。

MAX9268的核电源为3.3V,I/O电源范围为1.8V至3.3V。MAX9268采用带有裸焊盘的48引脚TQFP封装(7mm x 7mm),工作在-40°C至+105°C汽车级温度范围。

应用

  • 高分辨率汽车导航
  • 兆像素照相系统
  • 后排座信息终端

MAX9268
吉比特多媒体串行链路解串器,具有LVDS系统接口
MAX9268 Functional Diagram MAX9268 Pin Configuration
添加至 myAnalog

将产品添加到myAnalog 的现有项目或新项目中(接收通知)。

创建新项目
提问

参考资料

了解更多
添加至 myAnalog

Add media to the Resources section of myAnalog, to an existing project or to a new project.

创建新项目

硬件生态系统

部分模型 产品周期 描述
串行器/解串器(SerDes)和千兆多媒体串行链路(GMSL) 3
MAX9257 预发布 可编程串行器/解串器,具有UART/I²C控制通道
MAX9259 最后购买期限 吉比特多媒体串行链路,提供扩频功能和全双工控制通道
MAX9247 最后购买期限 27位、2.5MHz至42MHz、直流平衡、LVDS串行器
Modal heading
添加至 myAnalog

将产品添加到myAnalog 的现有项目或新项目中(接收通知)。

创建新项目

工具及仿真模型


评估套件

MAX9268EVKIT

MAX9268评估板

特性和优点

  • 驱动LVDS视频和I²S音频数据
  • 板上I²S音频DAC (MAX9850)
  • 板上D类音频功率放大器(MAX9701)
  • Windows XP、Windows Vista以及Windows 7兼容软件
  • USB至PC连接器(包含电缆)
  • USB供电
  • 经过验证的PCB布局
  • 完全安装并经过测试

产品详情

MAX9268评估板(EV kit)提供经过验证的设计,用于评估MAX9268带有扩展频谱和全双工控制通道的吉比特多媒体串行链路(GMSL)。评估板还提供Windows XP®、Windows Vista®以及Windows® 7兼容软件,为评估MAX9268的性能提供简便的图形用户界面(GUI)。

MAX9268评估板安装了MAX9268GCM/V+。

如需评估完整的GMSL,请定购MAX9268评估板及其配套的MAX9249评估板或MAX9259评估板。

应用

  • 高分辨率汽车导航
  • 兆像素照相系统
  • 后排座信息终端

MAX9268EVKIT
MAX9268评估板

最新评论

需要发起讨论吗? 没有关于 MAX9268的相关讨论?是否需要发起讨论?

在EngineerZone®上发起讨论

近期浏览