MAX8879

过期

用于背光/闪光灯/RGB LED驱动的电荷泵,带有安全定时器

高效背光、闪光灯驱动器,可提供高达400mA闪光灯电流并具有安全定时器和3路RGB驱动器

产品技术资料帮助

ADI公司所提供的资料均视为准确、可靠。但本公司不为用户在应用过程中侵犯任何专利权或第三方权利承担任何责任。技术指标的修改不再另行通知。本公司既没有含蓄的允许,也不允许借用ADI公司的专利或专利权的名义。本文出现的商标和注册商标所有权分别属于相应的公司。

Viewing:

概述

  • 确保610mA连续驱动能力
    • 能够驱动4路LED,每路30mA,用于主屏
    • 能够驱动3路LED,每路30mA,用于子屏或RGB
    • 400mA的总驱动电流,用于闪光灯
  • 2线I²C串行接口
    • 5位(32级)线性亮度调节
    • 32k色
    • 上升/下降速率
  • 效率(PLED/PBATT)为92% (最大值)/83% (平均值)
  • 自适应1倍/1.5倍/2倍模式切换
  • 0.3% (典型值)的LED电流精度和匹配度
  • 低输入纹波和EMI
  • 0.1µA的低关断电流
  • 输出过压保护
  • I²C可编程闪光灯安全定时器
  • 高温降额功能保护LED
  • 24引脚、4mm x 4mm薄型QFN封装

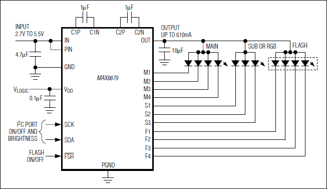
MAX8879能够以高达610mA的恒定总电流,为主屏背光、子屏背光(或RGB指示灯)和白光LED相机闪光灯提供完备的照明管理方案。通过自适应1倍/1.5倍/2倍电荷泵和超低压差电流调节器,该器件能够在1节Li+电池的输入电压范围内保持较高的效率。1MHz固定开关频率允许使用非常小的外部元件,同时优化了调节方案,可确保低EMI和低输入纹波。内置降额功能可避免LED在高环境温度下出现过热。

MAX8879集成了一个内部可调基准,用于设置最大LED电流。通过I²C串口实现开/关控制,并以32级线性方式设置主屏、子屏/RGB和电影模式的LED电流。当采用RGB指示灯时,I²C接口可提供32k色和可设置的上升/下降速率。照相机闪光灯的闪光灯模式可通过低电平有效FSH引脚上的低电平有效信号使能。安全定时器在低电平有效的FSH下降沿使能,分别具有无定时器、0.5s、1.0s或2.0s (缺省值)的I²C可调(可编程)的定时器周期。如果安全定时器超时,闪光灯和电影模式都将被禁止。

应用

  • 蜂窝电话与智能电话
  • 多达11个LED显示器
  • PDA、数码相机、便携式摄像机

MAX8879
用于背光/闪光灯/RGB LED驱动的电荷泵,带有安全定时器
MAX8879:典型工作电路
添加至 myAnalog

将产品添加到myAnalog 的现有项目或新项目中(接收通知)。

创建新项目
提问

参考资料

了解更多
添加至 myAnalog

Add media to the Resources section of myAnalog, to an existing project or to a new project.

创建新项目

软件资源

找不到您所需的软件或驱动?

申请驱动/软件

硬件生态系统

部分模型 产品周期 描述
LED 驱动器 IC 2
MAX8648 最后购买期限 可驱动6只白光/RGB LED的超高效电荷泵,3mm x 3mm薄型QFN封装
MAX8647 量产 可驱动6只白光/RGB LED的超高效电荷泵,3mm x 3mm薄型QFN封装
充电泵 1
MAX1707 过期 照明管理IC,提供高效的1倍/1.5倍/2倍电荷泵,用于背光/闪光灯/RGB LED
Modal heading
添加至 myAnalog

将产品添加到myAnalog 的现有项目或新项目中(接收通知)。

创建新项目

最新评论

需要发起讨论吗? 没有关于 MAX8879的相关讨论?是否需要发起讨论?

在EngineerZone®上发起讨论

近期浏览