MAX8873S

过期

低压差、120mA线性稳压器

产品技术资料帮助

ADI公司所提供的资料均视为准确、可靠。但本公司不为用户在应用过程中侵犯任何专利权或第三方权利承担任何责任。技术指标的修改不再另行通知。本公司既没有含蓄的允许,也不允许借用ADI公司的专利或专利权的名义。本文出现的商标和注册商标所有权分别属于相应的公司。

Viewing:

概述

  • LP2980 Pin-Compatible SOT23 Package
  • Low, 55mV Dropout Voltage at 50mA IOUT (130mV at 120mA)
  • Low, 73µA No-Load Supply Current
  • Low, 82µA Operating Supply Current (even in dropout)
  • Miniature External Components
  • Thermal Overload Protection
  • Output Current Limit
  • Reverse Battery Protection
  • Dual Mode Operation: Fixed or Adjustable (1.25V to 6.5V) Output
  • Low-Power Shutdown

应用

  • 音频系统
  • 无绳电话
  • 电子规划器
  • 手持式仪表(PDA、掌上电脑)
  • 调制解调器
  • 掌上电脑
  • PCMCIA卡
  • PCS电话

MAX8873S
低压差、120mA线性稳压器
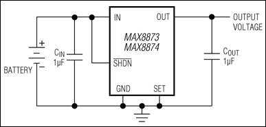
MAX8873R、MAX8873S、MAX8873T、MAX8874R、MAX8874S、MAX8874T:典型工作电路
添加至 myAnalog

将产品添加到myAnalog 的现有项目或新项目中(接收通知)。

创建新项目
提问

参考资料

了解更多
添加至 myAnalog

Add media to the Resources section of myAnalog, to an existing project or to a new project.

创建新项目

软件资源

找不到您所需的软件或驱动?

申请驱动/软件

最新评论

需要发起讨论吗? 没有关于 MAX8873S的相关讨论?是否需要发起讨论?

在EngineerZone®上发起讨论

近期浏览