MAX8722C

过期

低成本CCFL背光控制器

高效、优化于便携产品的CCFL控制器IC

产品技术资料帮助

ADI公司所提供的资料均视为准确、可靠。但本公司不为用户在应用过程中侵犯任何专利权或第三方权利承担任何责任。技术指标的修改不再另行通知。本公司既没有含蓄的允许,也不允许借用ADI公司的专利或专利权的名义。本文出现的商标和注册商标所有权分别属于相应的公司。

Viewing:

概述

  • 同步谐振频率
    • 延长灯管寿命
    • 保证可靠启辉
    • 较高的电能-光能转换效率
  • 宽输入电压范围(4.6V至28V)
  • 输入电压前馈,实现出色的电源抑制
  • 采用模拟接口实现精确的亮度控制
  • 10:1亮度调节范围
  • 可调节的高精度DPWM频率,带有同步功能
  • 可调节的灯管电流上升和下降时间
  • 次级电压限制,降低变压器压力
  • 带有可调超时的灯管移除保护
  • 带有可调超时的次级过流保护
  • 低成本、24引脚QSOP封装

MAX8722C集成背光控制器采用全桥谐振逆变器架构,优化用于驱动冷阴极荧光灯(CCFL)。在整个输入范围内,谐振工作能够保证可靠启辉,并提供近似正弦的驱动波形,以提高CCFL寿命。控制器工作在宽输入电压范围(4.6V至28V),具有较高的电能-光能转换效率。器件还具有安全特性,在发生灯管移除、短路等单点故障情况时能够提供有效保护。

MAX8722C采用数字脉冲宽度调制(DPWM)方式打开/关闭灯管电流,可以获得10:1的亮度调节范围。DPWM频率可由电阻精确调节或同步至外部信号,亮度由CNTL引脚上的模拟电压进行控制。器件直接驱动全桥逆变器的4个外部n沟道功率MOSFET。内部5.4V线性稳压器为MOSFET驱动器、DPWM振荡器和大部分内部电路供电。MAX8722C采用低成本、24引脚QSOP封装,工作在-40°C至+85°C温度范围。

应用

  • LCD监视器
  • LCD TV
  • 笔记本电脑显示器

MAX8722C
低成本CCFL背光控制器
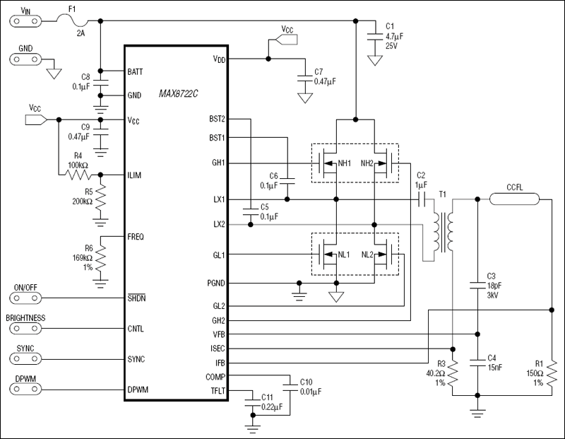
MAX8722C:典型工作电路
添加至 myAnalog

将产品添加到myAnalog 的现有项目或新项目中(接收通知)。

创建新项目
提问

参考资料

了解更多
添加至 myAnalog

Add media to the Resources section of myAnalog, to an existing project or to a new project.

创建新项目

软件资源

找不到您所需的软件或驱动?

申请驱动/软件

硬件生态系统

部分模型 产品周期 描述
灯管驱动器 1
MAX1995 高效率、宽亮度范围、CCFL背光控制器
Modal heading
添加至 myAnalog

将产品添加到myAnalog 的现有项目或新项目中(接收通知)。

创建新项目

最新评论

需要发起讨论吗? 没有关于 MAX8722C的相关讨论?是否需要发起讨论?

在EngineerZone®上发起讨论

近期浏览