MAX5963

预发布

双通道、7.5V至76V、热插拔控制器和二极管“或”逻辑控制器

业内首款7.5V至76V、热插拔控制器及二极管“或”逻辑控制器

产品技术资料帮助

ADI公司所提供的资料均视为准确、可靠。但本公司不为用户在应用过程中侵犯任何专利权或第三方权利承担任何责任。技术指标的修改不再另行通知。本公司既没有含蓄的允许,也不允许借用ADI公司的专利或专利权的名义。本文出现的商标和注册商标所有权分别属于相应的公司。

Viewing:

概述

  • 两路7.5V至76V热插拔电源
  • 集成低压降“或”逻辑控制器
  • ±5%精度、双电平有源限流/电路断路器
  • 可编程的限流/电路断路器超时
  • 10µA断电模式电流
  • 可保护多达2路的FireWire端口
  • 系统上电/断电“或”逻辑
  • 闭锁或自动重试电源管理
  • 独立的ON/OFF控制,允许欠压闭锁编程
  • 通过FOSO输入(FireWire端口)快速断开负载

MAX5963为双通道、热插拔和二极管“或”逻辑控制器,为双电源供电的高性能系统提供完整的保护。该器件工作于7.5V至76V电源,并为两路7.5V至76V输出提供热插拔和低压降二极管“或”功能。

MAX5963通过提供浪涌电流控制和有源限流使系统线卡和FireWire®外设能够安全地插入或拔出带电背板。器件控制外部n沟道功率MOSFET以实现低压降“或”逻辑、浪涌电流控制和限流功能。限流功能有效地限制负载吸收的电流,保护负载不受短路故障的影响。MAX5963还具有电路断路功能,如果负载电流在可编程的电路断路超时时间内超出电路断路门限,可将负载与电源断开。

MAX5963具有自动重试/闭锁输入。在自动重试模式下,MAX5963在可编程的延时之后自动重启关闭的通道。在闭锁模式下,MAX5963闭锁断开通道。

在系统断电模式下,MAX5963从PWR电源仅消耗低于10µA电流。

MAX5963采用40引脚TQFN封装(6mm x 6mm),工作在0°C至+85°C高于商业级温度范围。

应用

  • 基站线卡
  • 刀片式服务器
  • FireWire台式机/笔记本电脑端口
  • FireWire集线器
  • 网络交换机/路由器

MAX5963
双通道、7.5V至76V、热插拔控制器和二极管“或”逻辑控制器
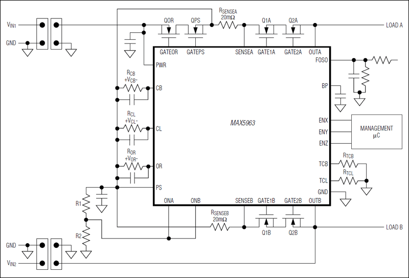
MAX5963:典型工作电路
添加至 myAnalog

将产品添加到myAnalog 的现有项目或新项目中(接收通知)。

创建新项目
提问

参考资料

了解更多
添加至 myAnalog

Add media to the Resources section of myAnalog, to an existing project or to a new project.

创建新项目

软件资源

找不到您所需的软件或驱动?

申请驱动/软件

最新评论

需要发起讨论吗? 没有关于 MAX5963的相关讨论?是否需要发起讨论?

在EngineerZone®上发起讨论

近期浏览