MAX2584A

过期

完备的RF至基带接收器

高度集成的低成本电话理想方案,适合亚洲和南美市场

产品技术资料帮助

ADI公司所提供的资料均视为准确、可靠。但本公司不为用户在应用过程中侵犯任何专利权或第三方权利承担任何责任。技术指标的修改不再另行通知。本公司既没有含蓄的允许,也不允许借用ADI公司的专利或专利权的名义。本文出现的商标和注册商标所有权分别属于相应的公司。

Viewing:

概述

  • 无需外部IF SAW滤波器
  • 内置RF VCO和PLL
  • 内部匹配
  • 经过优化的低电流模式
  • 与MAX2504A一起构成两芯片系统解决方案
  • 3dB典型LNA串联噪声系数
  • 小尺寸、48引脚fcLGA无铅封装(7mm x 7mm)
  • MAX2584A是高度集成的RF至基带接收器,支持蜂窝频段应用,如CDMA和OFDM。MAX2584A包括LNA、混频器、基带滤波器、PLL、VGA以及RF VCO。这一完整的接收器省去了其它接收器所需的大多数外部元件,如IF SAW滤波器和VCO。

    为了在最小电流下优化动态范围,MAX2584A可编程设置多个增益和线性度,每一种都针对最小电流进行优化,同时满足四个接收信号强度范围的灵敏度和线性度要求。

    MAX2584A采用7mm x 7mm、48引脚倒装芯片(fcLGA)封装,工作在扩展级-40°C至+85°C温度范围。

    应用

    • IS-2000 1xEV、EV-DO和EV-DV
    • IS-95 (CDMA)
    • OFDM系统

    MAX2584A
    完备的RF至基带接收器
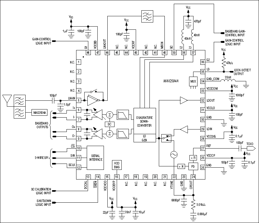
    MAX2584A:典型应用电路
    添加至 myAnalog

    将产品添加到myAnalog 的现有项目或新项目中(接收通知)。

    创建新项目
    提问

    参考资料

    技术文章 1

    申请保密协议

    完成保密协议(NDA)后可获得完整的文件。

    申请保密协议
    了解更多
    添加至 myAnalog

    Add media to the Resources section of myAnalog, to an existing project or to a new project.

    创建新项目

    软件资源

    找不到您所需的软件或驱动?

    申请驱动/软件

    硬件生态系统

    部分模型 产品周期 描述
    RF模拟变送器 1
    MAX2504A 完备的蜂窝基带至RF发送器,带有PA
    Modal heading
    添加至 myAnalog

    将产品添加到myAnalog 的现有项目或新项目中(接收通知)。

    创建新项目

    最新评论

    需要发起讨论吗? 没有关于 MAX2584A的相关讨论?是否需要发起讨论?

    在EngineerZone®上发起讨论

    近期浏览