MAX2582

完备的RF至基带接收器

高度集成的低成本电话理想方案,适合南美市场

产品技术资料帮助

ADI公司所提供的资料均视为准确、可靠。但本公司不为用户在应用过程中侵犯任何专利权或第三方权利承担任何责任。技术指标的修改不再另行通知。本公司既没有含蓄的允许,也不允许借用ADI公司的专利或专利权的名义。本文出现的商标和注册商标所有权分别属于相应的公司。

Viewing:

概述

  • 无需外部IF-SAW滤波器
  • 包括RF VCO和PLL
  • 片内匹配
  • 经优化的低电流模式
  • 与MAX2502构成双芯片系统解决方案
  • 3dB典型级联噪声系数
  • 小尺寸、48引脚fcLGA无铅封装(7mm x 7mm)

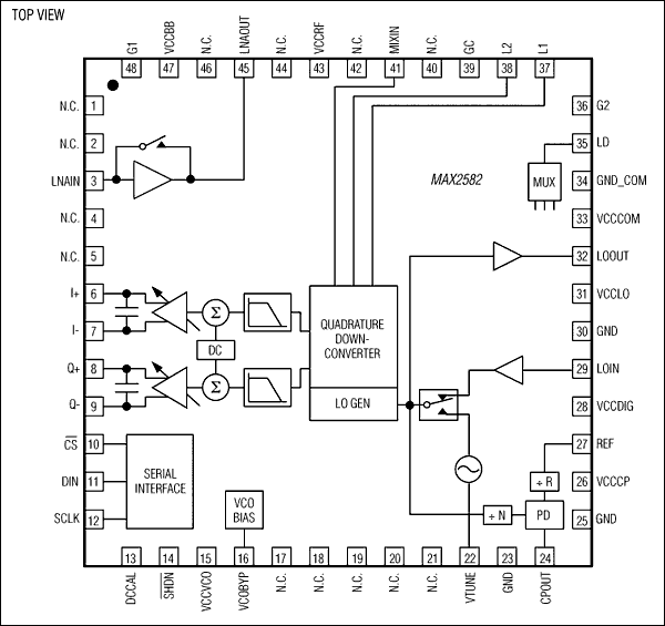
MAX2582是高集成度的RF至基带接收器,支持PCS频段应用,如CDMA和OFDM。MAX2582包括LNA、混频器、基带滤波器、PLL、VGA和RF压控振荡器(VCO)。这一完整的接收器省去了其它接收器所需的大部分外围器件,如IF-SAW滤波器和VCO。

为了在最小电流时优化动态范围,MAX2582可编程设置多种增益和线性度等级,每一种都针对最小电流进行优化,以满足4种接收信号强度范围的灵敏度和线性度要求。

MAX2582提供7mm x 7mm 48引脚无铅fcLGA封装,可工作于-40°C至+85°C扩展级温度范围。

应用

  • IS-2000 1xEV、EV-DO和EV-DV
  • IS-95 (CDMA)
  • OFDM

MAX2582
完备的RF至基带接收器
MAX2582:引脚配置/功能框图
添加至 myAnalog

将产品添加到myAnalog 的现有项目或新项目中(接收通知)。

创建新项目
提问

参考资料

技术文章 1

申请保密协议

完成保密协议(NDA)后可获得完整的文件。

申请保密协议
了解更多
添加至 myAnalog

Add media to the Resources section of myAnalog, to an existing project or to a new project.

创建新项目

软件资源

找不到您所需的软件或驱动?

申请驱动/软件

硬件生态系统

部分模型 产品周期 描述
RF模拟变送器 1
MAX2504A 完备的蜂窝基带至RF发送器,带有PA
Modal heading
添加至 myAnalog

将产品添加到myAnalog 的现有项目或新项目中(接收通知)。

创建新项目

最新评论

需要发起讨论吗? 没有关于 MAX2582的相关讨论?是否需要发起讨论?

在EngineerZone®上发起讨论

近期浏览