MAX2411A

最后购买期限

低成本、RF上/下变频器,带有LNA及PA驱动器

产品技术资料帮助

ADI公司所提供的资料均视为准确、可靠。但本公司不为用户在应用过程中侵犯任何专利权或第三方权利承担任何责任。技术指标的修改不再另行通知。本公司既没有含蓄的允许,也不允许借用ADI公司的专利或专利权的名义。本文出现的商标和注册商标所有权分别属于相应的公司。

Viewing:

概述

  • 采用低成本硅双极性设计
  • 集成上变频/下变频功能
  • 采用+2.7V至+5.5V单电源供电
  • 3.2dB组合接收器噪声系数:
    • 2.4dB (LNA)
    • 9.2dB(混频器)
  • 灵活的功率放大器驱动器:
    • 18dBm输出三阶交调截点(OIP3)
    • 35dB增益控制范围
  • 针对低LO驱动电平提供LO缓冲器
  • 低功耗:
    • 60mW(接收)
    • 90mW(全功率发射)
  • 0.3µW(关断模式)
  • 灵活的关断模式与MAX2510/MAX2511 IF收发器兼容

MAX2411A在时分双工(TDD)通信系统中执行RF前端发送/接收功能。其工作频率范围宽,并针对1.9GHz左右的RF频率进行了优化。应用包括常见的无绳和PCS标准。MAX2411A集成了低噪声放大器(LNA)、下变频混频器、本振缓冲器、上变频混频器和可变增益功率放大器(PA)驱动器,采用低成本塑料表贴封装。MAX2411A带有一个特别的双向、差分IF端口,允许发射和接收路径共用同一个IF滤波器,从而降低了成本并减少了元件数量。

LNA的典型噪声系数为2.4dB,输入三阶交调截点(IP3)为-10dBm。下变频混频器的低噪声系数为9.2dB,输入IP3为4dBm。图像和本振滤波在片外实现,以充分提高灵活性。PA驱动器放大器的增益为15dB,可以在35dB的范围内降低。接收模式下的功耗仅为60mW,发射模式下仅为90mW,在关断模式下会降至3µW以下。

对于需要单独的单端IF输入和输出端口的应用,请参考MAX2410数据手册。对于只需要接收功能的应用,Maxim提供带LNA的低成本下变频器(参见MAX2406数据手册)。

 

应用

  • DCS 1800或PCS 1900单模电话
  • DECT
  • 铱星手机
  • ISM波段收发器
  • PHS/PACS
  • PWT1900

MAX2411A
低成本、RF上/下变频器,带有LNA及PA驱动器
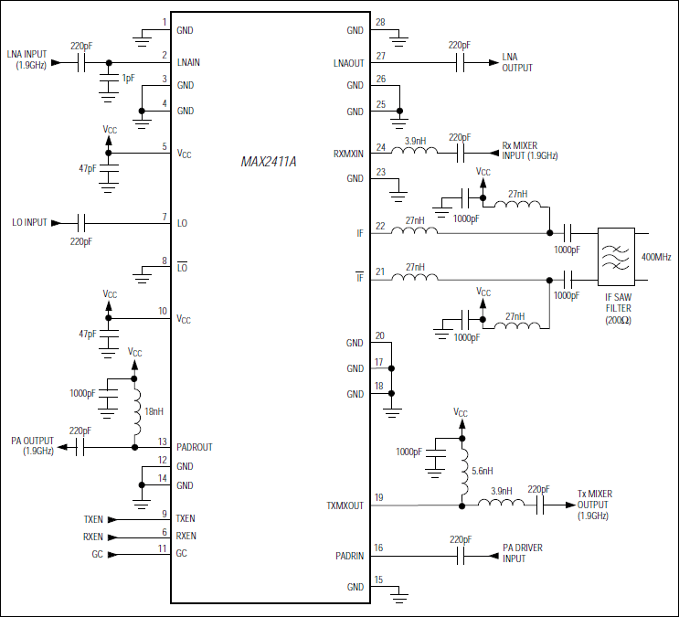
MAX2411A:典型工作电路
添加至 myAnalog

将产品添加到myAnalog 的现有项目或新项目中(接收通知)。

创建新项目
提问

参考资料

了解更多
添加至 myAnalog

Add media to the Resources section of myAnalog, to an existing project or to a new project.

创建新项目

软件资源

找不到您所需的软件或驱动?

申请驱动/软件

评估套件

MAX2411AEVKIT

MAX2411A评估板

特性和优点

  • +2.7V至+5.5V单电源供电
  • RF和IF端口上提供50Ω SMA输入和输出
  • 支持测试关断模式
  • 装配完成且经过测试

产品详情

MAX2411A评估套件(EV套件)简化了MAX2411A的测试。该评估套件可用于评估MAX2411A的低噪声放大器(LNA)、接收下变频混频器、发射上变频混频器、可变增益功率放大器(PA)驱动器和电源管理功能。

 

应用

  • DCS 1800或PCS 1900单模电话
  • DECT
  • 铱星手机
  • ISM波段收发器
  • PHS/PACS
  • PWT1900

MAX2411AEVKIT
MAX2411A评估板

最新评论

需要发起讨论吗? 没有关于 MAX2411A的相关讨论?是否需要发起讨论?

在EngineerZone®上发起讨论

近期浏览