MAX2163

预发布

ISDB-T 1段调谐器

提供-99dBm至0dBm动态范围,功耗只有80mW

产品技术资料帮助

ADI公司所提供的资料均视为准确、可靠。但本公司不为用户在应用过程中侵犯任何专利权或第三方权利承担任何责任。技术指标的修改不再另行通知。本公司既没有含蓄的允许,也不允许借用ADI公司的专利或专利权的名义。本文出现的商标和注册商标所有权分别属于相应的公司。

Viewing:

概述

  • 频率范围
    • UHF:470MHz至806MHz (UHFIN)
  • 低噪声系数:3.2dB (典型值)
  • 宽动态范围:-99dBm至0dBm
  • 可选择UHF跟踪滤波器
  • 集成VCO和频率合成器
  • 低LO相位噪声:10kHz下-87dBc/Hz
  • 集成可变带宽的低IF滤波器
  • 镜频抑制大于40dB
  • +2.4V至+3.47V单电源供电
  • 低功耗:+2.5V下80mW (典型值)
  • 2线I²C串行接口
  • 低功耗关断模式和待机模式

MAX2163低IF调谐器IC设计用于ISDB-T 1段应用。MAX2163利用宽带I/Q下变频器直接将UHF波段的信号转换到低IF。其工作频率范围可扩展到470MHz至806MHz UHF波段。

MAX2163内部包括:LNA、RF可变增益放大器、I和Q下变频混频器、基带可变增益放大器以及低IF滤波器。MAX2163的可变增益放大器能够提供大于100dB的增益控制范围。

MAX2163还包括完备的单芯片VCO和频率合成器,带有片上晶体振荡器和输出缓冲器。该款器件能够配合32MHz至36MHz晶体工作。

MAX2163具有2线I²C兼容串口。器件提供低功耗待机模式,该模式下关断整个信号通道,而串口和寄存器电路仍保持有效。此外,可通过一个外部引脚控制器件完全关断。

MAX2163工作于-40°至+85°C扩展级温度范围,采用带有裸焊盘(EP)的5mm x 5mm x 0.8mm、28引脚薄型QFN无铅塑料封装。

应用

  • 汽车
  • 蜂窝电话移动TV
  • 游戏控制台
  • 家庭音频设备
  • 个人数字助理(PDA)
  • 便携式音频设备
  • 便携式TV装置

MAX2163
ISDB-T 1段调谐器
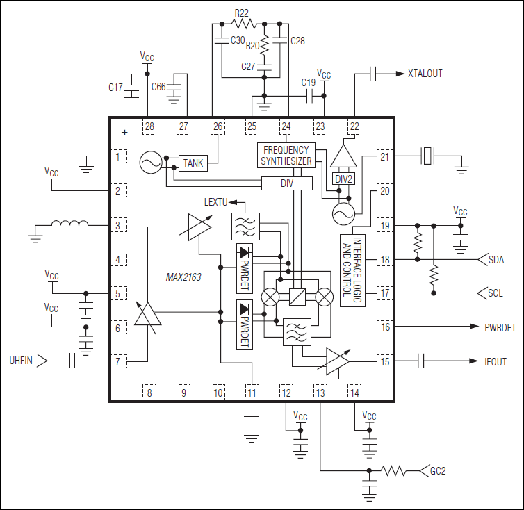
MAX2163:典型应用电路
添加至 myAnalog

将产品添加到myAnalog 的现有项目或新项目中(接收通知)。

创建新项目
提问

参考资料

了解更多
添加至 myAnalog

Add media to the Resources section of myAnalog, to an existing project or to a new project.

创建新项目

软件资源

找不到您所需的软件或驱动?

申请驱动/软件

评估套件

MAX2163EVKIT

MAX2163评估板

特性和优点

  • 简化MAX2163评估
  • 50Ω SMA连接器
  • 包括所有关键外部元件
  • 经过完全安装与测试
  • PC控制软件(可从china.maximintegrated.com下载)

产品详情

MAX2163评估板(EV kit)简化了1段ISDB-T调谐器MAX2163的测试和评估。该评估板在工厂经过完全安装与测试。每个评估板的输入和输出都配备了标准的50Ω SMA连接器,从而可在测试平台上快速简便地进行评估。

本文档提供器件评估所需的测试设备清单、简捷的功能验证过程、评估板电路说明、电路原理图、评估板材料清单(BOM)以及PCB各层的布线图。

应用

  • 汽车
  • 蜂窝电话移动TV
  • 游戏控制台
  • 家庭音频设备
  • 个人数字助理(PDA)
  • 便携式音频设备
  • 便携式TV装置

MAX2163EVKIT
MAX2163评估板

最新评论

需要发起讨论吗? 没有关于 MAX2163的相关讨论?是否需要发起讨论?

在EngineerZone®上发起讨论

近期浏览