MAX17127

过期

六串WLED驱动器,集成升压型转换器

MAX17127是高度集成的六串WLED驱动器,用于20in以下的显示器

产品技术资料帮助

ADI公司所提供的资料均视为准确、可靠。但本公司不为用户在应用过程中侵犯任何专利权或第三方权利承担任何责任。技术指标的修改不再另行通知。本公司既没有含蓄的允许,也不允许借用ADI公司的专利或专利权的名义。本文出现的商标和注册商标所有权分别属于相应的公司。

Viewing:

概述

  • 5V至26V输入电压范围
  • 最多6串LED并联,每串可串联多个LED
  • 250kHz至1MHz可调开关频率
  • 0.12Ω内部高压功率MOSFET (48V,最大值)
  • 每串具有极低的反馈电压:20mA LED电流时为480mV
  • 10mA至30mA可调满量程LED电流
  • ±2%的串间电流调节精度
  • 400ns最小串开启时间
  • 100Hz至25kHz PWM输入范围
  • 开路和短路LED保护
  • 输出过压保护
  • 热关断保护
  • 小尺寸、20引脚、4mm x 4mm薄型QFN封装

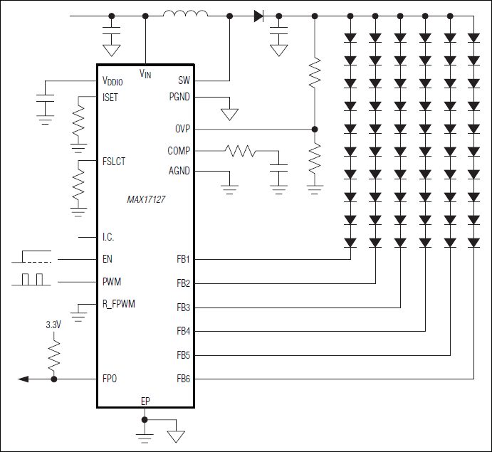
MAX17127是一款高效率白光发光二极管(LED)驱动器,设计用于采用LED阵列作为光源的大型液晶显示器(LCD)。内部电流模式开关型升压转换器用于驱动LED阵列,该阵列可配置为最多6串并联、每串串联13个LED的结构。每串LED与镇流电阻端接,实现±2%的电流调节精度,确保均匀的LED亮度。MAX17127具有5V至26V较宽的输入电压范围,提供10mA至30mA满量程可调LED电流。

MAX17127可以通过PWM信号输入实现亮度控制,LED电流直接受控于外部调光信号的频率和占空比。

MAX17127通过多种途径保护控制器,使其在故障条件下不被损坏。一旦检测到某串LED开路/短路,该串LED被关闭,而其它LED串保持正常工作。控制器具有逐周期限流功能,提供恒流控制以及软启动功能。如果MAX17127处于限流状态,升压转换器在内部定时器超时后闭锁。热关断电路提供额外的保护功能,当出现热关断时,MAX17127将闭锁。

MAX17127的升压控制器内部集成了一个0.12Ω (典型值)、48V (最大值)功率MOSFET,带有本地电流检测放大器,实现精确的逐周期电流限制。该架构大大简化了外围电路,有效节省PCB空间。每串LED的低压反馈有助于降低功耗、提高效率。MAX17127可通过电阻调节开关频率,调节范围为250kHz至1MHz,允许针对各种应用的需求折中选择元件尺寸和工作频率。

MAX17127提供增强散热型、20引脚、4mm x 4mm薄型QFN无铅封装。

应用

  • 手持终端
  • 笔记本电脑、亚笔记本电脑和平板计算机显示器

MAX17127
六串WLED驱动器,集成升压型转换器
MAX17127:简化工作电路(直接PWM模式)
添加至 myAnalog

将产品添加到myAnalog 的现有项目或新项目中(接收通知)。

创建新项目
提问

参考资料

了解更多
添加至 myAnalog

Add media to the Resources section of myAnalog, to an existing project or to a new project.

创建新项目

软件资源

找不到您所需的软件或驱动?

申请驱动/软件

最新评论

需要发起讨论吗? 没有关于 MAX17127的相关讨论?是否需要发起讨论?

在EngineerZone®上发起讨论

近期浏览