MAX14581

过期

业内尺寸最小、可工作在最低逻辑电压(VL)的全速USB收发器,具有低压VIO 3/5线接口

节省空间的全速USB 2.0兼容收发器

产品技术资料帮助

ADI公司所提供的资料均视为准确、可靠。但本公司不为用户在应用过程中侵犯任何专利权或第三方权利承担任何责任。技术指标的修改不再另行通知。本公司既没有含蓄的允许,也不允许借用ADI公司的专利或专利权的名义。本文出现的商标和注册商标所有权分别属于相应的公司。

Viewing:

概述

  • 提供灵活的USB收发器设计
    • 支持3线接口(MAX14581)
    • 支持5线接口(MAX14582)
    • USB 2.0 (全速,12Mbps)兼容收发器
    • +1.2V至+3.6V接口电压(VL)
    • 枚举输入控制D+上拉电阻
    • 关断模式下仅消耗13µA (典型值)电流
  • 占用最小的PCB面积
    • D+端内部上拉电阻
    • 内部串联电阻
  • 额外保护功能增强系统可靠性
    • 低输出电容,可方便并行连接至外部USB HS收发器
    • 无供电顺序要求
    • 在VBUS = 0V时,D+/D-可承受高达3.6V电压
    • VBUS引脚可承受28V电压
    • 总线检测(BD)引脚用于检测VBUS (仅MAX14581)
    • D+/D-和VBUS引脚具有高ESD保护
      • ±15kV HBM

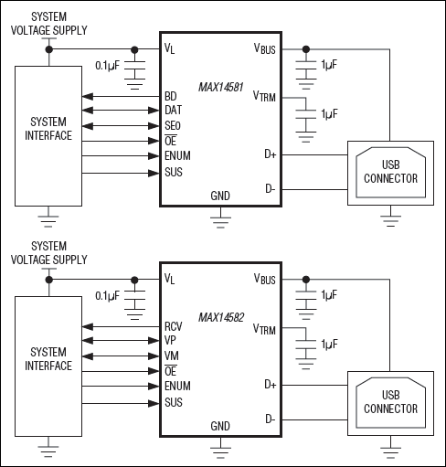
MAX14581/MAX14582 USB兼容收发器占用最小的电路板面积,只需少数外部元件即可为低压ASIC提供USB连接。该系列器件兼容USB 2.0规范,支持全速(12Mbps)工作。收发器包括3.3V稳压器、D+端1.5kΩ上拉电阻以及内部±15kV ESD HBM保护电路,用于保护USB I/O端口(D+、D-)。MAX14581/MAX14582还带有内部串联电阻,允许器件直接与USB连接器连接。

该系列器件可在低至1.2V的逻辑电源下工作,确保与低压ASIC兼容。低功耗关断模式可将VBUS电源消耗电流降低至13µA (典型值)以下。枚举功能控制D+端的上拉电阻,允许器件在保持插入时逻辑上与总线断开。

器件在D+/D-端带有36Ω (典型值) 内部串联电阻,可直接与USB连接器连接。这些器件可用作USB从机或主机(FS)收发器。作为USB主机收发器时,MAX14581/MAX14582需要15kΩ外部下拉电阻将ENUM驱动至逻辑低电平。

MAX14581 (3线)带有DAT和SE0接口信号。收发器提供了USB检测功能,可监视USB VBUS是否存在并通过BD引脚给出指示。

MAX14582 (5线)带有VP、VM以及RCV接口信号。MAX14582对VBUS的检测通过VP = VM = logic–high编码给出。

器件工作在-40°C至+85°C扩展级温度范围,采用12焊球WLP封装。

应用

  • 电子书阅读器
  • 便携式媒体播放器
  • 智能电话
  • 平板电脑

MAX14581
业内尺寸最小、可工作在最低逻辑电压(VL)的全速USB收发器,具有低压VIO 3/5线接口
MAX14581, MAX14582: Typical Operating Circuits
添加至 myAnalog

将产品添加到myAnalog 的现有项目或新项目中(接收通知)。

创建新项目
提问

参考资料

了解更多
添加至 myAnalog

Add media to the Resources section of myAnalog, to an existing project or to a new project.

创建新项目

最新评论

需要发起讨论吗? 没有关于 MAX14581的相关讨论?是否需要发起讨论?

在EngineerZone®上发起讨论

近期浏览