MAX12005

量产

卫星IF开关

高度集成的8 x 4卫星IF矩阵开关,具有DiSEqC 2.0解码器,可扩展至16路卫星信号输入

产品技术资料帮助

ADI公司所提供的资料均视为准确、可靠。但本公司不为用户在应用过程中侵犯任何专利权或第三方权利承担任何责任。技术指标的修改不再另行通知。本公司既没有含蓄的允许,也不允许借用ADI公司的专利或专利权的名义。本文出现的商标和注册商标所有权分别属于相应的公司。

Viewing:

概述

  • 8路输入至4路输出矩阵开关
  • 利用级联主/从选项能够扩展至16路输入
  • 950MHz至2150MHz工作频率
  • 开关隔离度大于30dB
  • 0/+6dB/+12dB输入增益选择,用于补偿分离器的插入损耗
    • 所有输入级增益步长由模拟设置引脚控制
  • 4个集成DiSEqC 2.0解码器,内置振荡器
  • 交替变化的频率/电压检测
  • 2kV HBM ESD保护

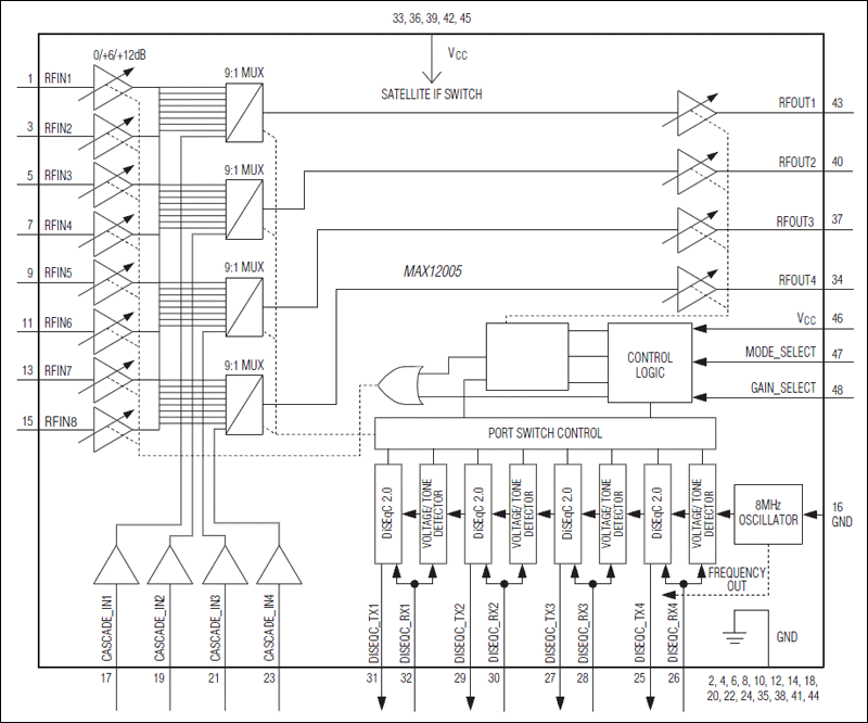
MAX12005卫星IF开关IC设计用于支持多用户系统,提供两组四通道通用的低噪声模块(LNB),所构成的开关矩阵用于切换4个卫星接收机。通过级联选项,配合另一片卫星IF开关IC,可以轻松扩展至16路卫星IF输入的信号切换。利用两片IC并增加8个输入分离器,还可实现将八路卫星IF输入分配至八个卫星接收器的配置。可以选择+6dB或+12dB输入增益补偿分离器的插入损耗。

器件提供两种开关控制方式,每片IC包含4个DiSEqC™ 2.0解码器和4个交替变化的频率/电压解码器。解码器采用内部可微调的振荡器,简化了MAX12005在任意系统中的应用。提供4种工作模式,包括:LNB模式(LNB内部使用)、主机级联模式、从机级联模式和单机模式。

该款卫星IF开关采用先进的SiGe工艺,提供48引脚TQFN无铅表贴封装(7mm x 7mm)。

应用

  • 直接广播卫星接收机
  • L波段分配器
  • 卫星IF分配

MAX12005
卫星IF开关
MAX12005:功能框图
添加至 myAnalog

将产品添加到myAnalog 的现有项目或新项目中(接收通知)。

创建新项目
提问

参考资料

了解更多
添加至 myAnalog

Add media to the Resources section of myAnalog, to an existing project or to a new project.

创建新项目

软件资源

找不到您所需的软件或驱动?

申请驱动/软件

工具及仿真模型


评估套件

MAX12005EVKIT

MAX12005评估板

特性和优点

  • 通过USB接口与主机PC连接
  • 易于使用的GUI软件
  • 全部端口支持板载75Ω至50Ω阻抗转换网络
  • 完全装配并经过测试

产品详情

MAX12005评估板(EV kit)提供经过验证的PCB布局,便于评估MAX12005卫星开关RFIC。评估板已完全装配并经过测试。采用图形用户界面(GUI)的软件控制程序允许用户完全控制IC功能和设置,可从以下地址下载:www.maximintegrated.com/evkitsoftware。

评估板具有75Ω RF线路。然而,为便于评估标准50Ω测试设备,电路板的所有输入和输出端口都具有75Ω至50Ω阻抗转换网络。

应用

  • 直接广播卫星接收机
  • L波段分配器
  • 卫星IF分配

MAX12005EVKIT
MAX12005评估板

最新评论

需要发起讨论吗? 没有关于 MAX12005的相关讨论?是否需要发起讨论?

在EngineerZone®上发起讨论

近期浏览