LTC5598

最后购买期限

5MHz 至 1600MHz 高线性度直接正交调制器

产品技术资料帮助

ADI公司所提供的资料均视为准确、可靠。但本公司不为用户在应用过程中侵犯任何专利权或第三方权利承担任何责任。技术指标的修改不再另行通知。本公司既没有含蓄的允许,也不允许借用ADI公司的专利或专利权的名义。本文出现的商标和注册商标所有权分别属于相应的公司。

Viewing:

概述

  • 频率范围:5MHz 至 1600MHz
  • 高输出 IP3:
    • +27.7dBm (在 140MHz)
    • +22.9dBm (在 900MHz)
  • 低输出噪声层 (在 6MHz 偏移):
    • 无基带 AC 输入:-161.2dBm/Hz
    • POUT = 5.5dBm:-160dBm/Hz
  • 低 LO 馈通:-55dBm (在 140MHz)
  • 高镜频抑制:-50.4dBc (在 140MHz)
  • 集成 LO 缓冲器和 LO 正交相位发生器
  • 50Ω 单端 LO 和 RF 端口
  • >400MHz 基带带宽
  • 24 引脚 QFN 4mm x 4mm 封装
  • 引脚与业界标准的引出脚配置相兼容
  • 停机模式

 

LTC®5598 是一款专为高性能无线应用 (包括无线基础设施) 而设计的直接 I/Q 调制器。它采用差分基带 I 和 Q 信号实现了一个 RF 信号的直接调制。该器件支持点对点微波链路、GSM、EDGE、CDMA、700MHz 频段 LTE、CDMA2000、CATV 应用和其他系统。通过给 I 和 Q 输入施加 90° 移相信号,也可以将其配置为一个镜频抑制上变频混频器。

I/Q 基带输入包括电压至电流转换器,它们依次驱动双平衡混频器。这些混频器的输出相加并被施加至一个缓冲器,该缓冲器负责把差分混频器信号转换为一个 50Ω 单端缓冲 RF 输出。4 个平衡 I 和 Q 基带输入端口是给来自一个具约 0.5V 共模电压电平之电源的 DC 耦合之用。LO 路径包括一个具单端或差分输入的 LO 缓冲器,以及产生用于混频器的 LO 驱动电压的精准正交发生器。电源电压范围为 4.5V 至 5.25V,并具有约 168mA 的电流。

 


Applications

  • 点对点微波链路
  • 军用无线电通信
  • 基站发送器 GSM/EDGE/CDMA2000
  • 700MHz LTE 基站发送器
  • 卫星通信
  • CATV/电缆宽带调制器
  • 13.56MHz/UHF RFID 调制器

 

LTC5598
5MHz 至 1600MHz 高线性度直接正交调制器
5MHz to 1600MHz Direct Conversion Transmitter Application Noise Floor vs RF Output Power and Differential LO Input Power Product Package 1
添加至 myAnalog

将产品添加到myAnalog 的现有项目或新项目中(接收通知)。

创建新项目
提问

参考资料

了解更多
添加至 myAnalog

Add media to the Resources section of myAnalog, to an existing project or to a new project.

创建新项目

软件资源

找不到您所需的软件或驱动?

申请驱动/软件

硬件生态系统

部分模型 产品周期 描述
RF混频器 1
LT5579 量产 1.5GHz 至 3.8GHz 高线性度上变频混频器
锁相环(PLL)频率合成器 1
LTC6946 最后购买期限 具集成型 VCO 的超低噪声及杂散 0.37GHz 至 6.39GHz 整数 N 合成器
Modal heading
添加至 myAnalog

将产品添加到myAnalog 的现有项目或新项目中(接收通知)。

创建新项目

工具及仿真模型

ADIsimRF

ADIsimRF是一款简单易用的RF信号链计算工具。可以计算和导出多达50级的信号链级联增益、噪声、失真和功耗并绘制其曲线。ADIsimRF还包括丰富的ADI射频和混合信号元件的器件模型数据库。

打开工具

评估套件

eval board
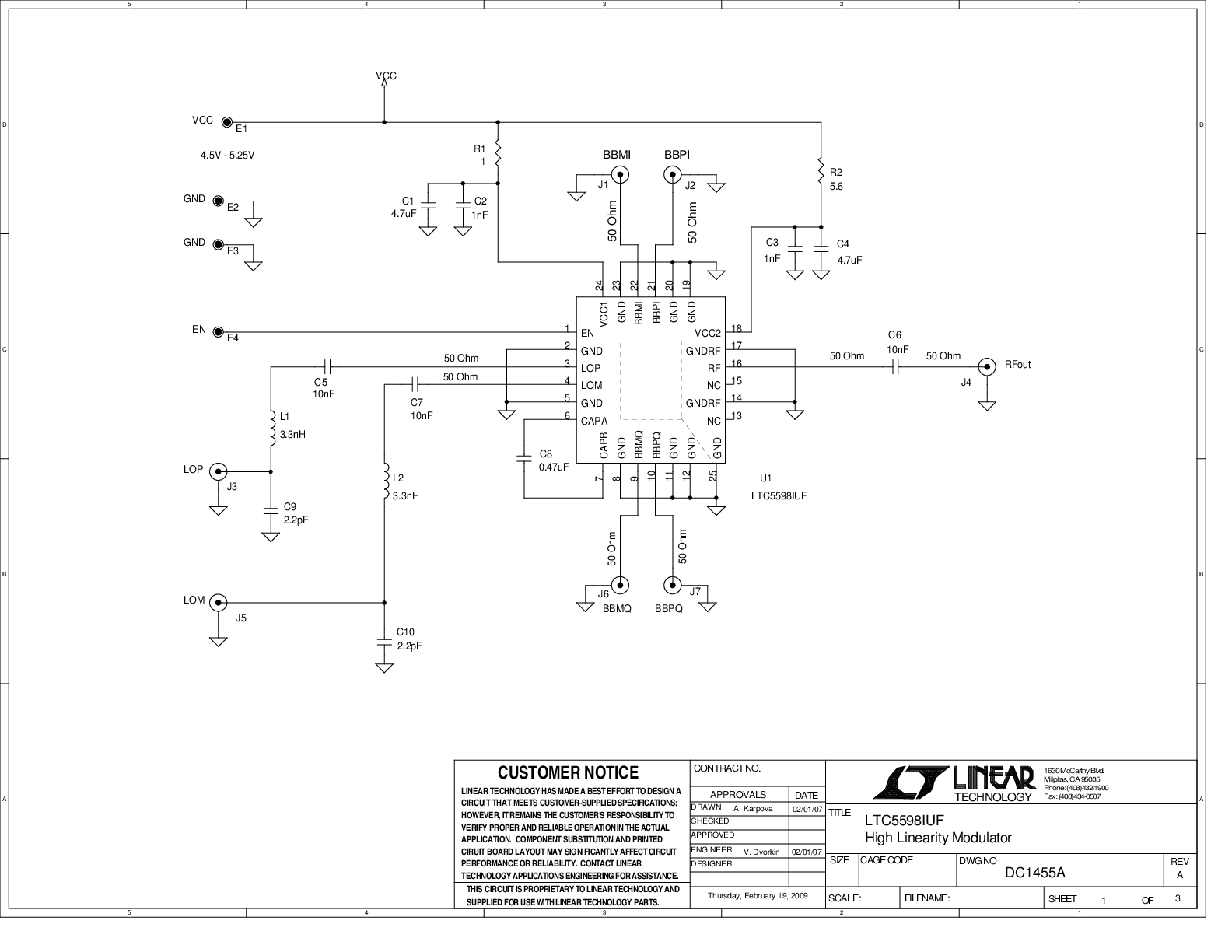
DC1455A

LTC5598IUF | 5MHz to 1.6GHz I-Q Modulator

产品详情

DC1455A: Demo Board for the LTC5598 5MHz to 1600MHz High Linearity Direct Quadrature Modulator.

DC1455A
LTC5598IUF | 5MHz to 1.6GHz I-Q Modulator
DC1455A Demo Board DC1455A Demo Board DC1455A Demo Board DC1455A Demo Board DC1455A Demo Board DC1455A - Schematic

最新评论

需要发起讨论吗? 没有关于 LTC5598的相关讨论?是否需要发起讨论?

在EngineerZone®上发起讨论

近期浏览