LTC4558

量产

双 SIM 卡 / 智能卡电源和接口

产品技术资料帮助

ADI公司所提供的资料均视为准确、可靠。但本公司不为用户在应用过程中侵犯任何专利权或第三方权利承担任何责任。技术指标的修改不再另行通知。本公司既没有含蓄的允许,也不允许借用ADI公司的专利或专利权的名义。本文出现的商标和注册商标所有权分别属于相应的公司。

Viewing:

概述

  • 用于双 SIM 卡或智能卡的电源管理和控制
  • 用于双卡的独立 1.8V/3V VCC 控制
  • 支持双卡的同时供电
  • 快速通道切换
  • 自动电平变换
  • 动态上拉可提供快速信号上升时间
  • 内置故障保护电路
  • 自动激活 / 解除激活排序电路
  • 低的工作 / 停机电流
  • 在 SIM 卡触针上提供了 >10kV ESD 防护
  • 可满足 EMV 故障容限要求
  • 采用外形扁平的 20 引脚 (3mm x 3mm) QFN 封装

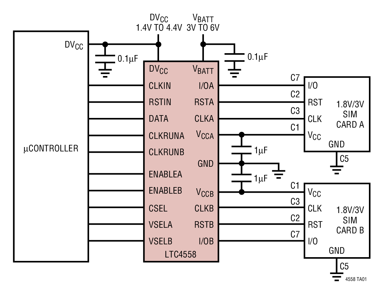
LTC®4558 提供了先进蜂窝电话与 1.8V 或 3V 用户识别模块 (SIM) 相连接所需的电源转换和信号电平变换。该器件符合 1.8V 和 3V SIM 卡的所有要求,并且包含用于从一个 2.7V 至 5.5V 输入给 1.8V 或 3V SIM 卡供电的 LDO 稳压器。输出电压可采用两个电压选择引脚来设定,并能够提供高达 50mA 的负载电流。一个通道选择引脚负责确定哪个通道对通信是开放的。用于每个通道的单独使能引脚允许对双卡同时供电,并加快了从一个通道变换至另一个通道的速度。

内部电平变换器允许控制器在电源电压低至 1.4V 的条件下运作,以与 1.8V 或 3V 智能卡相连接。该器件具有 65μA 的低工作电流和 < 1μA 的低停机电流,因而最大限度延长了电池的使用寿命。通过采用外形扁平的 3mm x 3mm x 0.75mm 无引线 QFN 封装,尽可能地缩减了电路板面积。

应用
  • GSM、TD-SCDMA 和其他 3G+ 蜂窝电话
  • 无线销售点终端
  • 多 SIM 卡接口

LTC4558
双 SIM 卡 / 智能卡电源和接口
Deactivation Sequence Product Package 1
添加至 myAnalog

将产品添加到myAnalog 的现有项目或新项目中(接收通知)。

创建新项目
提问

参考资料

数据手册 1

可靠性数据 1

用户手册 1

了解更多
添加至 myAnalog

Add media to the Resources section of myAnalog, to an existing project or to a new project.

创建新项目

评估套件

DC1263A
LTC4558EDU |双SIM智能卡电源和接口
DC1263A - Schematic

最新评论

需要发起讨论吗? 没有关于 LTC4558的相关讨论?是否需要发起讨论?

在EngineerZone®上发起讨论

近期浏览