LTC4314
量产具总线缓冲器的引脚可选、4 通道、二线式多路复用器
- 产品模型
- 8
概述
- 用于二线式总线的 1:4 多路复用器 / 开关
- 用于 SDA 和 SCL 线的双向缓冲器
- 高噪声裕度 (VIL = 0.3•VCC)
- ENABLE 引脚用于连接 SDA 和 SCL 线
- 可选的上升时间加速器电流和启动电压
- 电平移位 1.5V、1.8V、2.5V、3.3V 和 5V 总线
- 电路板于背板上进行带电插拔操作时可防止 SDA 和 SCL 线受损
- 阻塞总线断接和恢复
- 与 I2C 、I2C 快速模式和 SMBus 相兼容
- ±4kV 人体模型 (HBM) ESD 坚固性
- 20 引脚 SSOP 封装和 3mm x 4mm QFN 封装
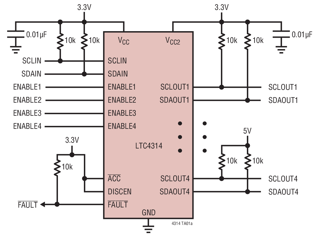
LTC®4314 是一款可热插拔型 4 通道、二线式总线多路复用器,允许将一根上行总线连接至下行总线或通道的任意组合。一个单独的使能引脚负责控制每个连接。LTC4314 提供了双向缓冲,并保持了上行总线电容与下行总线电容的隔离。高噪声裕度使 LTC4314 能够与用于驱动一个高 VOL (>0.4V) 的 I2C 设备实现互操作。LTC4314 支持 1.5V、1.8V、2.5V、3.3V 和 5V 总线之间的电平转换。LTC4314 的可热插拔特性允许 I/O 板卡在带电背板上进行插拔操作,而不会损坏数据和时钟总线。
如果数据和时钟在 45ms 时间里至少有一次不是同时处于高电平且 DISCEN 引脚为高电平,则将产生一个 FAULT 信号以指示一种总线被阻塞于低电平的情况,输入将与所有的使能输出通道断接,并在使能下行总线上产生多达 16 个时钟。一个三态 ACC 引脚负责启用具有不同强度的输入和输出侧上升时间加速器,并设定 VIL, RISING 电压。
Applications
- 电信系统 (包括 ATCA)
- 地址扩展
- 电平转换器
- 电容缓冲器 / 总线扩展器
- 带电电路板插入
- PMBus
参考资料
数据手册 1
可靠性数据 1
技术文章 1
视频 3
产品选型卡 2
新闻 1
ADI 始终高度重视提供符合最高质量和可靠性水平的产品。我们通过将质量和可靠性检查纳入产品和工艺设计的各个范围以及制造过程来实现这一目标。出货产品的“零缺陷”始终是我们的目标。查看我们的质量和可靠性计划和认证以了解更多信息。
| 产品型号 | 引脚/封装图-中文版 | 文档 | CAD 符号,脚注和 3D模型 |
|---|---|---|---|
| LTC4314CGN#PBF | 20-Lead SSOP (Narrow 0.15 Inch) | ||
| LTC4314CGN#TRPBF | 20-Lead SSOP (Narrow 0.15 Inch) | ||
| LTC4314CUDC#PBF | 20-Lead QFN (3mm x 4mm x 0.75mm w/ EP) | ||
| LTC4314CUDC#TRPBF | 20-Lead QFN (3mm x 4mm x 0.75mm w/ EP) | ||
| LTC4314IGN#PBF | 20-Lead SSOP (Narrow 0.15 Inch) | ||
| LTC4314IGN#TRPBF | 20-Lead SSOP (Narrow 0.15 Inch) | ||
| LTC4314IUDC#PBF | 20-Lead QFN (3mm x 4mm x 0.75mm w/ EP) | ||
| LTC4314IUDC#TRPBF | 20-Lead QFN (3mm x 4mm x 0.75mm w/ EP) |
| 产品型号 | 产品生命周期 | PCN |
|---|---|---|
|
10月 3, 2024 - 24_0235 (QSOP/SSOP PKG) Migrating Bottom Trace Code Marking to Top Side Laser Marking |
||
| LTC4314CGN#PBF | 量产 | |
| LTC4314CGN#TRPBF | 量产 | |
| LTC4314IGN#PBF | 量产 | |
| LTC4314IGN#TRPBF | 量产 | |
|
8月 10, 2022 - 22_0177 Laser Top Mark Conversion for QSOP20_24_28 Assembled in ADPG [PNG] and UTL |
||
| LTC4314CGN#PBF | 量产 | |
| LTC4314CGN#TRPBF | 量产 | |
| LTC4314IGN#PBF | 量产 | |
| LTC4314IGN#TRPBF | 量产 | |
这是最新版本的数据手册
软件资源
找不到您所需的软件或驱动?
申请驱动/软件硬件生态系统
| 部分模型 | 产品周期 | 描述 |
|---|---|---|
| 接口收发器和隔离器 1 | ||
| LTM2883 | 量产 | 具可调 ±12.5V 和 5V 稳定电源的 SPI / 数字或 I2C μModule 隔离器 |
工具及仿真模型
IBIS 模型 1
最新评论
需要发起讨论吗? 没有关于 LTC4314的相关讨论?是否需要发起讨论?
在EngineerZone®上发起讨论