LTC4301
量产与电源无关的可热插拨型双线式总线缓冲器
- 产品模型
- 8
概述
- 允许总在线拉电压高于或低于 VCC
- 用于 SDA 和 SCL 线的双向缓冲器*增加了扇出
- 在背板上进行带电电路板插拨操作期间可防止 SDA 和 SCL 损坏
- 将输入 SDA 和 SCL 线与输出隔离开来
- 10kV 人体模型 ESD 保护
- 所有 SDA 和 SCL 在线的 1V 预充电
- 支持时钟展宽、判优和同步
- 用于 VCC = 0V 的高阻抗 SDA、SCL 引脚
- CS 引脚负责控制从输入至输出的连接
- 与 I2C™ 标准模式、I2C 快速模式和 SMBus 标准兼容 (工作频率高达 400kHz)
- 小外形 8 引脚 MSOP 和 DFN (3mm x 3mm) 封装
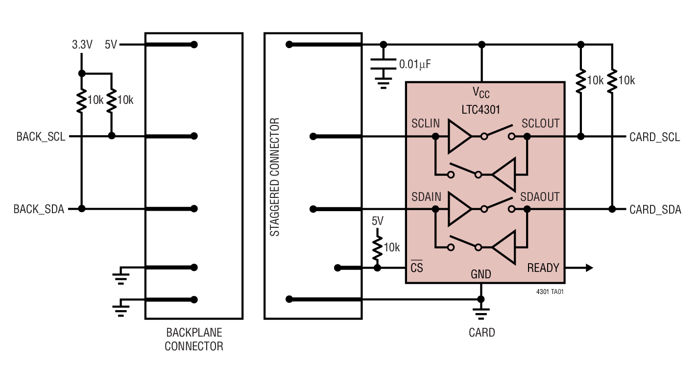
LTC®4301是一款独立于电源的可热插拨型双线式总线缓冲器,允许在带电背板上进行 I/O 卡板的插拨,而不会损坏数据和时钟总线。此外,LTC4301还允许 VCC、SDAIN 和 SCLIN 上拉电压与 SDAOUT 和 SCLOUT 上拉电压彼此无关。控制电路可保持背板与插件板之间的隔离,直到出现一个停止位或总线空闲状态为止。当背板与插件板相连时,LTC4301将提供双向缓冲,从而保持背板与插件板电容之间的隔离。
在插入操作期间,SDA 和 SCL 线被预先充电至 1V 以较大限度地抑制总线扰动。当被驱动至低电平时,/CS 输入引脚将允许器件在出现一个停止位或总线空闲状态之后连接。将 /CS 引脚驱动至高电平将导致 SCLIN 与 SCLOUT 以及 SDAIN 与 SDAOUT 之间的断接。READY 输出引脚的状态指示背板与插件板侧是否连接在一起。
LTC4301采用 8 引脚 DFN (3mm x 3mm) 和 MSOP 封装。
应用
- 带电电路板插入
- 服务器
- 电容缓冲器/总线扩展器
- 台式计算器
- CompactPCI™ 和 ATCA 系统
参考资料
数据手册 1
可靠性数据 1
视频 3
3rd Party Solutions 1
产品选型卡 2
ADI 始终高度重视提供符合最高质量和可靠性水平的产品。我们通过将质量和可靠性检查纳入产品和工艺设计的各个范围以及制造过程来实现这一目标。出货产品的“零缺陷”始终是我们的目标。查看我们的质量和可靠性计划和认证以了解更多信息。
| 产品型号 | 引脚/封装图-中文版 | 文档 | CAD 符号,脚注和 3D模型 |
|---|---|---|---|
| LTC4301CDD#PBF | 8-Lead DFN (3mm x 3mm x 0.75mm w/ EP) | ||
| LTC4301CDD#TRPBF | 8-Lead DFN (3mm x 3mm x 0.75mm w/ EP) | ||
| LTC4301CMS8#PBF | 8-Lead MSOP | ||
| LTC4301CMS8#TRPBF | 8-Lead MSOP | ||
| LTC4301IDD#PBF | 8-Lead DFN (3mm x 3mm x 0.75mm w/ EP) | ||
| LTC4301IDD#TRPBF | 8-Lead DFN (3mm x 3mm x 0.75mm w/ EP) | ||
| LTC4301IMS8#PBF | 8-Lead MSOP | ||
| LTC4301IMS8#TRPBF | 8-Lead MSOP |
| 产品型号 | 产品生命周期 | PCN |
|---|---|---|
|
2月 3, 2020 - 20_0128 Laser Top Mark for 8 Lead MSOP Packages Assembled in ADPG and UTAC |
||
| LTC4301CMS8#PBF | 量产 | |
| LTC4301CMS8#TRPBF | 量产 | |
| LTC4301IMS8#PBF | 量产 | |
| LTC4301IMS8#TRPBF | 量产 | |
这是最新版本的数据手册
硬件生态系统
| 部分模型 | 产品周期 | 描述 |
|---|---|---|
| 接口收发器和隔离器 1 | ||
| LTM2883 | 量产 | 具可调 ±12.5V 和 5V 稳定电源的 SPI / 数字或 I2C μModule 隔离器 |
工具及仿真模型
IBIS 模型 1
最新评论
需要发起讨论吗? 没有关于 LTC4301的相关讨论?是否需要发起讨论?
在EngineerZone®上发起讨论