LTC2482

量产

具 Easy Drive 输入电流抵消功能的 16 位 ΔΣ ADC

产品技术资料帮助

ADI公司所提供的资料均视为准确、可靠。但本公司不为用户在应用过程中侵犯任何专利权或第三方权利承担任何责任。技术指标的修改不再另行通知。本公司既没有含蓄的允许,也不允许借用ADI公司的专利或专利权的名义。本文出现的商标和注册商标所有权分别属于相应的公司。

Viewing:

概述

  • Easy Drive 技术实现了具零差分输入电流的轨至轨输入
  • 能够以完整的准确度对高阻抗传感器直接进行数字化处理
  • 600nV RMS 噪声 (与 VREF 无关)
  • 能够以 16 位分辨率与一个低至 100mV 的基准一起运作
  • GND 至 VCC 输入/基准共模范围
  • 同时 50Hz/60Hz 抑制模式
  • 2ppm INL,无漏失码
  • 1ppm 偏移和 15ppm 总未调整误差
  • 无延迟:数字滤波器可在单个周期内实现稳定
  • 2.7V 至 5.5V 单工作电源
  • 内部振荡器
  • 采用纤巧型 (3mm x 3mm) 10 引脚 DFN 封装

 

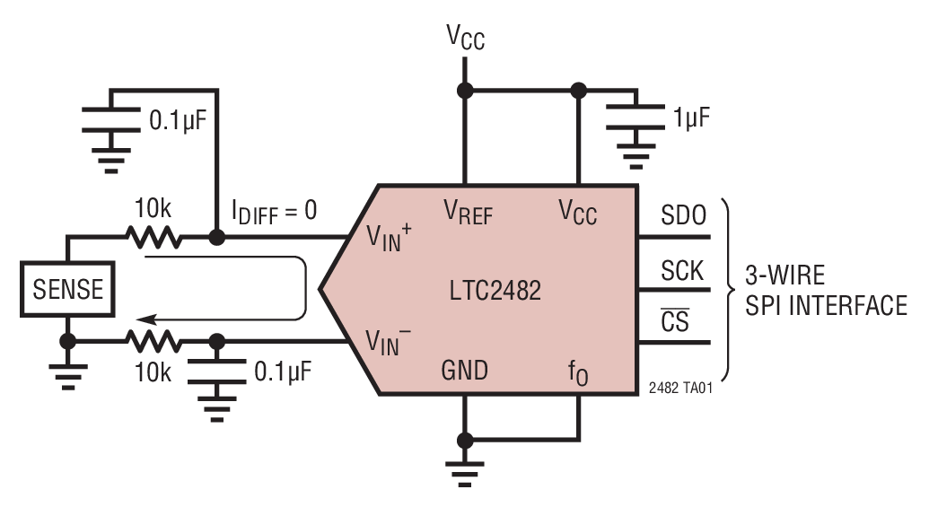
LTC®2482 实现了一个 16 位 (包括正负位) No Latency ΔΣ 模数转换器与专利 Easy Drive 技术的组合。这种已获专利的采样方案通过差分输入电流的自动抵消而消除了动态输入电流误差和片内缓冲的缺点。这使得能够在保持出色 DC 准确度,同时又可对大的外部源阻抗和具有轨至轨输入范围的输入信号直接进行数字化处理。

LTC2482 提供了一个与基准电压无关的宽共模输入范围 (0V 至 VCC)。该基准可以低至 100mV,或直接连接至 VCC。噪声电平为 600nV RMS (与 VREF 无关)。这允许以 16 位的准确度对低电平信号直接进行数字化处理。LTC2482 包括一个片内修整振荡器,从而免除了增设外部晶体或振荡器的需要,并提供了 87dB 的 50Hz 和 60Hz 线路频率噪声抑制。在连续、透明、偏移和全标度校准过程中自动地保持了绝对准确度和低漂移。

 


Applications

  • 直接传感器数字化转换器
  • 衡器
  • 直接温度测量
  • 应变仪换能器
  • 仪表
  • 工业过程控制
  • DVM 和测量计

 

LTC2482
具 Easy Drive 输入电流抵消功能的 16 位 ΔΣ ADC
+FS Error vs RSOURCE at IN+ and IN– Product Package 1
添加至 myAnalog

将产品添加到myAnalog 的现有项目或新项目中(接收通知)。

创建新项目
提问

参考资料

了解更多
添加至 myAnalog

Add media to the Resources section of myAnalog, to an existing project or to a new project.

创建新项目

软件资源

找不到您所需的软件或驱动?

申请驱动/软件

硬件生态系统

部分模型 产品周期 描述
基准电压源 1
LT6660 量产 2mm x 2mm DFN 封装的纤巧型微功率精准串联基准
接口收发器和隔离器 1
LTM2883 量产 具可调 ±12.5V 和 5V 稳定电源的 SPI / 数字或 I2C μModule 隔离器
温度传感器 1
LTC2995 量产 具警报输出的温度传感器和双通道电压监视器
振荡器 1
LTC6991 量产 TimerBlox:可重置的低频振荡器
Modal heading
添加至 myAnalog

将产品添加到myAnalog 的现有项目或新项目中(接收通知)。

创建新项目

工具及仿真模型


评估套件

eval board
DC941A

LTC2482 16位Σ-△型ADC(需要DC590)

产品详情

DC941A:具有轻松抵消驱动输入电流功能的LTC2482 16位Σ-△型ADC演示板。

DC941A
LTC2482 16位Σ-△型ADC(需要DC590)
DC941A - Schematic

最新评论

需要发起讨论吗? 没有关于 LTC2482的相关讨论?是否需要发起讨论?

在EngineerZone®上发起讨论

近期浏览