概览
产品详情
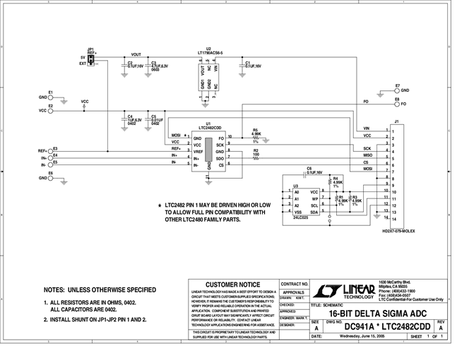
DC941A:具有轻松抵消驱动输入电流功能的LTC2482 16位Σ-△型ADC演示板。
文档
-
DC941A - Schematic2009/9/24PDF27K
-
DC941A - Demo Manual2013/6/20PDF553K
-
DC941A - Design File2009/9/24ZIP560K
