LTC1164
量产低功率、低噪声、4 通道、通用型滤波器单元式部件
- 产品模型
- 6
概述
- 低功率
- 4 个滤波器集成在一个 0.3 英寸宽的封装中
- 噪声是 LTC1059 / LTC1060 / LTC1061 器件的 1/2
- 宽输出摆幅
- 时钟-中心频率比为 50:1 和 100:1
- 采用 ±2.37V 至 ±8V 电源供电运行
- 具可用内部电阻器的定制版本
- 可同时提供 50:1 和 100:1 的时钟-中心频率比
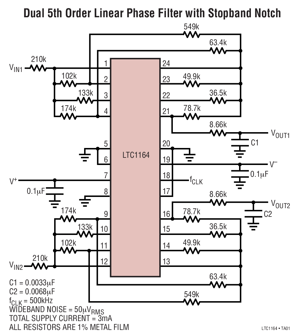
LTC®1164 包含 4 个低功率、低噪声二阶开关电容器滤波器单元式部件。每个单元式部件通常消耗 850μA 电源电流。低功耗的实现并未牺牲噪声和失真指标。每个滤波器单元式部件连同 3 至 5 个电阻器能够提供二阶滤波器功能,比如低通、高通、带通和陷波等。每个二阶滤波器节的中心频率可利用一个外部时钟、或一个外部时钟和电阻比来调谐。对于 Q < 5,中心频率范围从 0.1Hz 至 20kHz。通过级联所有 4 个二阶滤波器节可实现高达 8 阶的滤波器。可以形成任何经典的滤波器配置 (例如:巴特沃斯 [Butterworth]、椭圆 [Cauer]、贝塞尔 [Bessel] 和切比雪夫 [Chebyshev])。
用户可以获得 LTC1164 的一款包含内部薄膜电阻器的定制单片式版本。详情请咨询凌力尔特 (现隶属 ADI)。
LTC1164 采用凌力尔特 (现隶属 ADI) 的增强型 LTCMOSTM 硅栅工艺制造。
应用
- 抗混叠滤波器
- 电信滤波器
- 频谱分析
- 环路滤波器
- 对于固定低通滤波器要求,使用 LTC1164-XX 系列
参考资料
数据手册 1
可靠性数据 1
应用笔记 1
ADI 始终高度重视提供符合最高质量和可靠性水平的产品。我们通过将质量和可靠性检查纳入产品和工艺设计的各个范围以及制造过程来实现这一目标。出货产品的“零缺陷”始终是我们的目标。查看我们的质量和可靠性计划和认证以了解更多信息。
| 产品型号 | 引脚/封装图-中文版 | 文档 | CAD 符号,脚注和 3D模型 |
|---|---|---|---|
| LTC1164ACN#PBF | 24-Lead PDIP (Narrow 0.3 Inch) | ||
| LTC1164ACSW#PBF | 24-Lead SOIC (Wide 0.3 Inch) | ||
| LTC1164ACSW#TRPBF | 24-Lead SOIC (Wide 0.3 Inch) | ||
| LTC1164CN#PBF | 24-Lead PDIP (Narrow 0.3 Inch) | ||
| LTC1164CSW#PBF | 24-Lead SOIC (Wide 0.3 Inch) | ||
| LTC1164CSW#TRPBF | 24-Lead SOIC (Wide 0.3 Inch) |
| 产品型号 | 产品生命周期 | PCN |
|---|---|---|
|
3月 7, 2019 - 19_0046 Assembly Transfer of 18,20,24,28 Lead PDIP to Cirtek |
||
| LTC1164ACN#PBF | 量产 | |
| LTC1164CN#PBF | 量产 | |
|
8月 10, 2022 - 22_0176 Laser Top Mark Conversion for SOIC_W Packages Assembled in ADPG [PNG] and UTL |
||
| LTC1164ACSW#PBF | 量产 | |
| LTC1164ACSW#TRPBF | 量产 | |
| LTC1164CSW#PBF | 量产 | |
| LTC1164CSW#TRPBF | 量产 | |
这是最新版本的数据手册
软件资源
找不到您所需的软件或驱动?
申请驱动/软件硬件生态系统
最新评论
需要发起讨论吗? 没有关于 LTC1164的相关讨论?是否需要发起讨论?
在EngineerZone®上发起讨论