 
                LT6604-10
推荐用于新设计双通道、非常低噪声、差分放大器和 10MHz 低通滤波器
- 产品模型
- 4
概述
- 具 10MHz 低通滤波器的双通道差分放大器
 - 四阶滤波器
- 近似切比雪夫 (Chebyshev) 响应
- 保证相位和增益匹配
- 可利用电阻器来设置的差分增益
 
- 82dB 信噪比 (3V 电源,2VP-P 输出)
- 低失真,2VP-P 输出,800Ω 负载 
 - 1MHz:88dBc (二阶),97dBc (三阶)
- 5MHz:74dBc (二阶),77dBc (三阶)
 
- 针对 3V、5V 和 ±5V 工作电源来拟订技术规格
- 全差分输入和输出
- 可调输出共模电压
- 小外形 4mm x 7mm x 0.75mm QFN 封装
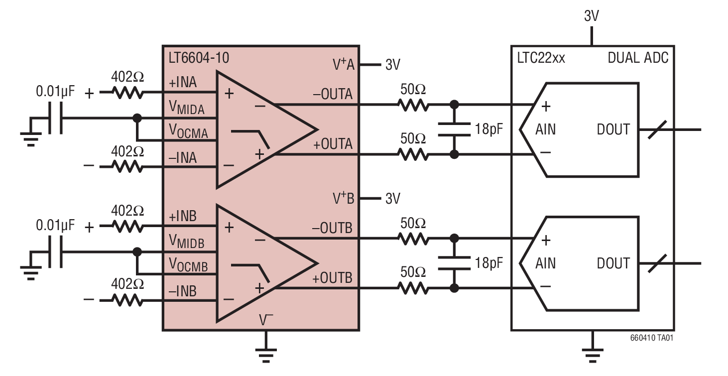
LT®6604-10 包含两个匹配的全差分放大器,它们各具有一个四阶、10MHz 低通滤波器。固定频率低通滤波器近似一个切比雪夫响应。通过集成一个滤波器和一个差分放大器,该器件实现了极低的失真和噪声。在单位增益条件下,测得的带内信噪比达到了令人注目的 82dB。在较高的增益条件下,输入参考噪声下降,于是,该器件能够处理较小的输入差分信号,而不会使信噪比发生显著的劣化。 
两个通道之间的增益和相位高度匹配。每个通道的增益采用两个外部电阻器来独立地设置。通过提供一个可调输出共模电压,LT6604-10 实现了电平移位,从而使其非常适合于直接连接至 ADC。 
LT6604-10 的技术规格针对3V工作电压进行了全面的拟订。当采用单 3V 电源时,该差分设计在高达 2VP-P 的信号电平条件下实现了出色的性能。如需了解具集成 2.5MHz 至 20MHz 低通滤波器相关单通道和双通道差分放大器的完整列表,请见本数据表的最后一页。
Applications
- 双通道差分 ADC 驱动器和滤波器
- 单端至差分转换器
- 匹配、双通道、差分滤波器
- 差分信号的共模变换
- 无线基础设施或网络应用中的高速 ADC 抗混叠和 DAC 滤波处理
- 高速测试和测量设备
- 医学成像
参考资料
数据手册 1
可靠性数据 1
用户手册 1
技术文章 2
ADI 始终高度重视提供符合最高质量和可靠性水平的产品。我们通过将质量和可靠性检查纳入产品和工艺设计的各个范围以及制造过程来实现这一目标。出货产品的“零缺陷”始终是我们的目标。查看我们的质量和可靠性计划和认证以了解更多信息。
| 产品型号 | 引脚/封装图-中文版 | 文档 | CAD 符号,脚注和 3D模型 | 
|---|---|---|---|
| LT6604CUFF-10#PBF | 32-Lead QFN (4mm x 7mm x 0.75mm w/ EP) | ||
| LT6604CUFF-10#TRPBF | 32-Lead QFN (4mm x 7mm x 0.75mm w/ EP) | ||
| LT6604IUFF-10#PBF | 32-Lead QFN (4mm x 7mm x 0.75mm w/ EP) | ||
| LT6604IUFF-10#TRPBF | 32-Lead QFN (4mm x 7mm x 0.75mm w/ EP) | 
这是最新版本的数据手册
软件资源
找不到您所需的软件或驱动?
申请驱动/软件工具及仿真模型
ADIsimRF
ADIsimRF是一款简单易用的RF信号链计算工具。可以计算和导出多达50级的信号链级联增益、噪声、失真和功耗并绘制其曲线。ADIsimRF还包括丰富的ADI射频和混合信号元件的器件模型数据库。
打开工具Sys-Parameter Models for Keysight Genesys
Sys-Parameter models contain behavioral parameters, such as P1dB, IP3, gain, noise figure and return loss, which describe nonlinear and linear characteristics of a device.
打开工具评估套件
最新评论
需要发起讨论吗? 没有关于 LT6604-10的相关讨论?是否需要发起讨论?
在EngineerZone®上发起讨论 
                            