LT5526

量产

高线性度、低功率下变频混频器

产品技术资料帮助

ADI公司所提供的资料均视为准确、可靠。但本公司不为用户在应用过程中侵犯任何专利权或第三方权利承担任何责任。技术指标的修改不再另行通知。本公司既没有含蓄的允许,也不允许借用ADI公司的专利或专利权的名义。本文出现的商标和注册商标所有权分别属于相应的公司。

Viewing:

概述

  • 工作频率高达 2GHz
  • 宽带 RF、LO 和 IF 操作
  • 高输入 IP3:在 900MHz 时为 +16.5dBm
  • 典型转换增益:在 900MHz 时为 0.6dB
  • SSB 噪声指数:在 900MHz 时为 11dB
  • 片上 50Ω LO 匹配
  • 集成 LO 缓冲器:-5dBm 驱动电平
  • 高 LO-RF 和 LO-IF 隔离
  • 低电源电流:28mA (典型值)
  • 使能功能
  • 单 5V 电源
  • 16 引脚 QFN (4mm×4mm) 封装

LT®5526 是一款专为诸如点对点数据传输、电缆基础设施和无线基础设施系统等高线性度应用而优化的低功率宽带混频器。该器件包括一个用于驱动双平衡有源混频器内核的内部匹配高速 LO 放大器。一个集成 RF 缓冲器放大器可提供超群的 LO-RF 隔离度。RF 和 IF 端口能够容易地与诸多频率相匹配,以满足各种应用的要求。   

LT5526 为无源混频器提供了一种高性能的替代方案。与具有转换损耗且需要高 LO 驱动电平的无源混频器不同,LT5526 可在低得多的 LO 输入电平条件下提供转换增益,而且对 LO 功率电平变化的敏感度也低得多。


Applications

  • 点对点数据通信系统
  • 无线基础设施
  • 电缆下行链路基础设施
  • 高线性度接收器应用

LT5526
高线性度、低功率下变频混频器
High Signal Level Frequency Downconversion IF Output Power and IM3 vs RF Input Power (Two Input Tones) Product Package 1
添加至 myAnalog

将产品添加到myAnalog 的现有项目或新项目中(接收通知)。

创建新项目
提问

参考资料

数据手册 1

可靠性数据 1

用户手册 1

了解更多
添加至 myAnalog

Add media to the Resources section of myAnalog, to an existing project or to a new project.

创建新项目

软件资源

找不到您所需的软件或驱动?

申请驱动/软件

硬件生态系统

部分模型 产品周期 描述
锁相环(PLL)频率合成器 1
LTC6946 最后购买期限 具集成型 VCO 的超低噪声及杂散 0.37GHz 至 6.39GHz 整数 N 合成器
Modal heading
添加至 myAnalog

将产品添加到myAnalog 的现有项目或新项目中(接收通知)。

创建新项目

工具及仿真模型

ADIsimRF

ADIsimRF是一款简单易用的RF信号链计算工具。可以计算和导出多达50级的信号链级联增益、噪声、失真和功耗并绘制其曲线。ADIsimRF还包括丰富的ADI射频和混合信号元件的器件模型数据库。

打开工具

评估套件

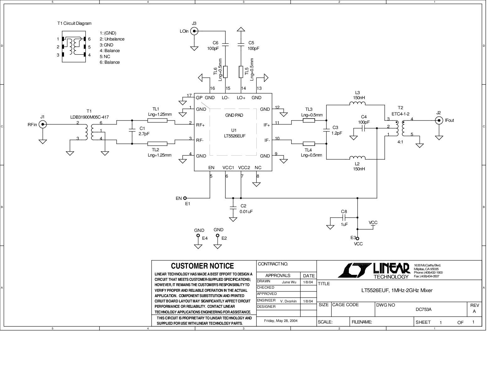
DC753A
LT5526EUF | 1MHz-2GHz混频器
DC753A - Schematic

最新评论

需要发起讨论吗? 没有关于 LT5526的相关讨论?是否需要发起讨论?

在EngineerZone®上发起讨论

近期浏览