文档
-
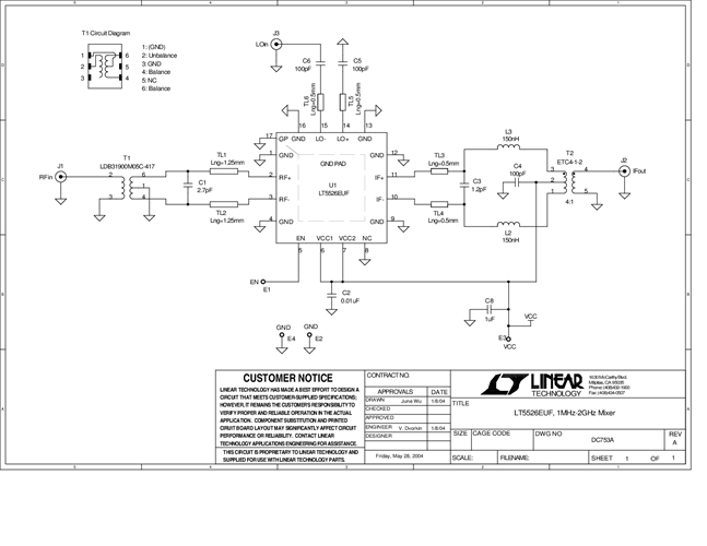
DC753A - Schematic2009/9/24PDF23K
-
DC753A - Demo Manual2009/9/24PDF119K
-
DC753A - Design File2009/9/24ZIP410K
