LT5506

量产

具 VGA 的 40MHz 至 500MHz 正交解调器

产品技术资料帮助

ADI公司所提供的资料均视为准确、可靠。但本公司不为用户在应用过程中侵犯任何专利权或第三方权利承担任何责任。技术指标的修改不再另行通知。本公司既没有含蓄的允许,也不允许借用ADI公司的专利或专利权的名义。本文出现的商标和注册商标所有权分别属于相应的公司。

Viewing:

概述

  • 1.8V 至 5.25V 的宽范围电源
  • 频率范围:40MHz 至 500MHz
  • –4dB 至 59dB 可变功率增益
  • THD < 0.12% (–58dBc) (在 800mVP-P 差分输出电平)
  • 8.8MHz I/Q 低通输出噪声滤波器
  • IF 过载检测器
  • 基带 I/Q 幅度不平衡:0.2dB
  • 基带 I/Q 相位不平衡:0.6°
  • 6.8dB 噪声指数 (在最大增益)
  • 输入 IP3 (在低增益):–0.5dBm
  • 低电源电流:27mA
  • 在整个增益控制范围内具有低延迟移位:2ps/dB
  • 在待用模式中输出偏压上升
  • 具裸露衬垫的 16 引脚 4mm x 4mm QFN 封装

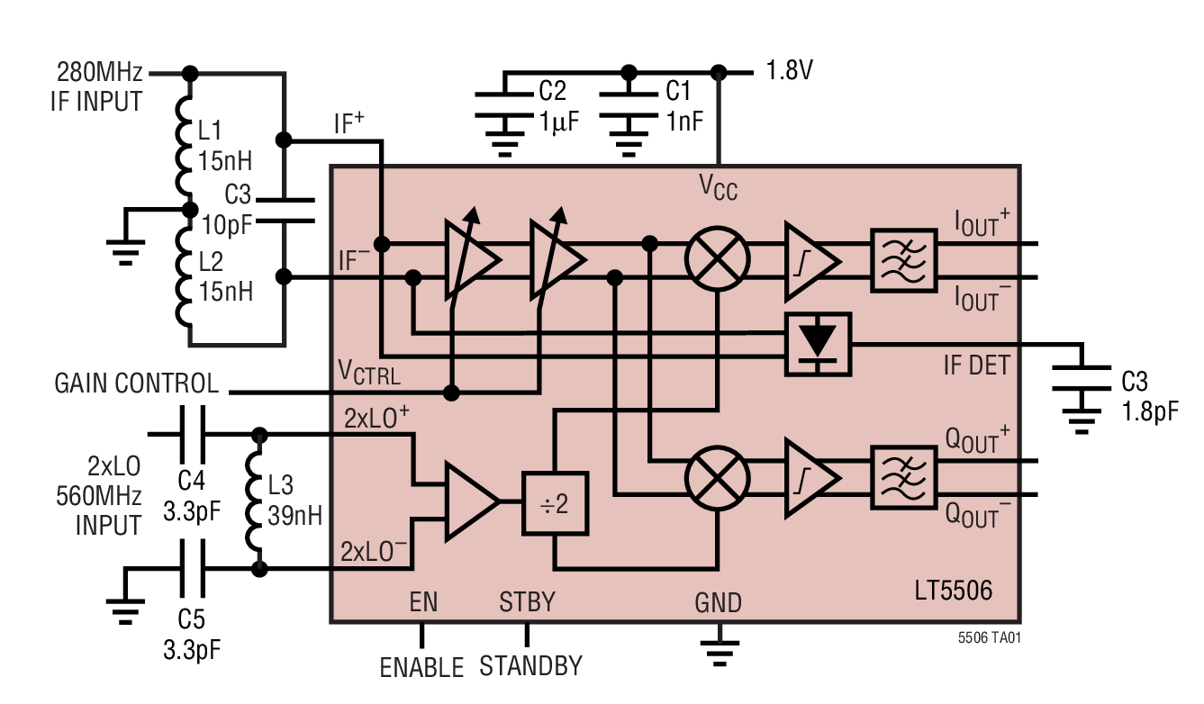
LT®5506 是一款具可变增益放大器 (VGA) 的 40MHz 至 500MHz 单片式、集成化正交解调器,其专为低电压运行而设计。它支持采用线性调制格式的标准。该芯片包括一个 VGA、正交下变频混频器和低通滤波器。LO 端口由一个一比二分频级和 LO 缓冲器构成。这款 IC 提供了用于实现 IF 下变频至 I 和 Q 基带信号的所有单元式部件,以及一个 1.8V 至 5.25V 的单电源电压。VGA 增益与控制输入电压具有一种对数线性关系。位于混频器输出端上的硬性限幅器缩短了从信号过载状态的恢复时间。低通滤波器降低了带外噪声和杂散频率分量。噪声滤波器的截止频率约为 8.8MHz。对于混频器,外部 2xLO 频率必需为 IF 输入频率的两倍。当 I/Q 输出被 AC 耦合至一颗基带芯片时,待用模式能减小电源电流并提供进入正常操作模式的快速瞬态响应。

应用

  • IEEE802.11
  • 高速无线 LAN
  • 无线本地环路

LT5506
具 VGA 的 40MHz 至 500MHz 正交解调器
Total Harmonic Distortion vs IF Input Level at 1.8V Supply Product Package 1
添加至 myAnalog

将产品添加到myAnalog 的现有项目或新项目中(接收通知)。

创建新项目
提问

参考资料

数据手册 1

可靠性数据 1

用户手册 1

了解更多
添加至 myAnalog

Add media to the Resources section of myAnalog, to an existing project or to a new project.

创建新项目

软件资源

找不到您所需的软件或驱动?

申请驱动/软件

硬件生态系统

部分模型 产品周期 描述
RF混频器 1
LTC5510 量产 1MHz 至 6GHz、宽带、高线性度有源混频器
调制器和解调器 1
LT5546 量产 具 17MHz 基带带宽的 40MHz 至 500MHz VGA 和 I/Q 解调器
模数转换器(ADC) 1
LTC2263-12 量产 12 位、25Msps 低功率双通道 ADC
锁相环(PLL)频率合成器 1
LTC6948 最后购买期限 具集成型 VCO 的超低噪声 0.37GHz 至 6.39GHz 分数 N 合成器
Modal heading
添加至 myAnalog

将产品添加到myAnalog 的现有项目或新项目中(接收通知)。

创建新项目

工具及仿真模型

ADIsimRF

ADIsimRF是一款简单易用的RF信号链计算工具。可以计算和导出多达50级的信号链级联增益、噪声、失真和功耗并绘制其曲线。ADIsimRF还包括丰富的ADI射频和混合信号元件的器件模型数据库。

打开工具

评估套件

eval board
DC468A

LT5506EUF | 集成VGA和I/Q解调器的500MHz IF接收器

产品详情

DC468A:集成VGA的LT5506 40MHz至500MHz正交解调器演示板。

DC468A
LT5506EUF | 集成VGA和I/Q解调器的500MHz IF接收器
DC468A - Schematic

最新评论

需要发起讨论吗? 没有关于 LT5506的相关讨论?是否需要发起讨论?

在EngineerZone®上发起讨论

近期浏览