Quantic X-Microwave

ADI RF和微波元件作为Quantic X-Microwave的插入式X-MWblocks®提供。

获取此器件的X-MWblock®插入式模块。

HMC942

推荐用于新设计

x2有源倍频器,25 - 31 GHz输出

产品技术资料帮助

ADI公司所提供的资料均视为准确、可靠。但本公司不为用户在应用过程中侵犯任何专利权或第三方权利承担任何责任。技术指标的修改不再另行通知。本公司既没有含蓄的允许,也不允许借用ADI公司的专利或专利权的名义。本文出现的商标和注册商标所有权分别属于相应的公司。

Viewing:

概述

  • 高输出功率: +21 dBm
  • 低输入功耗驱动: 0至+6 dBm
  • Fo隔离: >45 dBc
  • 单电源: +4.5V (214 mA)
  • 24引脚4x4 mm SMT封装:
    16 mm²

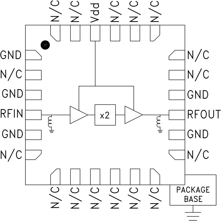
HMC942LP4E是一款x2有源宽带倍频器,使用GaAs pHEMT技术,采用符合RoHS标准的无引脚SMT封装。 由+4 dBm信号驱动时,该倍频器在13至24.6 GHz范围内提供+17 dBm的典型输出功率。 Fo和3Fo隔离大于20 dBc(19 GHz)。 HMC942LP4E适合用于点对点和VSAT无线电的LO倍频链,相比传统方案可实现更少的器件数。

应用

  • 时钟生成应用:
    SONET OC-192和SDH STM-64
  • 点对点和VSAT无线电
  • 测试仪器仪表
  • 军事和太空
  • 传感器

HMC942
x2有源倍频器,25 - 31 GHz输出
HMC942 Functional Block Diagram
添加至 myAnalog

将产品添加到myAnalog 的现有项目或新项目中(接收通知)。

创建新项目
提问

参考资料

数据手册 1

了解更多
添加至 myAnalog

Add media to the Resources section of myAnalog, to an existing project or to a new project.

创建新项目

软件资源

找不到您所需的软件或驱动?

申请驱动/软件

评估套件

EVAL-HMC942LP4E
HMC942LP4E评估板
HMC942 Evaluation Board HMC942 Evaluation Board - Top View HMC942 Evaluation Board - Bottom View

最新评论

需要发起讨论吗? 没有关于 HMC942的相关讨论?是否需要发起讨论?

在EngineerZone®上发起讨论

近期浏览