HMC913LC4B

量产

连续检波对数视频放大器,采用SMT封装,0.6 - 20 GHz

产品技术资料帮助

ADI公司所提供的资料均视为准确、可靠。但本公司不为用户在应用过程中侵犯任何专利权或第三方权利承担任何责任。技术指标的修改不再另行通知。本公司既没有含蓄的允许,也不允许借用ADI公司的专利或专利权的名义。本文出现的商标和注册商标所有权分别属于相应的公司。

Viewing:

概述

  • 高对数范围: 59 dB
  • 输出频率平坦度: ±2 dB
  • 对数线性度: ±1 dB
  • 快速上升/下降时间: 5/10 ns
  • 单正电源: +3.3V
  • ESD灵敏度(HBM): 1A级
  • 24引脚4x4mm SMT封装: 16mm²


HMC913LC4B是一款连续检波对数视频放大器(SDLVA),工作频率范围为0.6至20 GHz。 HMC913LC4B提供59 dB的对数范围。 该器件提供5/10 ns的典型快速上升/下降时间,延迟时间仅14 ns。 HMC913LC4B对数视频输出斜率为14 mV/dB(典型值)。 最大恢复时间不到30 ns。 HMC913LC4B采用高度紧凑的4x4 mm SMT陶瓷封装,适合高速通道接收机应用。

应用

  • EW、ELINT和IFM接收机
  • DF雷达系统
  • ECM系统
  • 宽带测试和测量
  • 功率测量和控制电路
  • 军事和太空应用


HMC913LC4B

连续检波对数视频放大器,采用SMT封装,0.6 - 20 GHz

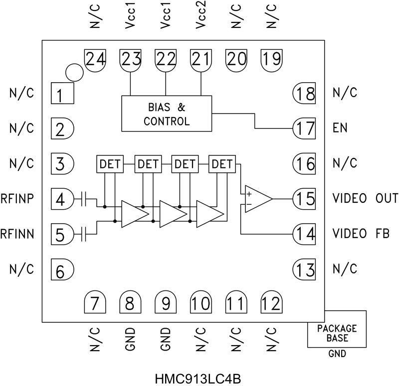
HMC913LC4B Functional Block Diagram
添加至 myAnalog

将产品添加到myAnalog 的现有项目或新项目中(接收通知)。

创建新项目
提问

参考资料

数据手册 1

应用笔记 1

了解更多
添加至 myAnalog

Add media to the Resources section of myAnalog, to an existing project or to a new project.

创建新项目

软件资源

找不到您所需的软件或驱动?

申请驱动/软件

工具及仿真模型


评估套件

EVAL-HMC913LC4B
HMC913LC4B评估板

最新评论

需要发起讨论吗? 没有关于 HMC913LC4B的相关讨论?是否需要发起讨论?

在EngineerZone®上发起讨论

近期浏览