Quantic X-Microwave

ADI RF和微波元件作为Quantic X-Microwave的插入式X-MWblocks®提供。

获取此器件的X-MWblock®插入式模块。

HMC794

最后购买期限

2 GHz低噪声可编程分频器(N =1至4),采用SMT封装

产品技术资料帮助

ADI公司所提供的资料均视为准确、可靠。但本公司不为用户在应用过程中侵犯任何专利权或第三方权利承担任何责任。技术指标的修改不再另行通知。本公司既没有含蓄的允许,也不允许借用ADI公司的专利或专利权的名义。本文出现的商标和注册商标所有权分别属于相应的公司。

Viewing:

概述

  • 低噪底:
    -163 dBc/Hz(10 MHz失调时)
    -160 dBc/Hz(100 MHz失调时)
  • 可编程分频器,N =1、2、3或4
  • 输入频率范围:200 MHz至2 GHz
  • 50%占空比输出
  • 输出功率高达+10 dBm
  • 休眠模式: 功耗<1 μA
  • 16引脚3x3mm SMT封装: 9mm²

HMC794LP3E是一款SiGe BiCMOS低噪声可编程分频器,采用3x3mm无引脚表贴封装。 在200 MHz至2 GHz 输入频率范围内,该电路可编程并采用N = 1至N = 4分频。 高电平输出功率(高达10 dBm)、极低SSB相位噪声和50%占空比使该器件非常适合低噪声时钟产生、LO生成和LO驱动应用。 可配置的偏置控制可将功耗降低20%。

应用

  • LO生成,低噪底
  • 时钟发生器
  • 混频器LO驱动
  • 军事应用
  • 测试设备
  • 传感器

HMC794
2 GHz低噪声可编程分频器(N =1至4),采用SMT封装
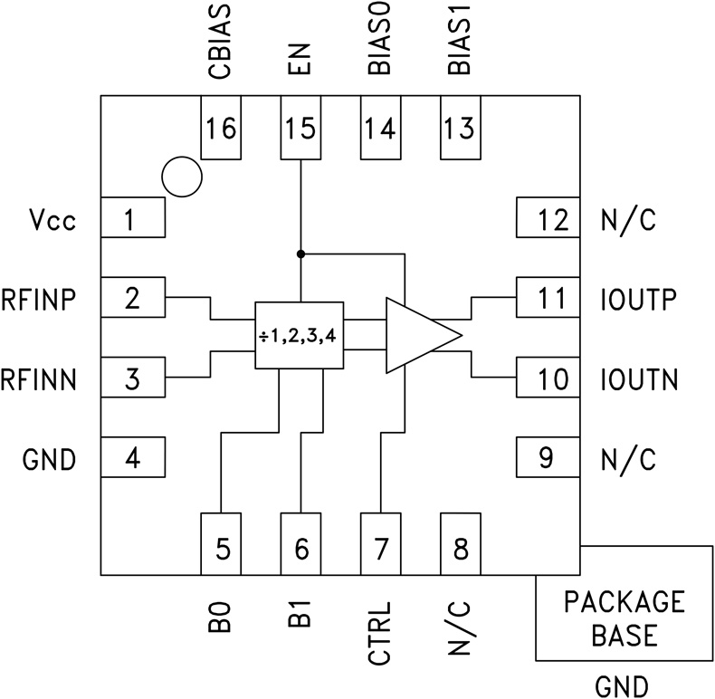
HMC794 Functional Block Diagram
添加至 myAnalog

将产品添加到myAnalog 的现有项目或新项目中(接收通知)。

创建新项目
提问

参考资料

数据手册 1

了解更多
添加至 myAnalog

Add media to the Resources section of myAnalog, to an existing project or to a new project.

创建新项目

软件资源

找不到您所需的软件或驱动?

申请驱动/软件

硬件生态系统

部分模型 产品周期 描述
HMC905 推荐用于新设计 6 GHz低噪声可编程分频器(N =1至4),采用SMT封装
HMC862A 推荐用于新设计

0.1 24 GHz低噪声可编程分频器

Modal heading
添加至 myAnalog

将产品添加到myAnalog 的现有项目或新项目中(接收通知)。

创建新项目

评估套件

EVAL-HMC794LP3E
HMC794LP3E评估板
HMC794 Evaluation Board HMC794 Evaluation Board HMC794 Evaluation Board

最新评论

需要发起讨论吗? 没有关于 HMC794的相关讨论?是否需要发起讨论?

在EngineerZone®上发起讨论

近期浏览