HMC729

推荐用于新设计

带复位功能的26 GHz T触发器

产品技术资料帮助

ADI公司所提供的资料均视为准确、可靠。但本公司不为用户在应用过程中侵犯任何专利权或第三方权利承担任何责任。技术指标的修改不再另行通知。本公司既没有含蓄的允许,也不允许借用ADI公司的专利或专利权的名义。本文出现的商标和注册商标所有权分别属于相应的公司。

Viewing:

概述

  • 支持最高26 GHz的时钟频率
  • 差分与单端操作
  • 快速上升和下降时间: 18/17 ps
  • 低功耗: 270 mW(典型值)
  • 传播延迟: 95 ps
  • 单电源: -3.3V
  • 16引脚3x3mm SMT陶瓷封装: 9mm²


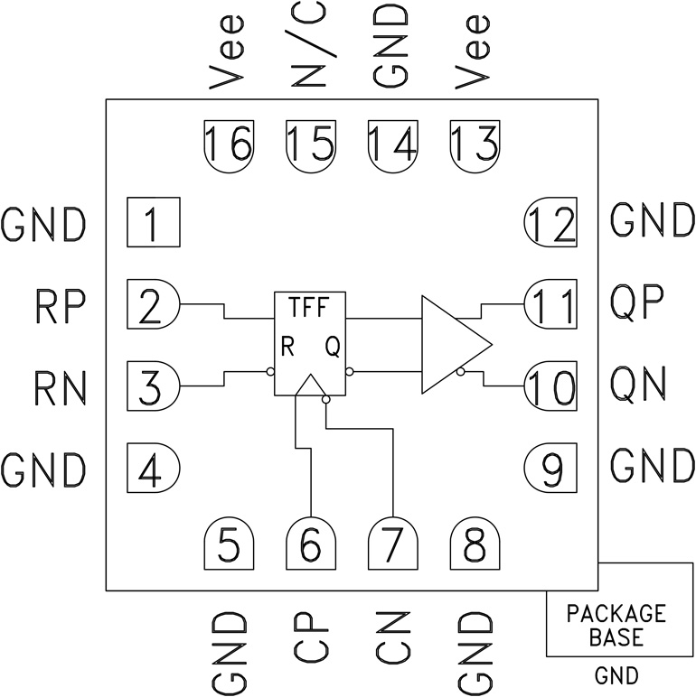
HMC729LC3C是一款集成复位功能的T触发器,设计支持高达26 GHz的时钟频率。 正常工作时,若复位引脚未置位,则输出将在时钟正边沿从之前的状态切换到其他状态。 这便实现对时钟输入的二分频。 无论时钟边沿状态如何,置位复位引脚可迫使Q输出进入低电平状态(异步复位置位)。 反转时钟输入便可支持负边沿触发应用。

输入HMC729LC3C的全部信号均以50 Ω端接至片上地,并支持交流或直流耦合。 输出可直接连到50 Ω端接系统,而如果采用50 Ω端接至非接地直流电压,则可以使用隔直电容。 HMC729LC3C采用-3.3V DC单电源供电,提供符合RoHS标准的3x3 mm SMT陶瓷封装。

应用

  • 高达26 Gbps的串行数据传输速率
  • 高速分频器(最高26 GHz)
  • 宽带测试和测量
  • RF ATE应用

HMC729
带复位功能的26 GHz T触发器
HMC729 Functional Block Diagram
添加至 myAnalog

将产品添加到myAnalog 的现有项目或新项目中(接收通知)。

创建新项目
提问

参考资料

数据手册 1

了解更多
添加至 myAnalog

Add media to the Resources section of myAnalog, to an existing project or to a new project.

创建新项目

工具及仿真模型


评估套件

EVAL-HMC729LC3C
HMC729LC3C评估板

最新评论

需要发起讨论吗? 没有关于 HMC729的相关讨论?是否需要发起讨论?

在EngineerZone®上发起讨论

近期浏览