HMC725

推荐用于新设计

13 Gbps快速上升时间XOR / XNOR门

产品技术资料帮助

ADI公司所提供的资料均视为准确、可靠。但本公司不为用户在应用过程中侵犯任何专利权或第三方权利承担任何责任。技术指标的修改不再另行通知。本公司既没有含蓄的允许,也不允许借用ADI公司的专利或专利权的名义。本文出现的商标和注册商标所有权分别属于相应的公司。

Viewing:

概述

  • 输入通过50 Ω电阻内部端接
  • 差分与单端操作
  • 快速上升与下降时间: 19/18 ps
  • 低功耗: 230 mW(典型值)
  • 传播延迟: 105 ps
  • 单电源: -3.3V
  • 16引脚3x3mm SMT陶瓷封装: 9mm²


HMC725是一款XOR/XNOR门,设计支持高达13 Gbps的数据传输速率和高达13 GHz的时钟频率。 输入HMC725的全部信号均通过50 Ω电阻端接至片上地,并支持交流或直流耦合。 HMC725LC3C的差分输出可以交流耦合,也可以直流耦合。

输出可直接连到50 Ω接地端接系统,而如果采用50 Ω端接至非接地直流电压,则可以使用隔直电容。 HMC725采用-3.3V DC单电源供电,功耗仅为230 mW,提供符合RoHS标准的3x3 mm SMT陶瓷封装。

应用

  • RF ATE应用
  • 宽带测试和测量
  • 高达13 Gbps的串行数据传输速率
  • 高达13 GHz的数字逻辑系统


HMC725
13 Gbps快速上升时间XOR / XNOR门
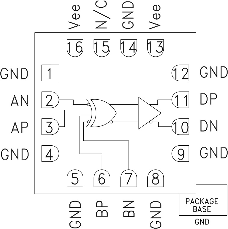
HMC725 Functional Block Diagram
添加至 myAnalog

将产品添加到myAnalog 的现有项目或新项目中(接收通知)。

创建新项目
提问

参考资料

数据手册 1

了解更多
添加至 myAnalog

Add media to the Resources section of myAnalog, to an existing project or to a new project.

创建新项目

评估套件

EVAL-HMC725LC3C
HMC725LC3C评估板

最新评论

需要发起讨论吗? 没有关于 HMC725的相关讨论?是否需要发起讨论?

在EngineerZone®上发起讨论

近期浏览