HMC723LP3E
量产
具有可编程输出电压的13 Gbps快速上升时间D型触发器
- 产品模型
- 2
Viewing:
概述
- 支持高数据速率: 高达13 Gbps
- 差分和单端操作
- 快速上升和下降时间: 19 / 17 ps
- 低功耗: 260 mW(典型值)
- 可编程差分输出电压摆幅: 700 - 1300 mV
- 传播延迟: 105 ps
- 单电源: -3.3V
- 16引脚3x3mm
SMT封装: 9mm²
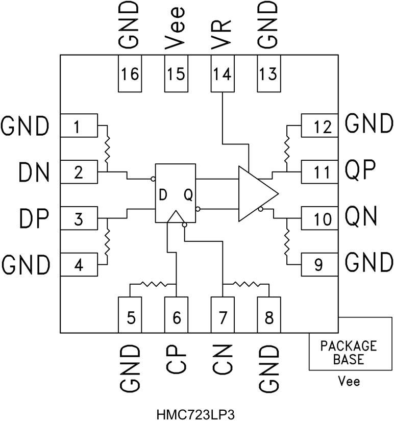
HMC723LP3E是一款D型触发器,旨在支持最高13 Gbps的数据传输速率和高达13 GHz的时钟频率。 在正常工作过程中,数据传输到正时钟边沿上的输出端。 反转时钟输入便可实现负边沿触发应用。 HMC723LP3E还具有输出电平控制引脚VR,可用于损耗补偿或信号电平优化。
HMC723LP3E的输入信号都通过50 Ω电阻片上端接到地,并支持直流或交流耦合。 HMC723LP3E的差分输出可以为直流或交流耦合。 输出可以直接连接到50 Ω接地端接系统,如果采用50 Ω端接至非接地直流电压,则可以使用隔直电容。 HMC723LP3E采用-3.3V DC单电源供电,采用符合RoHS标准的3x3 mm SMT封装。
应用
- RF ATE应用
- 宽带测试和测量
- 串行数据传输高达13 Gbps
- 数字逻辑系统高达13 GHz
参考资料
数据手册 1
质量文档 4
磁带和卷轴规格 1
产品选型指南 1
ADI 始终高度重视提供符合最高质量和可靠性水平的产品。我们通过将质量和可靠性检查纳入产品和工艺设计的各个范围以及制造过程来实现这一目标。出货产品的“零缺陷”始终是我们的目标。查看我们的质量和可靠性计划和认证以了解更多信息。
| 产品型号 | 引脚/封装图-中文版 | 文档 | CAD 符号,脚注和 3D模型 |
|---|---|---|---|
| HMC723LP3E | 16-Lead QFN (3mm x 3mm w/ EP) | ||
| HMC723LP3ETR | 16-Lead QFN (3mm x 3mm w/ EP) |
| 产品型号 | 产品生命周期 | PCN |
|---|---|---|
|
3月 29, 2023 - 22_0048 Addition of ASE Korea as an Alternate Assembly Site for Select LFCSP Products |
||
| HMC723LP3E | 量产 | |
| HMC723LP3ETR | 量产 | |
这是最新版本的数据手册
工具及仿真模型
IBIS 模型 1
评估套件
最新评论
需要发起讨论吗? 没有关于 HMC723LP3E的相关讨论?是否需要发起讨论?
在EngineerZone®上发起讨论