HMC722LC3C

量产

具有可编程输出电压的13 Gbps、快速上升时间AND/NAND/OR/NOR栅极

产品技术资料帮助

ADI公司所提供的资料均视为准确、可靠。但本公司不为用户在应用过程中侵犯任何专利权或第三方权利承担任何责任。技术指标的修改不再另行通知。本公司既没有含蓄的允许,也不允许借用ADI公司的专利或专利权的名义。本文出现的商标和注册商标所有权分别属于相应的公司。

Viewing:

概述

  • 支持高数据速率: 高达13 Gbps
  • 差分和单端输出
  • 快速上升和下降时间: 19 / 18 ps
  • 低功耗: 230 mW(典型值)
  • 可编程差分输出电压摆幅: 600 - 1100 mV
  • 传播延迟: 95 ps
  • 单电源: -3.3V
  • 16引脚陶瓷3x3mm
    SMT封装: 9mm²

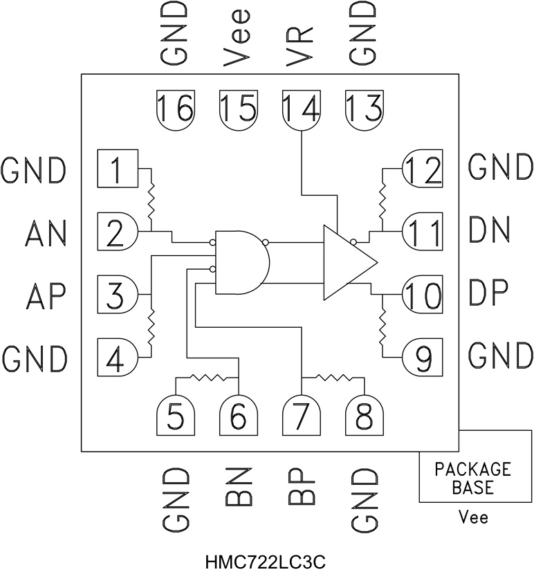
HMC722LC3C是一个AND/NAND/OR/NOR功能,旨在支持最高13 Gbps的数据传输速率和高达13 GHz的时钟频率。 HMC772LC3C可轻松配置为提供以下逻辑功能: AND、NAND、OR或NOR。 HMC722LC3C还具有输出电平控制引脚VR,可用于损耗补偿或信号电平优化。

HMC722LC3C的输入信号都通过50 Ω电阻片上端接到地,并支持直流或交流耦合。 HMC722LC3C的差分输出可以为直流或交流耦合。 输出可以直接连接到50 Ω接地端接系统,如果采用50 Ω端接至非接地直流电压,则可以使用隔直电容。 HMC722LC3C采用-3.3V DC单电源供电,采用符合RoHS标准的3x3 mm SMT陶瓷封装。

应用

  • RF ATE应用
  • 宽带测试和测量
  • 串行数据传输高达13 Gbps
  • 数字逻辑系统高达13 GHz
  • NRZ-RZ转换

HMC722LC3C

具有可编程输出电压的13 Gbps、快速上升时间AND/NAND/OR/NOR栅极

HMC722LC3C Functional Block Diagram
添加至 myAnalog

将产品添加到myAnalog 的现有项目或新项目中(接收通知)。

创建新项目
提问

参考资料

数据手册 1

了解更多
添加至 myAnalog

Add media to the Resources section of myAnalog, to an existing project or to a new project.

创建新项目

工具及仿真模型

IBIS 模型 1


评估套件

EVAL-HMC722LC3C
HMC722LC3C评估板

最新评论

需要发起讨论吗? 没有关于 HMC722LC3C的相关讨论?是否需要发起讨论?

在EngineerZone®上发起讨论

近期浏览