HMC683
最后购买期限高IP3双通道下变频器SMT,集成LO开关,0.7 - 1.0 GHz
- 产品模型
- 2
概述
- 高输入IP3: +23 dBm
- 转换增益: 7.5 dB
- 低LO驱动: 0 dBm
- 高通道隔离
- 40引脚6x6mm SMT封装: 36mm²
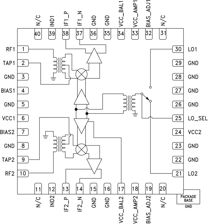
HMC683LP6C(E)是一款高线性度、双通道下变频器,集成LO放大器,采用6x6 SMT QFN封装,工作频率为0.7 - 1.0 GHz。 LO驱动为0 dBm时,3G和4G GSM/CDMA应用可以获得+23 dBm的出色输入IP3下变频性能。 采用1 dB (+11 dBm)压缩时,RF端口支持各种输入信号电平。 转换增益典型值为7.5 dB。 60 - 500 MHz的IF频率响应能够满足各种GSM/CDMA接收频率规划要求。
应用
- 蜂窝/3G和LTE/WiMAX/4G
- 基站和中继器
- GSM、CDMA和OFDM
- 双通道密度接收机
参考资料
数据手册 1
质量文档 4
磁带和卷轴规格 1
产品选型指南 1
ADI 始终高度重视提供符合最高质量和可靠性水平的产品。我们通过将质量和可靠性检查纳入产品和工艺设计的各个范围以及制造过程来实现这一目标。出货产品的“零缺陷”始终是我们的目标。查看我们的质量和可靠性计划和认证以了解更多信息。
| 产品型号 | 引脚/封装图-中文版 | 文档 | CAD 符号,脚注和 3D模型 |
|---|---|---|---|
| HMC683LP6CE | 40-Lead QFN (6mm x 6mm w/ EP) | ||
| HMC683LP6CETR | 40-Lead QFN (6mm x 6mm w/ EP) |
| 产品型号 | 产品生命周期 | PCN |
|---|---|---|
|
7月 28, 2022 - 22_0023 Product Discontinuance for Select Analog Devices Parts (ADFXXXX, HMCXXX) |
||
| HMC683LP6CE | 过期 | |
| HMC683LP6CETR | 过期 | |
这是最新版本的数据手册
软件资源
找不到您所需的软件或驱动?
申请驱动/软件工具及仿真模型
ADIsimRF
ADIsimRF是一款简单易用的RF信号链计算工具。可以计算和导出多达50级的信号链级联增益、噪声、失真和功耗并绘制其曲线。ADIsimRF还包括丰富的ADI射频和混合信号元件的器件模型数据库。
打开工具评估套件
最新评论
需要发起讨论吗? 没有关于 HMC683的相关讨论?是否需要发起讨论?
在EngineerZone®上发起讨论