HMC666
最后购买期限集成LO放大器的SMT BiCMOS混频器,3.1 - 3.9 GHz
- 产品模型
- 2
概述
- 高输入IP3: +31 dBm
- 低转换损耗: 9 dB
- 低LO驱动: 0 dBm
- 上变频与下变频应用
- 针对低端LO输入优化
- 24引脚、4x4mm SMT封装: 16mm²
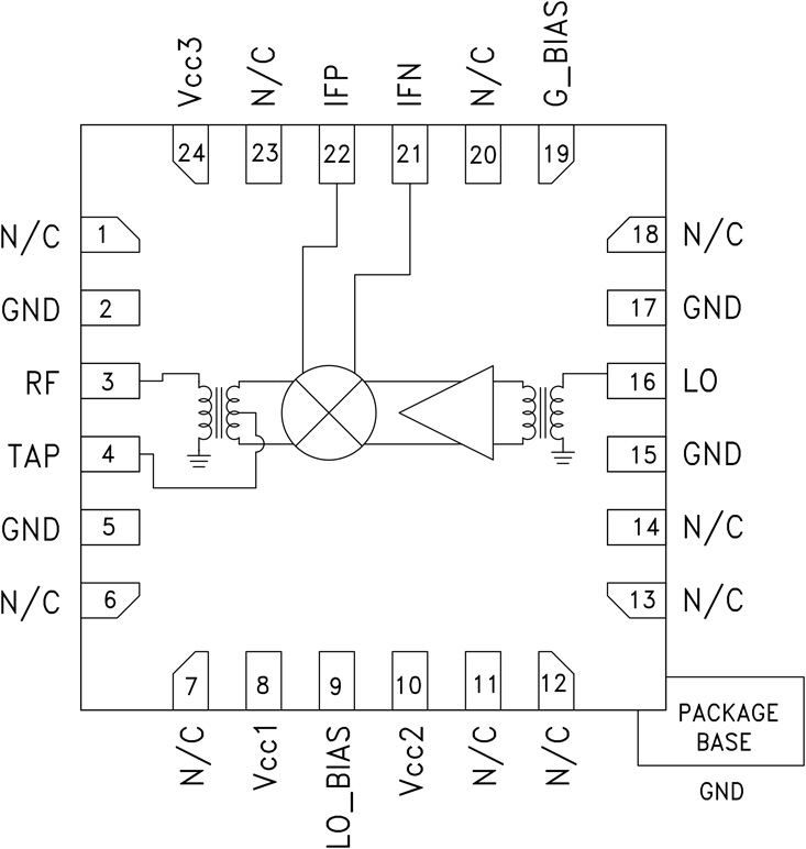
HMC666LP4(E)是一款高动态范围无源MMIC混频器,集成LO放大器,采用4x4 SMT QFN封装,工作频率为3.1 - 3.9 GHz。 该器件针对WiMAX和固定无线应用提供+31 dBm的出色输入IP3性能以进行下变频,LO驱动为0 dBm。 LO端口针对低端LO应用优化。
RF端口的输入1 dB压缩为+23 dBm,可支持宽范围输入信号电平。 转换损耗典型值为9 dB。 该器件的DC至800 MHz IF频率响应能满足WiMAX发射或接收频率规划要求。 HMC666LP4(E)与HMC688LP4(E)引脚兼容,后者是一款2.0 - 2.7 GHz混频器,集成LO放大器。
应用
- WiMAX/4G与固定无线
- 基础设施与中继器
- 发射机与接收机
- 测试和测量设备
参考资料
数据手册 1
质量文档 3
磁带和卷轴规格 1
产品选型指南 1
ADI 始终高度重视提供符合最高质量和可靠性水平的产品。我们通过将质量和可靠性检查纳入产品和工艺设计的各个范围以及制造过程来实现这一目标。出货产品的“零缺陷”始终是我们的目标。查看我们的质量和可靠性计划和认证以了解更多信息。
| 产品型号 | 引脚/封装图-中文版 | 文档 | CAD 符号,脚注和 3D模型 |
|---|---|---|---|
| HMC666LP4E | 24-Lead QFN (4mm x 4mm w/ EP) | ||
| HMC666LP4ETR | 24-Lead QFN (4mm x 4mm w/ EP) |
| 产品型号 | 产品生命周期 | PCN |
|---|---|---|
|
6月 6, 2022 - 22_0048 Addition of ASE Korea as an Alternate Assembly Site for Select LFCSP Products |
||
| HMC666LP4E | 过期 | |
| HMC666LP4ETR | 过期 | |
|
7月 28, 2022 - 22_0023 Product Discontinuance for Select Analog Devices Parts (ADFXXXX, HMCXXX) |
||
| HMC666LP4E | 过期 | |
| HMC666LP4ETR | 过期 | |
这是最新版本的数据手册
软件资源
找不到您所需的软件或驱动?
申请驱动/软件工具及仿真模型
ADIsimRF
ADIsimRF是一款简单易用的RF信号链计算工具。可以计算和导出多达50级的信号链级联增益、噪声、失真和功耗并绘制其曲线。ADIsimRF还包括丰富的ADI射频和混合信号元件的器件模型数据库。
打开工具评估套件
最新评论
需要发起讨论吗? 没有关于 HMC666的相关讨论?是否需要发起讨论?
在EngineerZone®上发起讨论